Qui troverai tutte le parti e i disegni disponibili di “Bosch 0603269160 ( PAS1000 )”. Da qui puoi ordinare direttamente tutte le parti desiderate. Molte parti devono essere ordinate dal produttore, a seconda della marca, ciò richiede da una a quattro settimane. Tutte le informazioni che abbiamo sono sul nostro sito web, non possiamo consigliarti su ciò di cui hai bisogno, per questo dovrai restituire la macchina per la riparazione. Nota quanto segue al momento dell’ordinazione:
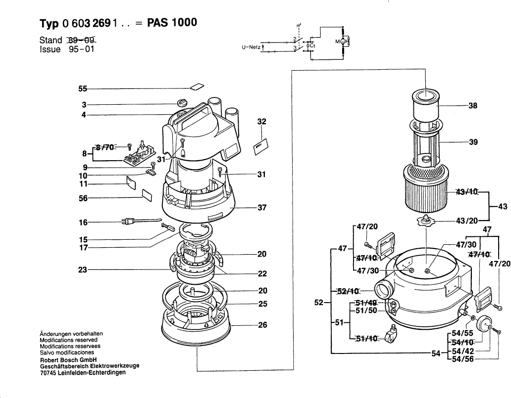
Disegni tecnici di Bosch 0603269160 ( PAS1000 )
Elenco parti di Bosch 0603269160 ( PAS1000 )
| Pos. | Descrizione | Prezzo IVA escl | Prezzo IVA incl | |
| I prezzi indicati sono comprensivi di IVA | ||||
| Bottone dell'interruttore | ||||
| 3 | 1609201717 | 4.70 | 5.73 | |
| Cappuccio di copertura STM 1800 | ||||
| 4 | 1609202372 | 20.42 | 24.91 | |
| Interruttore on-off | ||||
| 8 | 1609201712 | 33.45 | 40.81 | |
| Vite per Lamiera DIN 7971-B2,9x19 | ||||
| 9 | 2910211208 | 0.83 | 1.01 | |
| Morsetto di fissaggio | ||||
| 10 | 1609201659 | 1.94 | 2.37 | |
| Targhetta | ||||
| 11 | 1601110563 | 0.83 | 1.01 | |
| Non più disponibile, nessuna sostituzione | ||||
| 15 | 1609201664 | |||
| Cavo di alimentazione | ||||
| 16 | 1609201713 | 18.19 | 22.19 | |
| Non più disponibile, nessuna sostituzione | ||||
| 17 | 1609201666 | |||
| Anello di tenuta | ||||
| 20 | 1609201669 | 5.27 | 6.43 | |
| Aspiratore 220V | ||||
| 22 | 1609202695 | 233.78 | 285.21 | |
| Non più disponibile, nessuna sostituzione | ||||
| 23 | 1609201672 | |||
| Non più disponibile, nessuna sostituzione | ||||
| 25 | 1609201674 | |||
| Non più disponibile, nessuna sostituzione | ||||
| 26 | 1609201714 | |||
| Non più disponibile, nessuna sostituzione | ||||
| 28 | 1609201677 | |||
| Vite della piastra | ||||
| 31 | 2910611015 | 1.90 | 2.32 | |
| Targhetta del produttore GBH 2000 | ||||
| 32 | 1601110564 | 1.94 | 2.37 | |
| Non più disponibile, nessuna sostituzione | ||||
| 37 | 1609201715 | |||
| Non più disponibile, nessuna sostituzione | ||||
| 38 | 1609200952 | |||
| Non più disponibile, nessuna sostituzione | ||||
| 39 | 1609201684 | |||
| Non più disponibile, nessuna sostituzione | ||||
| 43 | 1609201636 | |||
| Non più disponibile, nessuna sostituzione | ||||
| 43/20 | 1609202200 | |||
| Chiusura a leva piegata | ||||
| 47 | 1609201690 | 9.53 | 11.63 | |
| Vite a testa cilindrica | ||||
| 47/20 | 2910021193 | 1.00 | 1.22 | |
| Dado esagonale | ||||
| 47/30 | 2915011007 | 1.00 | 1.22 | |
| Girante | ||||
| 51 | 1609201691 | 10.73 | 13.09 | |
| Dado esagonale | ||||
| 51/50 | 2915011009 | 2.18 | 2.66 | |
| Non più disponibile, nessuna sostituzione | ||||
| 52 | 1609201716 | |||
| Non più disponibile, nessuna sostituzione | ||||
| 54 | 1609202221 | |||
| Rondella piana | ||||
| 54/42 | 1609202726 | 1.32 | 1.61 | |
| Rondella piana | ||||
| 54/55 | 2916011016 | 1.00 | 1.22 | |
| Vite per lamiera DIN 7981-B4,2x19 | ||||
| 54/56 | 2910611027 | 0.83 | 1.01 | |
| Piastra di Riferimento | ||||
| 55 | 1601110573 | 0.83 | 1.01 | |
| Non più disponibile, nessuna sostituzione | ||||
| 651 | 1609201232 | |||
| Non più disponibile, nessuna sostituzione | ||||
| 652 | 1609200969 | |||
| Non più disponibile, nessuna sostituzione | ||||
| 653/10 | 1609201109 | |||
| Non più disponibile, nessuna sostituzione | ||||
| 653/20 | 1609201110 | |||
| Nessuna informazione disponibile, non ordinabile | ||||
| 700 | 2607000165 | |||
| Nessuna informazione disponibile, non ordinabile | ||||
| 702 | 1609200933 | |||
| Nessuna informazione disponibile, non ordinabile | ||||
| 703 | 1609201628 | |||
| Non più disponibile, nessuna sostituzione | ||||
| 704 | 2607432010 | |||
| Non più disponibile, nessuna sostituzione | ||||
| 705 | 1609201627 | |||
| Non più disponibile, nessuna sostituzione | ||||
| 705/20 | 1609201661 | |||
| Non più disponibile, nessuna sostituzione | ||||
| 707 | 2607000163 | |||
| Nessuna informazione disponibile, non ordinabile | ||||
| 707/1 | 1609202230 | |||
| Nessuna informazione disponibile, non ordinabile | ||||
| 708 | 1609201229 | |||
| Nessuna informazione disponibile, non ordinabile | ||||
| 709 | 1609201230 | |||
| Non più disponibile, nessuna sostituzione | ||||
| 710 | 1609201231 | |||
| Non più disponibile, nessuna sostituzione | ||||
| 711 | 1609201232 | |||
| Non più disponibile, nessuna sostituzione | ||||
| 712 | 1609201233 | |||
| Non più disponibile, nessuna sostituzione | ||||
| 713 | 1609201234 | |||
| Non più disponibile, nessuna sostituzione | ||||
| 714 | 1609201235 | |||
| Nessuna informazione disponibile, non ordinabile | ||||
| 750 | 2607000167 | |||
| Nessuna informazione disponibile, non ordinabile | ||||
| 755 | 1609200976 | |||