Qui troverai tutte le parti e i disegni disponibili di “Bosch 0612312021 ( HSH10 )”. Da qui puoi ordinare direttamente tutte le parti desiderate. Molte parti devono essere ordinate dal produttore, a seconda della marca, ciò richiede da una a quattro settimane. Tutte le informazioni che abbiamo sono sul nostro sito web, non possiamo consigliarti su ciò di cui hai bisogno, per questo dovrai restituire la macchina per la riparazione. Nota quanto segue al momento dell’ordinazione:
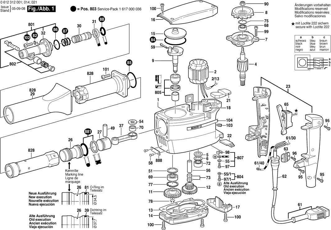
Disegni tecnici di Bosch 0612312021 ( HSH10 )
Elenco parti di Bosch 0612312021 ( HSH10 )
| Pos. | Descrizione | Prezzo IVA escl | Prezzo IVA incl | |
| I prezzi indicati sono comprensivi di IVA | ||||
| Custodia del motore | ||||
| 1 | 1615106022 | 304.19 | 371.11 | |
| Statore 42V/200HZ | ||||
| 2 | 1614229155 | 342.01 | 417.25 | |
| Ghiandaia finale | ||||
| 2/13 | 1900452012 | 1.32 | 1.61 | |
| Rotore Senza Avvolgimento | ||||
| 4 | 1614080024 | 187.62 | 228.90 | |
| Disco di tenuta | ||||
| 5 | 1610108012 | 1.32 | 1.61 | |
| Rondella di compensazione | ||||
| 6 | 1610102013 | 1.00 | 1.22 | |
| Flangia del cuscinetto HKC 55 | ||||
| 7 | 1615805066 | 20.42 | 24.91 | |
| Ventola Sunon PMD2412PMB1-A | ||||
| 8 | 1616610045 | 33.45 | 40.81 | |
| Tagliatore di bordi | ||||
| 9 | 1616110032 | 49.56 | 60.46 | |
| Ingranaggio cilindrico Z=40 | ||||
| 11 | 1616317014 | 101.94 | 124.37 | |
| Ingranaggio Cilindrico | ||||
| 12 | 1616328024 | 113.29 | 138.21 | |
| Piastra di tenuta | ||||
| 13 | 1611015012 | 1.32 | 1.61 | |
| Coperchio dell'ingranaggio | ||||
| 14 | 1615808039 | 33.45 | 40.81 | |
| COPERTURA | ||||
| 15 | 1615500168 | 1.90 | 2.32 | |
| Custodia del ventilatore | ||||
| 16 | 1615500276 | 49.56 | 60.46 | |
| Coperchio dell'interruttore | ||||
| 17 | 1615500261 | 5.96 | 7.27 | |
| Cappuccio di tenuta | ||||
| 18 | 1615500282 | 1.70 | 2.07 | |
| Non più disponibile, nessuna sostituzione | ||||
| 21 | 1612392001 | |||
| Non più disponibile, nessuna sostituzione | ||||
| 22 | 1612392000 | |||
| Maniglia TSC 55 | ||||
| 23 | 1615133021 | 17.60 | 21.47 | |
| Percussore | ||||
| 26 | 1618710058 | 41.30 | 50.39 | |
| Pistone del martello | ||||
| 27 | 1618700047 | 26.62 | 32.48 | |
| Tubo protettivo | ||||
| 29 | 1615190020 | 12.41 | 15.14 | |
| Non più disponibile, nessuna sostituzione | ||||
| 30 | 1613120015 | |||
| Disco di arresto | ||||
| 31 | 3606100101 | 10.68 | 13.03 | |
| Non più disponibile, nessuna sostituzione | ||||
| 32 | 1618597033 | |||
| Non più disponibile, nessuna sostituzione | ||||
| 37 | 1612001029 | |||
| ANELLO DI FISSAGGIO D38X1,75 | ||||
| 41 | 1611316005 | 8.48 | 10.35 | |
| Vite esagonale | ||||
| 42 | 2911061246 | 1.00 | 1.22 | |
| Dado esagonale | ||||
| 43 | 2915051107 | 1.32 | 1.61 | |
| Non più disponibile, nessuna sostituzione | ||||
| 44 | 1613349015 | |||
| Spinotto del pistone | ||||
| 49 | 1610300058 | 2.52 | 3.07 | |
| Rondella di Compensazione 1,0 MM DI SPESSORE | ||||
| 51 | 1610102014 | 1.18 | 1.44 | |
| Disco di copertura | ||||
| 54 | 1610113005 | 1.32 | 1.61 | |
| Rondella elastica DIN 137-A4 | ||||
| 55 | 1600150006 | 5.33 | 6.50 | |
| Bullone di cuscinetto | ||||
| 56 | 1610300057 | 5.33 | 6.50 | |
| Chiodo Scanalato a Testa Rotonda | ||||
| 58 | 2917721034 | 1.00 | 1.22 | |
| Spinotto diviso | ||||
| 59 | 1904681350 | 1.32 | 1.61 | |
| Cavo di alimentazione 5m 3 x 2,5mm | ||||
| 61 | 1614461030 | 130.32 | 158.99 | |
| Ghiandaia finale | ||||
| 61/30 | 3604477009 | 2.18 | 2.66 | |
| Terminale a occhiello Ø 4,3 MM | ||||
| 61/40 | 1671353005 | 0.83 | 1.01 | |
| OCCHIELLO | ||||
| 62 | 1600703009 | 5.27 | 6.43 | |
| Morsetto di fissaggio | ||||
| 63 | 1611302007 | 1.70 | 2.07 | |
| Interruttore | ||||
| 65 | 1617200020 | 40.61 | 49.54 | |
| CUSCINETTO A SFERE OSC 18 | ||||
| 68 | 1610905001 | 12.21 | 14.90 | |
| CUSCINETTO A SFERE OSC 18 | ||||
| 69 | 1610900013 | 9.47 | 11.55 | |
| CUSCINETTO A RULLINI | ||||
| 70 | 1610910049 | 37.50 | 45.75 | |
| CUSCINETTO A RULLINI | ||||
| 72 | 1610910007 | 20.39 | 24.88 | |
| Assemblea di aghi rotanti | ||||
| 73 | 1610913001 | 8.45 | 10.31 | |
| Anello di bloccaggio | ||||
| 75 | 2916660013 | 1.90 | 2.32 | |
| Anello di bloccaggio | ||||
| 77 | 2916660018 | 2.18 | 2.66 | |
| Anello di bloccaggio | ||||
| 78 | 2916080014 | 1.00 | 1.22 | |
| Rondella elastica | ||||
| 82 | 2916690007 | 1.00 | 1.22 | |
| Anello O | ||||
| 84 | 1900210160 | 5.27 | 6.43 | |
| Anello O | ||||
| 85 | 1900210152 | 3.04 | 3.71 | |
| Anello O | ||||
| 86 | 1900210130 | 3.04 | 3.71 | |
| Non più disponibile, nessuna sostituzione | ||||
| 87 | 1610210041 | |||
| Anello O | ||||
| 88 | 1610210042 | 1.32 | 1.61 | |
| Dado esagonale | ||||
| 90 | 2915061005 | 2.18 | 2.66 | |
| Vite per Lamiera DIN 7971-B 3,9x19 | ||||
| 95 | 2910211220 | 1.18 | 1.44 | |
| Vite di grasso AW 10 3x25 | ||||
| 95 | 2914201506 | 1.00 | 1.22 | |
| Vite a testa cilindrica | ||||
| 96 | 2910021118 | 1.00 | 1.22 | |
| Vite a testa cilindrica | ||||
| 97 | 2910110116 | 1.00 | 1.22 | |
| Vite a brugola | ||||
| 100 | 2910141199 | 3.04 | 3.71 | |
| Vite a brugola | ||||
| 100 | 2910141201 | 2.18 | 2.66 | |
| Vite a brugola | ||||
| 101 | 2910141244 | 1.32 | 1.61 | |
| Vite a brugola | ||||
| 102 | 1613414009 | 1.32 | 1.61 | |
| ASTA FILETTATA | ||||
| 103 | 2912081238 | 1.32 | 1.61 | |
| Targhetta del produttore GBH 2000 | ||||
| 104 | 1611110490 | 2.71 | 3.31 | |
| Non più disponibile, nessuna sostituzione | ||||
| 801 | 1617000037 | |||
| Non più disponibile, nessuna sostituzione | ||||
| 802 | 1617000014 | |||
| Non più disponibile, nessuna sostituzione | ||||
| 803 | 1617000036 | |||
| Set di pezzi | ||||
| 804 | 1617000155 | 1.18 | 1.44 | |
| Kit di tenuta | ||||
| 805 | 1617031004 | 33.45 | 40.81 | |
| Staffa di serraggio | ||||
| 807 | 1617000156 | 2.52 | 3.07 | |
| Non più disponibile, nessuna sostituzione | ||||
| 810 | 1612025027 | |||
| Tubo del martello | ||||
| 828 | 1617000918 | 441.61 | 538.76 | |
| Non più disponibile, nessuna sostituzione | ||||
| 881 | 1617000172 | |||
| Targhetta | ||||
| 888 | 160111A3H3 | 2.18 | 2.66 | |