Qui troverai tutte le parti e i disegni disponibili di “Bosch 06013777V3 ( GWS850C )”. Da qui puoi ordinare direttamente tutte le parti desiderate. Molte parti devono essere ordinate dal produttore, a seconda della marca, ciò richiede da una a quattro settimane. Tutte le informazioni che abbiamo sono sul nostro sito web, non possiamo consigliarti su ciò di cui hai bisogno, per questo dovrai restituire la macchina per la riparazione. Nota quanto segue al momento dell’ordinazione:
Disegni tecnici di Bosch 06013777V3 ( GWS850C )
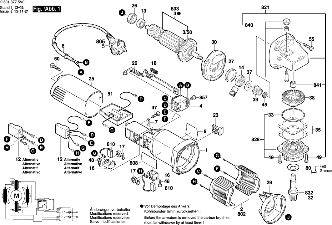
Elenco parti di Bosch 06013777V3 ( GWS850C )
| Pos. | Descrizione | Prezzo IVA escl | Prezzo IVA incl | |
| I prezzi indicati sono comprensivi di IVA | ||||
| Custodia del motore | ||||
| 1 | 1619P09772 | 11.02 | 13.44 | |
| Campo 230V | ||||
| 2 | 1604220506 | 20.39 | 24.88 | |
| Indotto | ||||
| 3 | 1604010B04 | 40.61 | 49.54 | |
| Ventola Sunon PMD2412PMB1-A | ||||
| 3/50 | 1606610141 | 3.71 | 4.53 | |
| Interruttore | ||||
| 4 | 1607200146 | 8.48 | 10.35 | |
| Cavo di alimentazione | ||||
| 5 | 1604460409 | 12.21 | 14.90 | |
| OCCHIELLO | ||||
| 6 | 2600703012 | 2.52 | 3.07 | |
| Morsetto di fissaggio | ||||
| 7 | 1601302017 | 1.00 | 1.22 | |
| Nessuna informazione disponibile, non ordinabile | ||||
| 9 | 1618B0002N | |||
| Filtro di interferenza TURBO II R1 ET-BG | ||||
| 12 | 2609120008 | 12.21 | 14.90 | |
| CUSCINETTO A SFERE OSC 18 | ||||
| 13 | 2600905103 | 5.27 | 6.43 | |
| CUSCINETTO A SFERE OSC 18 | ||||
| 14 | 1619P11240 | 2.52 | 3.07 | |
| PORTA-SPAZZOLA | ||||
| 16 | 1619P01811 | 2.52 | 3.07 | |
| Molla a spirale AGC 18 | ||||
| 17 | 1604652013 | 1.32 | 1.61 | |
| Molla compressione | ||||
| 18 | 1604611031 | 2.52 | 3.07 | |
| Scivolo di regolazione | ||||
| 22 | 1602319009 | 2.52 | 3.07 | |
| Bottone dell'interruttore | ||||
| 23 | 1619P02762 | 2.18 | 2.66 | |
| Coperchio del alloggiamento VERDE | ||||
| 25 | 1605500194 | 4.58 | 5.59 | |
| Anello intermedio | ||||
| 26 | 1600502024 | 1.90 | 2.32 | |
| Anello di gomma 10 MM DI LARGHEZZA | ||||
| 27 | 1600206025 | 1.90 | 2.32 | |
| Anello deflettore d'aria | ||||
| 29 | 1600591023 | 2.18 | 2.66 | |
| Anello deflettore d'aria | ||||
| 30 | 1600591024 | 3.04 | 3.71 | |
| Anello O | ||||
| 33 | 1600210041 | 2.18 | 2.66 | |
| Rondella di compensazione | ||||
| 35 | 1600136016 | 2.18 | 2.66 | |
| Rondella di compensazione | ||||
| 35 | 1600136017 | 2.18 | 2.66 | |
| Disco di copertura | ||||
| 37 | 1600100033 | 2.18 | 2.66 | |
| Ingranaggio a Corona | ||||
| 38 | 2609110150 | 5.96 | 7.27 | |
| Ingranaggio Conico | ||||
| 39 | 2609110149 | 3.71 | 4.53 | |
| Dado esagonale | ||||
| 45 | 2915011007 | 1.00 | 1.22 | |
| Vite speciale | ||||
| 47 | 2609110052 | 1.00 | 1.22 | |
| Vite a testa ovale Torx 4x30 | ||||
| 48 | 1619P00220 | 1.00 | 1.22 | |
| Vite formante a filettatura M6x25 MM | ||||
| 49 | 1603435068 | 1.32 | 1.61 | |
| Vite della piastra | ||||
| 50 | 2910611020 | 1.32 | 1.61 | |
| Regolatore di velocità | ||||
| 51 | 1607233139 | 41.30 | 50.39 | |
| Vite a testa ovale Torx 4x30 | ||||
| 55 | 1603435078 | 1.00 | 1.22 | |
| Disco di copertura | ||||
| 80 | 1619P09390 | 1.90 | 2.32 | |
| Coperchio Protettivo | ||||
| 650/10 | 1600A025XP | 8.48 | 10.35 | |
| Dado rotondo | ||||
| 650/20 | 1603345043 | 7.32 | 8.93 | |
| Chiave a faccia di tipo pin | ||||
| 650/30 | 1619P08927 | 3.71 | 4.53 | |
| Flangia di serraggio | ||||
| 650/50 | 2605703014 | 4.58 | 5.59 | |
| Anello O | ||||
| 650/50/20 | 1600210039 | 1.90 | 2.32 | |
| Coperchio Protettivo Ø125 MM ARGENTO | ||||
| 651 | 1600A00XU7 | 7.32 | 8.93 | |
| Targhetta | ||||
| 808 | 160111A3PF | 1.94 | 2.37 | |
| KIT DI SERVIZIO 115V | ||||
| 810 | 1607000483 | 67.98 | 82.94 | |
| KIT DI SERVIZIO 115V | ||||
| 810 | 1607014145 | 8.48 | 10.35 | |
| Carter del ingranaggio | ||||
| 821 | 1605806466 | 13.90 | 16.96 | |
| Flangia del cuscinetto HKC 55 | ||||
| 828 | 1619P02708 | 8.48 | 10.35 | |
| Mandrino di rettifica | ||||
| 832 | 1607000D6A | 6.53 | 7.97 | |
| Cacciavite esagonale 4x95 | ||||
| 833 | 1619P01598 | 2.18 | 2.66 | |
| Portachiavi | ||||
| 834 | 3602311050 | 1.90 | 2.32 | |
| Pulsante | ||||
| 840 | 1607000298 | 3.71 | 4.53 | |
| Manicotto ad ago AGC 18 | ||||
| 841 | 1600910018 | 4.58 | 5.59 | |
| Vite a Testa Ovale DIN7985-M3,5x5-4.8-H | ||||
| 857 | 2910641081 | 1.00 | 1.22 | |