Qui troverai tutte le parti e i disegni disponibili di “Bosch 0601756903 ( GWS25-230J )”. Da qui puoi ordinare direttamente tutte le parti desiderate. Molte parti devono essere ordinate dal produttore, a seconda della marca, ciò richiede da una a quattro settimane. Tutte le informazioni che abbiamo sono sul nostro sito web, non possiamo consigliarti su ciò di cui hai bisogno, per questo dovrai restituire la macchina per la riparazione. Nota quanto segue al momento dell’ordinazione:
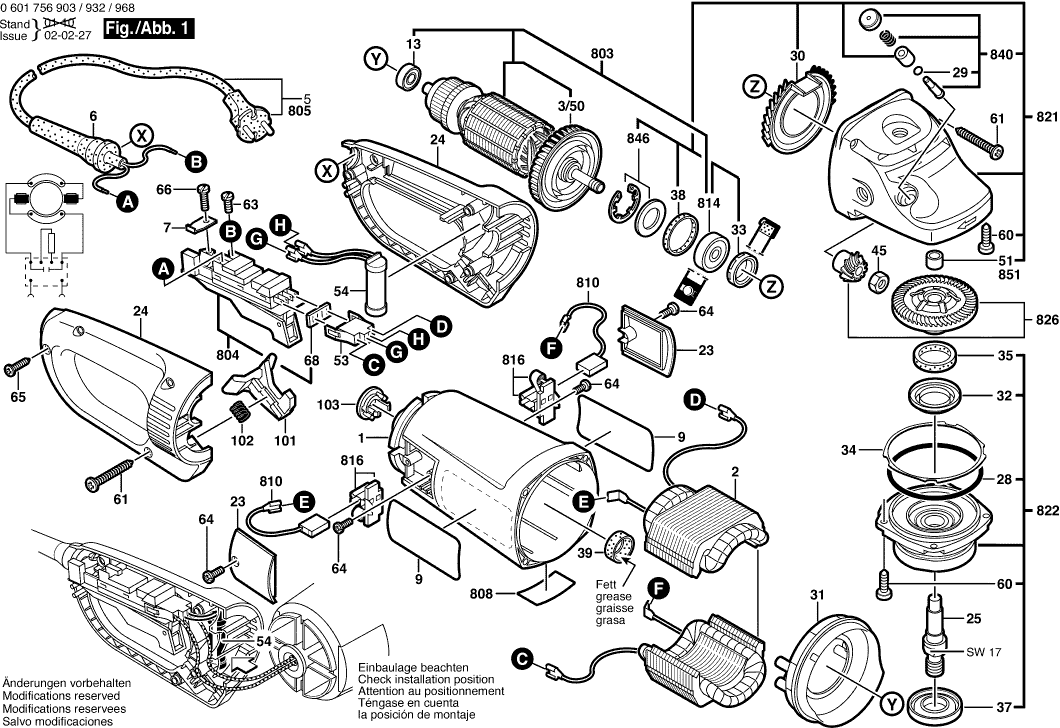
Disegni tecnici di Bosch 0601756903 ( GWS25-230J )
Elenco parti di Bosch 0601756903 ( GWS25-230J )
| Pos. | Descrizione | Prezzo IVA escl | Prezzo IVA incl | |
| I prezzi indicati sono comprensivi di IVA | ||||
| Custodia del motore | ||||
| 1 | 1605108190 | 15.61 | 19.04 | |
| Non più disponibile, nessuna sostituzione | ||||
| 2 | 160422051P | |||
| VENTILATOR | ||||
| 3/50 | 1606610142 | 3.71 | 4.53 | |
| OCCHIELLO | ||||
| 6 | 1600703023 | 2.18 | 2.66 | |
| Morsetto di fissaggio | ||||
| 7 | 1601302018 | 1.32 | 1.61 | |
| Targhetta del produttore GBH 2000 | ||||
| 9 | 1601118780 | 2.71 | 3.31 | |
| CUSCINETTO A SFERE OSC 18 | ||||
| 13 | 1600905011 | 5.27 | 6.43 | |
| Coperchio di chiusura | ||||
| 23 | 1605500206 | 3.71 | 4.53 | |
| Non più disponibile, nessuna sostituzione | ||||
| 24 | 1605132130 | |||
| Mandrino di rettifica | ||||
| 25 | 160312305U | 11.02 | 13.44 | |
| Anello O | ||||
| 28 | 1600210033 | 1.32 | 1.61 | |
| Anello O | ||||
| 29 | 1600210034 | 1.32 | 1.61 | |
| Distributore Dell'aria | ||||
| 30 | 1600591029 | 2.18 | 2.66 | |
| Non più disponibile, nessuna sostituzione | ||||
| 31 | 1600591075 | |||
| Anello di bloccaggio | ||||
| 32 | 1600290019 | 1.32 | 1.61 | |
| Guarnizione labiale dell'albero rotante | ||||
| 33 | 1600290013 | 2.18 | 2.66 | |
| Guarnizione labiale dell'albero rotante | ||||
| 33 | 1600290064 | 1.90 | 2.32 | |
| Rondella di compensazione | ||||
| 34 | 1600190021 | 2.18 | 2.66 | |
| Rondella di compensazione | ||||
| 34 | 1600190022 | 1.32 | 1.61 | |
| Rondella di compensazione | ||||
| 34 | 1600190020 | 1.32 | 1.61 | |
| Rondella in feltro D 20/14 2mm | ||||
| 35 | 1600205034 | 1.32 | 1.61 | |
| Anello di tenuta | ||||
| 37 | 1600290036 | 1.90 | 2.32 | |
| Anello di gomma 7 MM DI LARGHEZZA | ||||
| 38 | 1600206020 | 1.32 | 1.61 | |
| Anello di gomma 10 MM DI LARGHEZZA | ||||
| 39 | 1600206030 | 1.32 | 1.61 | |
| Dado esagonale | ||||
| 45 | 1603300019 | 1.32 | 1.61 | |
| CUSCINETTO A MANICOTTO | ||||
| 51 | 1600200031 | 2.52 | 3.07 | |
| Custodia della Presa | ||||
| 53 | 1605190068 | 1.00 | 1.22 | |
| Non più disponibile, nessuna sostituzione | ||||
| 54 | 1604503015 | |||
| Vite formante a filettatura M6x25 MM | ||||
| 60 | 1603435023 | 1.90 | 2.32 | |
| Vite della piastra | ||||
| 61 | 2912401038 | 1.00 | 1.22 | |
| Vite a testa cilindrica | ||||
| 63 | 1603410014 | 1.32 | 1.61 | |
| Vite per lamiera B4,8x107,5 MM | ||||
| 64 | 1603435042 | 1.32 | 1.61 | |
| Vite della piastra | ||||
| 65 | 2912401020 | 1.90 | 2.32 | |
| Vite della piastra | ||||
| 66 | 2910211019 | 1.00 | 1.22 | |
| Piastra di tenuta | ||||
| 68 | 1601006011 | 2.18 | 2.66 | |
| Scorrimento di arresto | ||||
| 101 | 1601990004 | 2.18 | 2.66 | |
| Molla compressione | ||||
| 102 | 1604616022 | 1.32 | 1.61 | |
| Cablaggio | ||||
| 103 | 1602388035 | 1.32 | 1.61 | |
| Anello O | ||||
| 650/30/20 | 1600210039 | 1.90 | 2.32 | |
| Set di pezzi Ø230 MM | ||||
| 700 | 1607000251 | 0.83 | 1.01 | |
| Non più disponibile, nessuna sostituzione | ||||
| 700/10 | 1605510223 | |||
| Non più disponibile, nessuna sostituzione | ||||
| 700/20 | 1608135003 | |||
| Vite a Testa Rotonda DIN 603-M 8x25 | ||||
| 700/20/30 | 2910281244 | 1.18 | 1.44 | |
| BOTTONE | ||||
| 700/20/40 | 2915191007 | 3.04 | 3.71 | |
| Molla compressione | ||||
| 700/20/60 | 1604643003 | 5.96 | 7.27 | |
| Non più disponibile, nessuna sostituzione | ||||
| 701 | 1608135003 | |||
| Nessuna informazione disponibile, non ordinabile | ||||
| 702 | 1605510180 | |||
| Nessuna informazione disponibile, non ordinabile | ||||
| 703 | 1607000247 | |||
| Vite esagonale | ||||
| 703/11 | 2603450007 | 5.27 | 6.43 | |
| Non più disponibile, nessuna sostituzione | ||||
| 704 | 1605510181 | |||
| Non più disponibile, nessuna sostituzione | ||||
| 730 | 1608601007 | |||
| Nessuna informazione disponibile, non ordinabile | ||||
| 730/20 | 1603345004 | |||
| Rondella piana | ||||
| 730/30 | 2916011022 | 1.32 | 1.61 | |
| Nessuna informazione disponibile, non ordinabile | ||||
| 740 | 1601329013 | |||
| Nessuna informazione disponibile, non ordinabile | ||||
| 750/10 | 2602025075 | |||
| Nessuna informazione disponibile, non ordinabile | ||||
| 750/20 | 1607950048 | |||
| Nessuna informazione disponibile, non ordinabile | ||||
| 750/30 | 1605703099 | |||
| Nessuna informazione disponibile, non ordinabile | ||||
| 750/40 | 1603340040 | |||
| Non più disponibile, nessuna sostituzione | ||||
| 751 | 1605510223 | |||
| SNELSPANMOER | ||||
| 752 | 1603340027 | 45.52 | 55.53 | |
| Flangia di bloccaggio rapido | ||||
| 752 | 1600A016PP | 41.30 | 50.39 | |
| Nessuna informazione disponibile, non ordinabile | ||||
| 763 | 1600793007 | |||
| Nessuna informazione disponibile, non ordinabile | ||||
| 764 | 1607950004 | |||
| Nessuna informazione disponibile, non ordinabile | ||||
| 803 | 1604011182 | |||
| Interruttore | ||||
| 804 | 1607000970 | 41.30 | 50.39 | |
| Cavo di alimentazione | ||||
| 805 | 1607000228 | 22.88 | 27.91 | |
| Targhetta | ||||
| 808 | 160111A3H3 | 2.18 | 2.66 | |
| KIT DI SERVIZIO 115V | ||||
| 810 | 1607014171 | 12.21 | 14.90 | |
| CUSCINETTO A SFERE OSC 18 | ||||
| 814 | 1600905023 | 10.68 | 13.03 | |
| PORTA-SPAZZOLA | ||||
| 816 | 1604336048 | 6.53 | 7.97 | |
| Carter del ingranaggio | ||||
| 821 | 1607000968 | 60.65 | 73.99 | |
| Non più disponibile, nessuna sostituzione | ||||
| 822 | 1607000985 | |||
| Gruppo di parti di servizio | ||||
| 826 | 1600A005BH | 45.52 | 55.53 | |
| Pulsante | ||||
| 840 | 1607000206 | 9.47 | 11.55 | |
| Rondella di ritenzione 1,8 MM DI SPESSORE | ||||
| 846 | 1607000C3E | 10.68 | 13.03 | |
| Manicotto ad ago AGC 18 | ||||
| 851 | 2600910001 | 3.71 | 4.53 | |