Qui troverai tutte le parti e i disegni disponibili di “Bosch 0601356903 ( GWS20-180 )”. Da qui puoi ordinare direttamente tutte le parti desiderate. Molte parti devono essere ordinate dal produttore, a seconda della marca, ciò richiede da una a quattro settimane. Tutte le informazioni che abbiamo sono sul nostro sito web, non possiamo consigliarti su ciò di cui hai bisogno, per questo dovrai restituire la macchina per la riparazione. Nota quanto segue al momento dell’ordinazione:
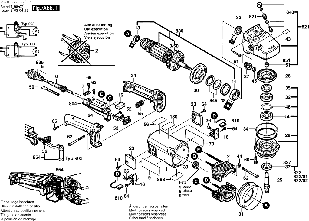
Disegni tecnici di Bosch 0601356903 ( GWS20-180 )
Elenco parti di Bosch 0601356903 ( GWS20-180 )
| Pos. | Descrizione | Prezzo IVA escl | Prezzo IVA incl | |
| I prezzi indicati sono comprensivi di IVA | ||||
| Non più disponibile, nessuna sostituzione | ||||
| 1 | 1605108144 | |||
| Campo 230V | ||||
| 2 | 1604220380 | 33.33 | 40.66 | |
| Ventola Sunon PMD2412PMB1-A | ||||
| 3/50 | 1606610127 | 2.52 | 3.07 | |
| OCCHIELLO | ||||
| 6 | 1600703022 | 2.52 | 3.07 | |
| OCCHIELLO | ||||
| 6 | 1600703023 | 2.18 | 2.66 | |
| Morsetto di fissaggio | ||||
| 7 | 1601302018 | 1.32 | 1.61 | |
| Targhetta del produttore GBH 2000 | ||||
| 9 | 1601118680 | 0.83 | 1.01 | |
| Filtro di interferenza TURBO II R1 ET-BG | ||||
| 12 | 1607328035 | 3.71 | 4.53 | |
| CUSCINETTO A SFERE OSC 18 | ||||
| 13 | 1600905011 | 5.27 | 6.43 | |
| Cuscinetto a sfere a gola 10x35x11 | ||||
| 14 | 1600905025 | 9.53 | 11.63 | |
| PORTA-SPAZZOLA | ||||
| 16 | 1604336021 | 2.52 | 3.07 | |
| COPERTURA | ||||
| 23 | 1605500150 | 3.04 | 3.71 | |
| Maniglia TSC 55 | ||||
| 24 | 1605132117 | 9.47 | 11.55 | |
| Mandrino di rettifica | ||||
| 25 | 1603523100 | 12.21 | 14.90 | |
| Non più disponibile, nessuna sostituzione | ||||
| 26 | 1606333618 | |||
| Ingranaggio Conico Z=17 | ||||
| 27 | 1606333237 | 26.84 | 32.74 | |
| Anello O | ||||
| 28 | 1600210033 | 1.32 | 1.61 | |
| Anello deflettore d'aria | ||||
| 30 | 1600591010 | 1.90 | 2.32 | |
| Anello deflettore d'aria | ||||
| 31 | 1600591011 | 1.32 | 1.61 | |
| Anello di bloccaggio | ||||
| 32 | 1600290019 | 1.32 | 1.61 | |
| Guarnizione labiale dell'albero rotante | ||||
| 33 | 1600290013 | 2.18 | 2.66 | |
| Rondella di compensazione | ||||
| 34 | 1600190021 | 2.18 | 2.66 | |
| Rondella di compensazione | ||||
| 34 | 1600190022 | 1.32 | 1.61 | |
| Rondella di compensazione | ||||
| 34 | 1600190020 | 1.32 | 1.61 | |
| Rondella in feltro D 20/14 2mm | ||||
| 35 | 1600205034 | 1.32 | 1.61 | |
| Molla a spirale AGC 18 | ||||
| 36 | 1604652015 | 2.52 | 3.07 | |
| Anello di tenuta | ||||
| 37 | 1600290036 | 1.90 | 2.32 | |
| Anello di gomma 7 MM DI LARGHEZZA | ||||
| 38 | 1600206020 | 1.32 | 1.61 | |
| Anello di gomma 10 MM DI LARGHEZZA | ||||
| 39 | 1600206030 | 1.32 | 1.61 | |
| Piastra di Riferimento | ||||
| 43 | 1601110470 | 1.00 | 1.22 | |
| Angolo di ritenzione TURBO II | ||||
| 44 | 1601334008 | 2.18 | 2.66 | |
| Dado esagonale | ||||
| 45 | 1603300019 | 1.32 | 1.61 | |
| Anello di bloccaggio | ||||
| 48 | 1600119010 | 1.32 | 1.61 | |
| CUSCINETTO A SFERE OSC 18 | ||||
| 50 | 3600905134 | 9.47 | 11.55 | |
| CUSCINETTO A MANICOTTO | ||||
| 51 | 1600200031 | 2.52 | 3.07 | |
| Cablaggio | ||||
| 52 | 1602388027 | 2.18 | 2.66 | |
| Custodia della Presa | ||||
| 53 | 1605190038 | 1.32 | 1.61 | |
| Mensola di stoccaggio NERO | ||||
| 55 | 1602388029 | 1.32 | 1.61 | |
| Piastra di Riferimento | ||||
| 56 | 1601110530 | 0.83 | 1.01 | |
| Vite formante a filettatura M6x25 MM | ||||
| 60 | 1603435023 | 1.90 | 2.32 | |
| Vite della piastra | ||||
| 61 | 2912401038 | 1.00 | 1.22 | |
| Vite della piastra | ||||
| 62 | 1603435024 | 1.32 | 1.61 | |
| Vite a testa cilindrica | ||||
| 63 | 1603410014 | 1.32 | 1.61 | |
| Vite per lamiera B4,8x107,5 MM | ||||
| 64 | 1603435042 | 1.32 | 1.61 | |
| Vite della piastra | ||||
| 65 | 2912401020 | 1.90 | 2.32 | |
| Vite della piastra | ||||
| 66 | 2910211019 | 1.00 | 1.22 | |
| Targhetta del produttore GBH 2000 | ||||
| 70 | 1601110551 | 1.18 | 1.44 | |
| Anello O | ||||
| 650/30/20 | 1600210039 | 1.90 | 2.32 | |
| Set Di Parti Ø180 MM | ||||
| 700 | 1607000250 | 0.83 | 1.01 | |
| Non più disponibile, nessuna sostituzione | ||||
| 700/10 | 1605510222 | |||
| Blocco di guida | ||||
| 700/20 | 1608135006 | 73.72 | 89.94 | |
| Nessuna informazione disponibile, non ordinabile | ||||
| 702 | 1605510179 | |||
| Connessione Ø32,3xØ34,9x75 MM | ||||
| 702/20 | 1600309009 | 15.71 | 19.17 | |
| Nessuna informazione disponibile, non ordinabile | ||||
| 703 | 1607000247 | |||
| Vite esagonale | ||||
| 703/11 | 2603450007 | 5.27 | 6.43 | |
| Non più disponibile, nessuna sostituzione | ||||
| 704 | 1605510181 | |||
| Non più disponibile, nessuna sostituzione | ||||
| 730 | 1608601006 | |||
| Nessuna informazione disponibile, non ordinabile | ||||
| 730/20 | 1603345004 | |||
| Nessuna informazione disponibile, non ordinabile | ||||
| 740 | 1601329013 | |||
| Nessuna informazione disponibile, non ordinabile | ||||
| 750/10 | 2602025075 | |||
| Vite esagonale | ||||
| 750/11 | 2603450007 | 5.27 | 6.43 | |
| Nessuna informazione disponibile, non ordinabile | ||||
| 750/20 | 1607950048 | |||
| Vite a Testa Rotonda DIN 603-M 8x25 | ||||
| 750/20/30 | 2910281244 | 1.18 | 1.44 | |
| BOTTONE | ||||
| 750/20/40 | 2915191007 | 3.04 | 3.71 | |
| Rondella piana | ||||
| 750/20/50 | 2600100041 | 1.32 | 1.61 | |
| Molla compressione | ||||
| 750/20/60 | 1604643003 | 5.96 | 7.27 | |
| Nessuna informazione disponibile, non ordinabile | ||||
| 750/30 | 1605703099 | |||
| Nessuna informazione disponibile, non ordinabile | ||||
| 750/40 | 1603340040 | |||
| Non più disponibile, nessuna sostituzione | ||||
| 751 | 1605510222 | |||
| Nessuna informazione disponibile, non ordinabile | ||||
| 764 | 1607950004 | |||
| SNELSPANMOER | ||||
| 770 | 1603340027 | 45.52 | 55.53 | |
| Flangia di bloccaggio rapido | ||||
| 770 | 1600A016PP | 41.30 | 50.39 | |
| Interruttore | ||||
| 804 | 1607200105 | 50.23 | 61.28 | |
| KIT DI SERVIZIO 115V | ||||
| 810 | 1607014171 | 12.21 | 14.90 | |
| Carter del ingranaggio | ||||
| 821 | 1605805592 | 82.63 | 100.81 | |
| Non più disponibile, nessuna sostituzione | ||||
| 822 | 1607000986 | |||
| Flangia Del Cuscinetto Ø180 MM NERO | ||||
| 822/01 | 1607000931 | 29.75 | 36.30 | |
| Flangia Del Cuscinetto Ø180 MM ARGENTO | ||||
| 822/02 | 1607000921 | 40.61 | 49.54 | |
| STATORE 230V | ||||
| 830 | 1604011145 | 113.29 | 138.21 | |
| Cavo di alimentazione | ||||
| 835 | 1607000228 | 22.88 | 27.91 | |
| Anello di tenuta | ||||
| 837 | 1600290020 | 1.32 | 1.61 | |
| Pulsante | ||||
| 840 | 1607000206 | 9.47 | 11.55 | |
| Rondella di ritenzione 1,8 MM DI SPESSORE | ||||
| 846 | 1607000342 | 3.04 | 3.71 | |
| Manicotto ad ago AGC 18 | ||||
| 851 | 2600910001 | 3.71 | 4.53 | |
| Non più disponibile, nessuna sostituzione | ||||
| 854 | 1607000926 | |||
| Targhetta | ||||
| 888 | 160111A3H3 | 2.18 | 2.66 | |