Qui troverai tutte le parti e i disegni disponibili di “Bosch 3601JH9002 ( GWS18V-7 )”. Da qui puoi ordinare direttamente tutte le parti desiderate. Molte parti devono essere ordinate dal produttore, a seconda della marca, ciò richiede da una a quattro settimane. Tutte le informazioni che abbiamo sono sul nostro sito web, non possiamo consigliarti su ciò di cui hai bisogno, per questo dovrai restituire la macchina per la riparazione. Nota quanto segue al momento dell’ordinazione:
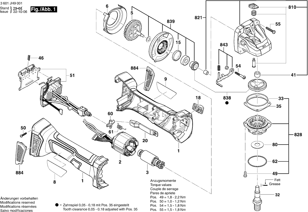
Disegni tecnici di Bosch 3601JH9002 ( GWS18V-7 )
Elenco parti di Bosch 3601JH9002 ( GWS18V-7 )
| Pos. | Descrizione | Prezzo IVA escl | Prezzo IVA incl | |
| I prezzi indicati sono comprensivi di IVA | ||||
| Custodia del motore | ||||
| 1 | 1619P15044 | 9.47 | 11.55 | |
| STATORE | ||||
| 2 | 1600A01A6N | 26.62 | 32.48 | |
| ROTATORE | ||||
| 3 | 1600A01A6S | 30.08 | 36.70 | |
| Ventola Sunon PMD2412PMB1-A | ||||
| 5 | 1619P15054 | 1.32 | 1.61 | |
| Anello deflettore d'aria | ||||
| 6 | 1600591065 | 2.18 | 2.66 | |
| Anello deflettore d'aria | ||||
| 6 | 1619P16509 | 1.32 | 1.61 | |
| Targhetta | ||||
| 8 | 1619P17298 | 2.18 | 2.66 | |
| Targhetta del produttore GBH 2000 | ||||
| 9 | 1619P15780 | 2.18 | 2.66 | |
| Anello di gomma 10 MM DI LARGHEZZA | ||||
| 15 | 1600206025 | 1.90 | 2.32 | |
| Maniglia Dell'interruttore | ||||
| 18 | 1619P15338 | 1.32 | 1.61 | |
| Scivolo di regolazione | ||||
| 20 | 1619P15050 | 1.00 | 1.22 | |
| Mandrino di rettifica | ||||
| 32 | 1619P06419 | 9.47 | 11.55 | |
| Anello O | ||||
| 33 | 1619P02820 | 1.32 | 1.61 | |
| Rondella di compensazione | ||||
| 35 | 1619P02822 | 1.32 | 1.61 | |
| Rondella di compensazione | ||||
| 35 | 1619P02821 | 1.00 | 1.22 | |
| CUSCINETTO A MANICOTTO | ||||
| 41 | 1600200029 | 3.71 | 4.53 | |
| Molla compressione | ||||
| 46 | 1609280477 | 1.32 | 1.61 | |
| Vite formante a filettatura M6x25 MM | ||||
| 49 | 1619P11118 | 1.32 | 1.61 | |
| Modulo elettronico | ||||
| 51 | 1600A01NC3 | 75.38 | 91.96 | |
| Vite a testa ovale Torx 4x30 | ||||
| 54 | 2603490025 | 1.00 | 1.22 | |
| Vite a testa ovale Torx 4x30 | ||||
| 55 | 1619P01066 | 1.00 | 1.22 | |
| Vite formante a filettatura M6x25 MM | ||||
| 58 | 1603435075 | 1.90 | 2.32 | |
| Leva di trasferimento inversa | ||||
| 60 | 1619P15795 | 1.00 | 1.22 | |
| Molla di torsione TSF 55 | ||||
| 61 | 1619P15806 | 1.00 | 1.22 | |
| Anello O | ||||
| 62 | 1600210038 | 2.18 | 2.66 | |
| Disco di copertura | ||||
| 80 | 1619P09390 | 1.90 | 2.32 | |
| Fermaglio | ||||
| 82 | 1602002014 | 2.52 | 3.07 | |
| Maniglia ausiliaria M10 | ||||
| 650/1 | 1619P10681 | 3.04 | 3.71 | |
| Maniglia ausiliaria M10 | ||||
| 650/1 | 1619P16111 | 2.52 | 3.07 | |
| Dado rotondo | ||||
| 650/2 | 1603345043 | 7.32 | 8.93 | |
| Chiave a faccia di tipo pin | ||||
| 650/30 | 1619P08927 | 3.71 | 4.53 | |
| Flangia di serraggio | ||||
| 650/5 | 2605703014 | 4.58 | 5.59 | |
| Coperchio Protettivo Ø125 MM ARGENTO | ||||
| 651 | 1619P14539 | 9.47 | 11.55 | |
| Coperchio Protettivo Ø115 MM ARGENTO | ||||
| 651 | 1619P14538 | 8.48 | 10.35 | |
| Caricabatterie UK | ||||
| 652 | 2607225921 | 114.26 | 139.40 | |
| Caricabatterie Veloce CN GAL 1230 CV 220/12 V | ||||
| 652 | 2607226251 | 75.38 | 91.96 | |
| Pacco Batteria | ||||
| 653 | 1607A350M0 | 102.63 | 125.21 | |
| Pacchetto di batterie BBS MR 18V, 4,0Ah, 47 S | ||||
| 653 | 2607336815 | 91.56 | 111.70 | |
| Pulsante | ||||
| 810 | 1619P16236 | 3.71 | 4.53 | |
| Carter del ingranaggio | ||||
| 821 | 1619P16237 | 13.90 | 16.96 | |
| Flangia del cuscinetto HKC 55 | ||||
| 828 | 1619P11094 | 12.21 | 14.90 | |
| Unità a Ingranaggi | ||||
| 838 | 1619P16240 | 9.47 | 11.55 | |
| Albero per ruote coniche | ||||
| 839 | 1619P16234 | 17.60 | 21.47 | |
| Leva di arresto | ||||
| 843 | 1619P11076 | 15.61 | 19.04 | |
| Unità Filtro | ||||
| 884 | 1607000CA9 | 9.47 | 11.55 | |
| Tubo di Grasso 45 ml | ||||
| 894 | 1615430020 | 17.60 | 21.47 | |
| Tubo di Grasso 45 ml | ||||
| 895 | 1605430003 | 33.33 | 40.66 | |