Qui troverai tutte le parti e i disegni disponibili di “Bosch 3601JJ4002 ( GWS18V-10 )”. Da qui puoi ordinare direttamente tutte le parti desiderate. Molte parti devono essere ordinate dal produttore, a seconda della marca, ciò richiede da una a quattro settimane. Tutte le informazioni che abbiamo sono sul nostro sito web, non possiamo consigliarti su ciò di cui hai bisogno, per questo dovrai restituire la macchina per la riparazione. Nota quanto segue al momento dell’ordinazione:
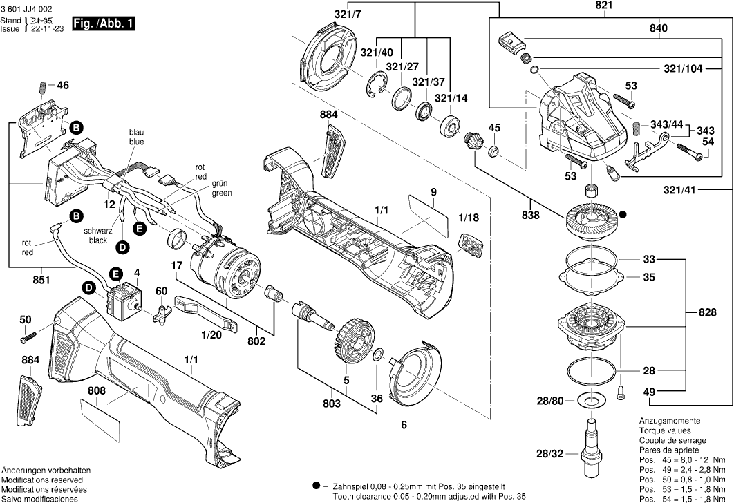
Disegni tecnici di Bosch 3601JJ4002 ( GWS18V-10 )
Elenco parti di Bosch 3601JJ4002 ( GWS18V-10 )
| Pos. | Descrizione | Prezzo IVA escl | Prezzo IVA incl | |
| I prezzi indicati sono comprensivi di IVA | ||||
| Custodia del motore | ||||
| 1 | 1619P15334 | 20.39 | 24.88 | |
| Custodia del motore | ||||
| 1/1 | 1619P15334 | 20.39 | 24.88 | |
| Maniglia Dell'interruttore | ||||
| 1/18 | 1619P15338 | 1.32 | 1.61 | |
| Scivolo di regolazione | ||||
| 1/20 | 1619P16511 | 1.00 | 1.22 | |
| Interruttore | ||||
| 4 | 2607202328 | 15.61 | 19.04 | |
| Ventola Sunon PMD2412PMB1-A | ||||
| 5 | 160661016E | 2.52 | 3.07 | |
| Ventola Sunon PMD2412PMB1-A | ||||
| 5 | 1619P16641 | 1.32 | 1.61 | |
| Anello deflettore d'aria | ||||
| 6 | 1600591065 | 2.18 | 2.66 | |
| Targhetta del produttore GBH 2000 | ||||
| 9 | 1619P15337 | 2.18 | 2.66 | |
| Ferrite CS 70 | ||||
| 12 | 1600A00RK2 | 1.90 | 2.32 | |
| Coperchio | ||||
| 17 | 1600100P12 | 1.32 | 1.61 | |
| Maniglia Dell'interruttore | ||||
| 18 | 1600A016PW | 1.00 | 1.22 | |
| Scivolo di regolazione | ||||
| 20 | 1600A00P14 | 1.32 | 1.61 | |
| Anello O | ||||
| 28 | 3600210109 | 1.90 | 2.32 | |
| Mandrino di rettifica | ||||
| 28/32 | 1619P06419 | 9.47 | 11.55 | |
| Disco di copertura | ||||
| 28/80 | 1619P09390 | 1.90 | 2.32 | |
| Mandrino di rettifica | ||||
| 32 | 1619P06419 | 9.47 | 11.55 | |
| Anello O | ||||
| 33 | 1600210035 | 1.32 | 1.61 | |
| Rondella di compensazione | ||||
| 35 | 1600136013 | 2.18 | 2.66 | |
| Rondella di compensazione | ||||
| 35 | 1600136014 | 2.18 | 2.66 | |
| Rondella di compensazione | ||||
| 35 | 1600136015 | 2.18 | 2.66 | |
| Rondella di bloccaggio | ||||
| 36 | 1610100023 | 1.00 | 1.22 | |
| Dado esagonale | ||||
| 45 | 1603300016 | 1.32 | 1.61 | |
| Dado esagonale | ||||
| 45 | 1619P17544 | 1.00 | 1.22 | |
| Molla compressione | ||||
| 46 | 1609280477 | 1.32 | 1.61 | |
| Vite formante a filettatura M6x25 MM | ||||
| 49 | 2914491410 | 1.00 | 1.22 | |
| Vite a brugola con testa piana | ||||
| 50 | 2609110201 | 1.90 | 2.32 | |
| Vite a testa ovale Torx 4x30 | ||||
| 53 | 1619P01066 | 1.00 | 1.22 | |
| Vite a testa ovale Torx 4x30 | ||||
| 54 | 2603490025 | 1.00 | 1.22 | |
| Leva di trasferimento inversa | ||||
| 60 | 1600A00P18 | 1.00 | 1.22 | |
| Disco di copertura | ||||
| 80 | 1619P09390 | 1.90 | 2.32 | |
| Anello O | ||||
| 321/104 | 1600210044 | 1.00 | 1.22 | |
| CUSCINETTO A SFERE OSC 18 | ||||
| 321/14 | 1619P09955 | 5.27 | 6.43 | |
| Anello di gomma 10 MM DI LARGHEZZA | ||||
| 321/27 | 1600206025 | 1.90 | 2.32 | |
| Supporto | ||||
| 321/37 | 1600A00P17 | 1.00 | 1.22 | |
| Anello di bloccaggio | ||||
| 321/40 | 1600119011 | 1.90 | 2.32 | |
| CUSCINETTO A MANICOTTO | ||||
| 321/41 | 1600200029 | 3.71 | 4.53 | |
| Distributore Dell'aria | ||||
| 321/7 | 1619P16508 | 9.47 | 11.55 | |
| Distributore Dell'aria | ||||
| 321/7 | 160059105N | 1.90 | 2.32 | |
| Leva di arresto | ||||
| 343 | 1607000742 | 6.53 | 7.97 | |
| Molla compressione | ||||
| 343/44 | 1604611042 | 1.32 | 1.61 | |
| Maniglia ausiliaria M10 | ||||
| 650/1 | 1619P10681 | 3.04 | 3.71 | |
| Mandrino senza chiave | ||||
| 650/2 | 1600A016DN | 12.21 | 14.90 | |
| Flangia di serraggio | ||||
| 650/5 | 2605703014 | 4.58 | 5.59 | |
| Nessuna informazione disponibile, non ordinabile | ||||
| 650/5/2 | 1600210055 | |||
| Coperchio Protettivo | ||||
| 651 | 1600A025XR | 8.48 | 10.35 | |
| Caricabatterie UK | ||||
| 652 | 2607225921 | 114.26 | 139.40 | |
| Caricabatterie Veloce CN GAL 1230 CV 220/12 V | ||||
| 652 | 2607226251 | 75.38 | 91.96 | |
| Pacco Batteria | ||||
| 653 | 2607337069 | 114.26 | 139.40 | |
| Pacco Batteria | ||||
| 653 | 1607A350M0 | 102.63 | 125.21 | |
| Pacchetto di batterie BBS MR 18V, 4,0Ah, 47 S | ||||
| 653 | 2607336815 | 91.56 | 111.70 | |
| Motore | ||||
| 802 | 1607000CA4 | 102.63 | 125.21 | |
| Albero per ruote coniche | ||||
| 803 | 1607000CA5 | 10.68 | 13.03 | |
| Targhetta | ||||
| 808 | 1619P17297 | 2.18 | 2.66 | |
| Targhetta | ||||
| 808 | 1619P15470 | 2.18 | 2.66 | |
| Carter del ingranaggio | ||||
| 821 | 1607000CA6 | 37.50 | 45.75 | |
| Flangia del cuscinetto HKC 55 | ||||
| 828 | 1619P15775 | 9.47 | 11.55 | |
| Unità a Ingranaggi | ||||
| 838 | 1607000CA8 | 18.19 | 22.19 | |
| Pulsante | ||||
| 840 | 1607000V41 | 3.71 | 4.53 | |
| Modulo elettronico | ||||
| 851 | 1619P15493 | 114.26 | 139.40 | |
| Unità Filtro | ||||
| 884 | 1607000CA9 | 9.47 | 11.55 | |
| Tubo di Grasso 45 ml | ||||
| 894 | 1615430020 | 17.60 | 21.47 | |
| Tubo di Grasso 45 ml | ||||
| 895 | 1605430003 | 33.33 | 40.66 | |