Qui troverai tutte le parti e i disegni disponibili di “Bosch 0601589860 ( GST100BCE )”. Da qui puoi ordinare direttamente tutte le parti desiderate. Molte parti devono essere ordinate dal produttore, a seconda della marca, ciò richiede da una a quattro settimane. Tutte le informazioni che abbiamo sono sul nostro sito web, non possiamo consigliarti su ciò di cui hai bisogno, per questo dovrai restituire la macchina per la riparazione. Nota quanto segue al momento dell’ordinazione:
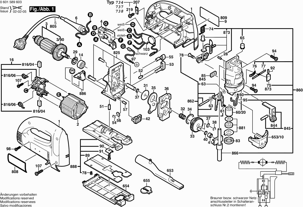
Disegni tecnici di Bosch 0601589860 ( GST100BCE )
Elenco parti di Bosch 0601589860 ( GST100BCE )
| Pos. | Descrizione | Prezzo IVA escl | Prezzo IVA incl | |
| I prezzi indicati sono comprensivi di IVA | ||||
| Sezione di alloggiamento BLU | ||||
| 1 | 2605104582 | 13.93 | 16.99 | |
| Campo 230V | ||||
| 2 | 2604220584 | 20.39 | 24.88 | |
| Non più disponibile, nessuna sostituzione | ||||
| 3 | 2604011115 | |||
| Ventola Sunon PMD2412PMB1-A | ||||
| 3/90 | 2606610089 | 4.58 | 5.59 | |
| Interruttore | ||||
| 4 | 2607200537 | 10.73 | 13.09 | |
| OCCHIELLO | ||||
| 6 | 2600703017 | 2.18 | 2.66 | |
| Targhetta del produttore GBH 2000 | ||||
| 9 | 2601116509 | 3.31 | 4.04 | |
| CUSCINETTO A SFERE OSC 18 | ||||
| 14 | 2600905095 | 10.68 | 13.03 | |
| Piastra della spazzola | ||||
| 16 | 2605807082 | 26.62 | 32.48 | |
| Indicatore DF 700 | ||||
| 28 | 1903201042 | 1.90 | 2.32 | |
| Anello di bloccaggio | ||||
| 29 | 2916660008 | 1.90 | 2.32 | |
| Rondella di compensazione | ||||
| 31 | 2600101048 | 1.32 | 1.61 | |
| Assemblea di aghi rotanti | ||||
| 32 | 2600913040 | 5.27 | 6.43 | |
| Ruota dentata eccentrica | ||||
| 33 | 2606320101 | 26.62 | 32.48 | |
| Rondella Di Compensazione 0,5 MM | ||||
| 34 | 2600102614 | 0.83 | 1.01 | |
| Leva a forcella | ||||
| 35 | 2601923010 | 1.90 | 2.32 | |
| Contrappeso | ||||
| 36 | 2601098032 | 12.21 | 14.90 | |
| Rondella di compensazione | ||||
| 37 | 2600101047 | 1.32 | 1.61 | |
| Anello di bloccaggio | ||||
| 38 | 2916080909 | 1.00 | 1.22 | |
| Anello intermedio | ||||
| 40 | 2600200038 | 1.00 | 1.22 | |
| Manicotto ad ago AGC 18 | ||||
| 41 | 2600917900 | 7.32 | 8.93 | |
| Eliminatore d'Aria | ||||
| 42 | 2602305048 | 1.18 | 1.44 | |
| Bullone di cuscinetto | ||||
| 51 | 2603105053 | 1.00 | 1.22 | |
| Cappuccio a cricchetto | ||||
| 52 | 2600590006 | 1.32 | 1.61 | |
| Pulsante rotativo D34 M6/8T blu | ||||
| 53 | 2602026063 | 2.18 | 2.66 | |
| Anello di bloccaggio | ||||
| 54 | 2916080908 | 1.00 | 1.22 | |
| Pulsante rotativo D34 M6/8T blu | ||||
| 55 | 2602026065 | 1.90 | 2.32 | |
| Rondella di compensazione | ||||
| 56 | 2600100607 | 1.32 | 1.61 | |
| Spina Cilindrica | ||||
| 57 | 2603100069 | 1.32 | 1.61 | |
| Coperchio dell'ingranaggio | ||||
| 60 | 2605808081 | 40.61 | 49.54 | |
| CUSCINETTO | ||||
| 60/20 | 2600301037 | 1.32 | 1.61 | |
| Molla compressione | ||||
| 61 | 2604610042 | 1.32 | 1.61 | |
| Rondella di compensazione | ||||
| 63 | 2600101095 | 1.32 | 1.61 | |
| Disco di tenuta | ||||
| 65 | 2601015064 | 1.32 | 1.61 | |
| Molla di torsione TSF 55 | ||||
| 74 | 2604651011 | 2.52 | 3.07 | |
| Cappuccio Maniglia | ||||
| 75 | 2600591010 | 2.18 | 2.66 | |
| Disco di tenuta | ||||
| 76 | 2601015065 | 1.32 | 1.61 | |
| Piastra di copertura | ||||
| 77 | 2601016079 | 4.58 | 5.59 | |
| Vite formante a filettatura M6x25 MM | ||||
| 78 | 2603421014 | 1.32 | 1.61 | |
| Anello di bloccaggio | ||||
| 83 | 2600202037 | 1.90 | 2.32 | |
| Piastra di tenuta | ||||
| 85 | 2601015057 | 2.52 | 3.07 | |
| Non più disponibile, nessuna sostituzione | ||||
| 89 | 2601098082 | |||
| Bead profilato | ||||
| 90 | 2601030022 | 2.18 | 2.66 | |
| Vite a brugola | ||||
| 91 | 2910141197 | 1.00 | 1.22 | |
| Perno di serraggio | ||||
| 92 | 2917760034 | 1.00 | 1.22 | |
| Vite formante a filettatura M6x25 MM | ||||
| 94 | 2603410049 | 1.32 | 1.61 | |
| Copertura Protettiva | ||||
| 95 | 2603101046 | 1.32 | 1.61 | |
| Conduttore di terra | ||||
| 97 | 2604448210 | 1.32 | 1.61 | |
| Vite a testa ovale Torx 4x30 | ||||
| 98 | 2603490018 | 1.00 | 1.22 | |
| Non più disponibile, nessuna sostituzione | ||||
| 103 | 2607230069 | |||
| Vite a testa ovale Torx 4x30 | ||||
| 107 | 2603490024 | 1.32 | 1.61 | |
| Non più disponibile, nessuna sostituzione | ||||
| 653 | 2605730038 | |||
| Non più disponibile, nessuna sostituzione | ||||
| 653/10 | 2605510159 | |||
| Non più disponibile, nessuna sostituzione | ||||
| 654 | 2608000184 | |||
| Protettore Contro la Scheggiatura | ||||
| 655 | 2601016065 | 4.58 | 5.59 | |
| Cavo di alimentazione | ||||
| 805 | 1607000386 | 17.60 | 21.47 | |
| Piastra di Riferimento | ||||
| 808 | 2601116164 | 0.83 | 1.01 | |
| Non più disponibile, nessuna sostituzione | ||||
| 816/04 | 2604320914 | |||
| Molla a spirale AGC 18 | ||||
| 816/06 | 1604652013 | 1.32 | 1.61 | |
| Carter del ingranaggio | ||||
| 825 | 2605806896 | 45.52 | 55.53 | |
| Non più disponibile, nessuna sostituzione | ||||
| 844 | 2600326904 | |||
| Non più disponibile, nessuna sostituzione | ||||
| 845 | 2601321904 | |||
| Coperchio dell'ingranaggio | ||||
| 860 | 2605808927 | 130.32 | 158.99 | |
| Staffe Guida | ||||
| 862 | 2601322900 | 10.73 | 13.09 | |
| Non più disponibile, nessuna sostituzione | ||||
| 866 | 2600780911 | |||
| Non più disponibile, nessuna sostituzione | ||||
| 873 | 2601990906 | |||
| Non più disponibile, nessuna sostituzione | ||||
| 881 | 2600290902 | |||
| Coperchio del ventilatore BLU | ||||
| 886 | 2605500908 | 1.70 | 2.07 | |
| Non più disponibile, nessuna sostituzione | ||||
| 888 | 2608000920 | |||