Qui troverai tutte le parti e i disegni disponibili di “Bosch 3601B92901 ( GSS280AVE )”. Da qui puoi ordinare direttamente tutte le parti desiderate. Molte parti devono essere ordinate dal produttore, a seconda della marca, ciò richiede da una a quattro settimane. Tutte le informazioni che abbiamo sono sul nostro sito web, non possiamo consigliarti su ciò di cui hai bisogno, per questo dovrai restituire la macchina per la riparazione. Nota quanto segue al momento dell’ordinazione:
Disegni tecnici di Bosch 3601B92901 ( GSS280AVE )
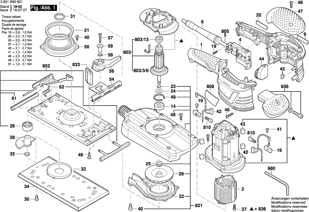
Elenco parti di Bosch 3601B92901 ( GSS280AVE )
| Pos. | Descrizione | Prezzo IVA escl | Prezzo IVA incl | |
| I prezzi indicati sono comprensivi di IVA | ||||
| Sezione di alloggiamento | ||||
| 1 | 2605105964 | 37.50 | 45.75 | |
| Campo 230V | ||||
| 2 | 2604220750 | 33.33 | 40.66 | |
| Interruttore | ||||
| 4 | 2607200688 | 13.90 | 16.96 | |
| OCCHIELLO | ||||
| 6 | 2600703017 | 2.18 | 2.66 | |
| Targhetta del produttore GBH 2000 | ||||
| 9 | 2601112338 | 2.18 | 2.66 | |
| CUSCINETTO A SFERE OSC 18 | ||||
| 14 | 1619P00290 | 5.96 | 7.27 | |
| PORTA-SPAZZOLA | ||||
| 16 | 2604337003 | 1.90 | 2.32 | |
| Vite a testa ovale Torx 4x30 | ||||
| 19 | 2603490017 | 1.90 | 2.32 | |
| Piastra di Riferimento | ||||
| 20 | 2601111477 | 2.18 | 2.66 | |
| Parte Di Aspirazione | ||||
| 22 | 2601328095 | 3.71 | 4.53 | |
| Anello di bloccaggio | ||||
| 23 | 2916640006 | 1.32 | 1.61 | |
| Disco di tenuta | ||||
| 24 | 2600590013 | 1.90 | 2.32 | |
| Rondella V | ||||
| 25 | 2600290030 | 2.52 | 3.07 | |
| CUSCINETTO A SFERE OSC 18 | ||||
| 26 | 3608872913 | 26.62 | 32.48 | |
| Eccentrico | ||||
| 28 | 2602210046 | 17.60 | 21.47 | |
| Ventola Sunon PMD2412PMB1-A | ||||
| 29 | 2606610086 | 7.32 | 8.93 | |
| Vite formante a filettatura M6x25 MM | ||||
| 30 | 2603410048 | 1.32 | 1.61 | |
| Anello di tenuta albero | ||||
| 31 | 2600290036 | 3.71 | 4.53 | |
| Coperchio di Sigillatura | ||||
| 32 | 2600500019 | 1.32 | 1.61 | |
| Piastra levigatrice | ||||
| 34 | 2600009020 | 45.52 | 55.53 | |
| Dado esagonale | ||||
| 35 | 2915051107 | 1.32 | 1.61 | |
| Vite della piastra | ||||
| 37 | 2603435086 | 1.32 | 1.61 | |
| Vite formante a filettatura M6x25 MM | ||||
| 40 | 2603435042 | 1.32 | 1.61 | |
| Vite a testa ovale Torx 4x30 | ||||
| 41 | 2603490017 | 1.90 | 2.32 | |
| Scatola di soppressione | ||||
| 42 | 2604465115 | 6.53 | 7.97 | |
| Elemento Di Smorzamento | ||||
| 43 | 2603203041 | 1.32 | 1.61 | |
| Regolatore di velocità | ||||
| 44 | 1607233556 | 37.50 | 45.75 | |
| Dado Quadro | ||||
| 45 | 2915121006 | 2.18 | 2.66 | |
| Vite a testa ovale Torx 4x30 | ||||
| 46 | 2603490023 | 1.00 | 1.22 | |
| Coperchio del alloggiamento VERDE | ||||
| 47 | 2605500208 | 9.53 | 11.63 | |
| Vite a testa ovale Torx 4x30 | ||||
| 48 | 2603490022 | 1.00 | 1.22 | |
| Spingitore | ||||
| 49 | 2601035002 | 1.90 | 2.32 | |
| Presad'aspirazione | ||||
| 50 | 2601328054 | 3.04 | 3.71 | |
| Striscia di feltro | ||||
| 51 | 2601005017 | 1.32 | 1.61 | |
| Morsetto KS 60 | ||||
| 54 | 2609200379 | 13.90 | 16.96 | |
| Leva KA 65 | ||||
| 56 | 2601901021 | 5.27 | 6.43 | |
| Vite formante a filettatura M6x25 MM | ||||
| 57 | 2603410051 | 1.00 | 1.22 | |
| Rondella elastica Ø27,5x38,4 MM | ||||
| 58 | 2600100713 | 1.00 | 1.22 | |
| Boccola di guida STM 1800 | ||||
| 59 | 2600499078 | 1.90 | 2.32 | |
| Barra di Pressione | ||||
| 61 | 2601014021 | 3.71 | 4.53 | |
| Molla a spirale | ||||
| 62 | 2604651029 | 2.52 | 3.07 | |
| Camera della polvere WH V2 JP | ||||
| 655 | 2605411234 | 91.33 | 111.42 | |
| Maniglia ausiliaria M10 | ||||
| 656 | 2602026175 | 13.90 | 16.96 | |
| Strumento di perforazione | ||||
| 657 | 2608190030 | 17.60 | 21.47 | |
| Cacciavite Spostato | ||||
| 680 | 1907950006 | 3.71 | 4.53 | |
| Chiave a brugola | ||||
| 680 | 2610364015 | 3.04 | 3.71 | |
| Indotto | ||||
| 803 | 2604011952 | 91.33 | 111.42 | |
| CUSCINETTO A SFERE OSC 18 | ||||
| 803/13 | 2600905086 | 5.27 | 6.43 | |
| Ventola Sunon PMD2412PMB1-A | ||||
| 803/3/6 | 2606610076 | 3.04 | 3.71 | |
| Cavo di alimentazione | ||||
| 805 | 1607000386 | 17.60 | 21.47 | |
| Targhetta | ||||
| 808 | 160111A340 | 2.18 | 2.66 | |
| Non più disponibile, nessuna sostituzione | ||||
| 810 | 1607014117 | |||
| Cappello di aspirazione | ||||
| 821 | 2605510904 | 61.93 | 75.55 | |
| Molla | ||||
| 833 | 2608005902 | 13.90 | 16.96 | |
| Custodia del motore | ||||
| 836 | 2605105966 | 22.88 | 27.91 | |
| Piastra Oscillante | ||||
| 852 | 2601099902 | 102.63 | 125.21 | |