Qui troverai tutte le parti e i disegni disponibili di “Bosch 0601934603 ( GSR9,6VES-1 )”. Da qui puoi ordinare direttamente tutte le parti desiderate. Molte parti devono essere ordinate dal produttore, a seconda della marca, ciò richiede da una a quattro settimane. Tutte le informazioni che abbiamo sono sul nostro sito web, non possiamo consigliarti su ciò di cui hai bisogno, per questo dovrai restituire la macchina per la riparazione. Nota quanto segue al momento dell’ordinazione:
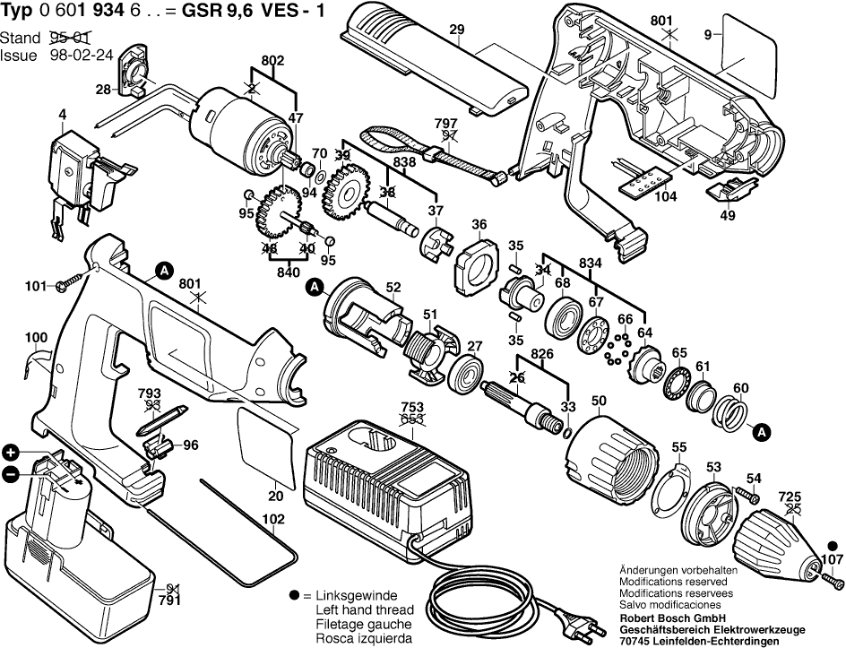
Disegni tecnici di Bosch 0601934603 ( GSR9,6VES-1 )
Elenco parti di Bosch 0601934603 ( GSR9,6VES-1 )
| Pos. | Descrizione | Prezzo IVA escl | Prezzo IVA incl | |
| I prezzi indicati sono comprensivi di IVA | ||||
| Non più disponibile, nessuna sostituzione | ||||
| 4 | 2607200309 | |||
| Targa del produttore LATO SOLE | ||||
| 9 | 2601118446 | 2.71 | 3.31 | |
| Piastra di riferimento LATO OMBRA | ||||
| 20 | 2601118447 | 2.71 | 3.31 | |
| CUSCINETTO A SFERE OSC 18 | ||||
| 27 | 1900905127 | 26.62 | 32.48 | |
| Inserto dell'adattatore NERO | ||||
| 28 | 2605719007 | 1.18 | 1.44 | |
| Pezzo di Inserimento NERO | ||||
| 29 | 2605510120 | 1.18 | 1.44 | |
| Anello di ritenzione | ||||
| 33 | 2604601004 | 1.32 | 1.61 | |
| RUOTA | ||||
| 35 | 2602329024 | 1.18 | 1.44 | |
| Anello di bloccaggio | ||||
| 36 | 2600202025 | 4.70 | 5.73 | |
| Conducente | ||||
| 37 | 2606440002 | 2.24 | 2.73 | |
| Rondella 8X21X1 | ||||
| 47 | 2606316112 | 3.71 | 4.53 | |
| Inserto SYS-ISC 240 | ||||
| 49 | 2605510117 | 1.32 | 1.61 | |
| Anello di Regolazione | ||||
| 50 | 2605190041 | 7.58 | 9.25 | |
| Pezzo di scorrimento FSK 670 | ||||
| 51 | 2608005044 | 3.31 | 4.04 | |
| Non più disponibile, nessuna sostituzione | ||||
| 52 | 2600499027 | |||
| MANICOTTO DI SERRAGGIO 3X10 | ||||
| 53 | 2608005045 | 2.71 | 3.31 | |
| Vite a testa ovale Torx 4x30 | ||||
| 54 | 2603490024 | 1.32 | 1.61 | |
| Disco Di Serraggio | ||||
| 55 | 2600190056 | 1.18 | 1.44 | |
| Non più disponibile, nessuna sostituzione | ||||
| 60 | 2604619004 | |||
| Non più disponibile, nessuna sostituzione | ||||
| 61 | 2607001126 | |||
| Metà di Accoppiamento | ||||
| 64 | 2606490047 | 4.70 | 5.73 | |
| Gabbia per sfera | ||||
| 65 | 2600923001 | 2.71 | 3.31 | |
| Palla | ||||
| 66 | 1903230007 | 1.32 | 1.61 | |
| Metà di Accoppiamento | ||||
| 67 | 2606436001 | 4.10 | 5.00 | |
| CUSCINETTO A SFERE OSC 18 | ||||
| 68 | 1900905122 | 8.48 | 10.35 | |
| Rondella di compensazione | ||||
| 70 | 2600100695 | 1.32 | 1.61 | |
| Boccola in Metallo Sinterizzato | ||||
| 94 | 2600301011 | 1.32 | 1.61 | |
| Boccola in Metallo Sinterizzato | ||||
| 95 | 2600302002 | 1.32 | 1.61 | |
| Supporto | ||||
| 96 | 2608040131 | 1.70 | 2.07 | |
| Molla di serraggio | ||||
| 100 | 2601322016 | 1.90 | 2.32 | |
| Vite della piastra | ||||
| 101 | 2912401420 | 1.00 | 1.22 | |
| Staffa di ritenuta | ||||
| 102 | 2601329041 | 1.32 | 1.61 | |
| Portacontatto | ||||
| 104 | 2608018004 | 5.27 | 6.43 | |
| Vite a svasatura M6x38/12(Ø10) FILETTATURA SINISTR | ||||
| 107 | 2603421218 | 1.94 | 2.37 | |
| Non più disponibile, nessuna sostituzione | ||||
| 725 | 2608572053 | |||
| Caricabatterie veloce EU 230/7,2-24V, 1h | ||||
| 753 | 2607224425 | 130.32 | 158.99 | |
| Caricabatterie Veloce EU 230/7,2-14,4V, 30 MIN. | ||||
| 753 | 2607224701 | 101.94 | 124.37 | |
| Pacco Batteria a Inserimento 9,6V, 1,5 Ah, NiCd | ||||
| 791 | 2607336143 | 101.94 | 124.37 | |
| Lama cacciavite 6 MM | ||||
| 793 | 2608521018 | 3.71 | 4.53 | |
| Non più disponibile, nessuna sostituzione | ||||
| 797 | 2601398009 | |||
| Coperchio del manico BLU | ||||
| 801 | 2605104851 | 13.93 | 16.99 | |
| Motore a corrente continua 9.6V | ||||
| 802 | 2607022918 | 29.75 | 36.30 | |
| Mandrino di perforazione 1/2" | ||||
| 826 | 2606309034 | 13.93 | 16.99 | |
| Eccentrico | ||||
| 834 | 2602210904 | 26.84 | 32.74 | |
| Asse intermedio | ||||
| 838 | 2606309923 | 15.71 | 19.17 | |
| Albero dentato Z=81 | ||||
| 840 | 2606308919 | 10.73 | 13.09 | |
| Nessuna informazione disponibile, non ordinabile | ||||
| 899 | 0601934627 | |||