Qui troverai tutte le parti e i disegni disponibili di “Bosch 06019486AE ( GSR9,6VE-2 )”. Da qui puoi ordinare direttamente tutte le parti desiderate. Molte parti devono essere ordinate dal produttore, a seconda della marca, ciò richiede da una a quattro settimane. Tutte le informazioni che abbiamo sono sul nostro sito web, non possiamo consigliarti su ciò di cui hai bisogno, per questo dovrai restituire la macchina per la riparazione. Nota quanto segue al momento dell’ordinazione:
Disegni tecnici di Bosch 06019486AE ( GSR9,6VE-2 )
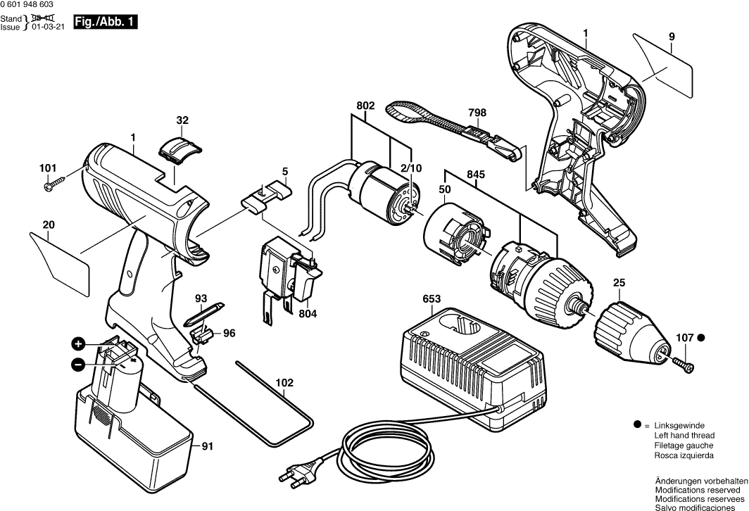
Elenco parti di Bosch 06019486AE ( GSR9,6VE-2 )
| Pos. | Descrizione | Prezzo IVA escl | Prezzo IVA incl | |
| I prezzi indicati sono comprensivi di IVA | ||||
| Sezione di alloggiamento BLU | ||||
| 1 | 2605104652 | 18.19 | 22.19 | |
| Rondella 8X21X1 | ||||
| 2/10 | 2606316182 | 1.32 | 1.61 | |
| Non più disponibile, nessuna sostituzione | ||||
| 5 | 2601099085 | |||
| Targa del produttore LATO SOLE | ||||
| 9 | 2601119746 | 3.31 | 4.04 | |
| Piastra di riferimento LATO OMBRA | ||||
| 20 | 2601119747 | 3.31 | 4.04 | |
| Mandrino senza chiave | ||||
| 25 | 2608572164 | 44.82 | 54.68 | |
| Non più disponibile, nessuna sostituzione | ||||
| 32 | 2601099086 | |||
| Flangia Intermedia | ||||
| 50 | 2605719027 | 2.18 | 2.66 | |
| Pacco Batteria Inseribile 9,6V, 2,6Ah,CS,NiMh | ||||
| 91 | 2607335229 | 187.62 | 228.90 | |
| Lama cacciavite 6 MM | ||||
| 93 | 2608521018 | 3.71 | 4.53 | |
| Supporto | ||||
| 96 | 2608040131 | 1.70 | 2.07 | |
| Vite a testa ovale Torx 4x30 | ||||
| 101 | 2603490018 | 1.00 | 1.22 | |
| Staffa di ritenuta | ||||
| 102 | 2601329041 | 1.32 | 1.61 | |
| Vite a testa svasata VN-HK 85 M5x10 | ||||
| 107 | 2603421229 | 1.32 | 1.61 | |
| Caricabatterie veloce EU 230/7,2-24V, 1h | ||||
| 653 | 2607224425 | 130.32 | 158.99 | |
| Caricabatterie Veloce EU 230/7,2-14,4V, 30 MIN. | ||||
| 653 | 2607224701 | 101.94 | 124.37 | |
| Non più disponibile, nessuna sostituzione | ||||
| 798 | 2601398009 | |||
| Motore a corrente continua 9.6V | ||||
| 802 | 2607022969 | 49.56 | 60.46 | |
| Interruttore on-off | ||||
| 804 | 2607200421 | 50.23 | 61.28 | |
| Ingranaggio Planetario | ||||
| 845 | 2606200908 | 60.65 | 73.99 | |
| Nessuna informazione disponibile, non ordinabile | ||||
| 899 | 0601948627 | |||