Qui troverai tutte le parti e i disegni disponibili di “Bosch 3601D40303 ( GSR6-45TE )”. Da qui puoi ordinare direttamente tutte le parti desiderate. Molte parti devono essere ordinate dal produttore, a seconda della marca, ciò richiede da una a quattro settimane. Tutte le informazioni che abbiamo sono sul nostro sito web, non possiamo consigliarti su ciò di cui hai bisogno, per questo dovrai restituire la macchina per la riparazione. Nota quanto segue al momento dell’ordinazione:
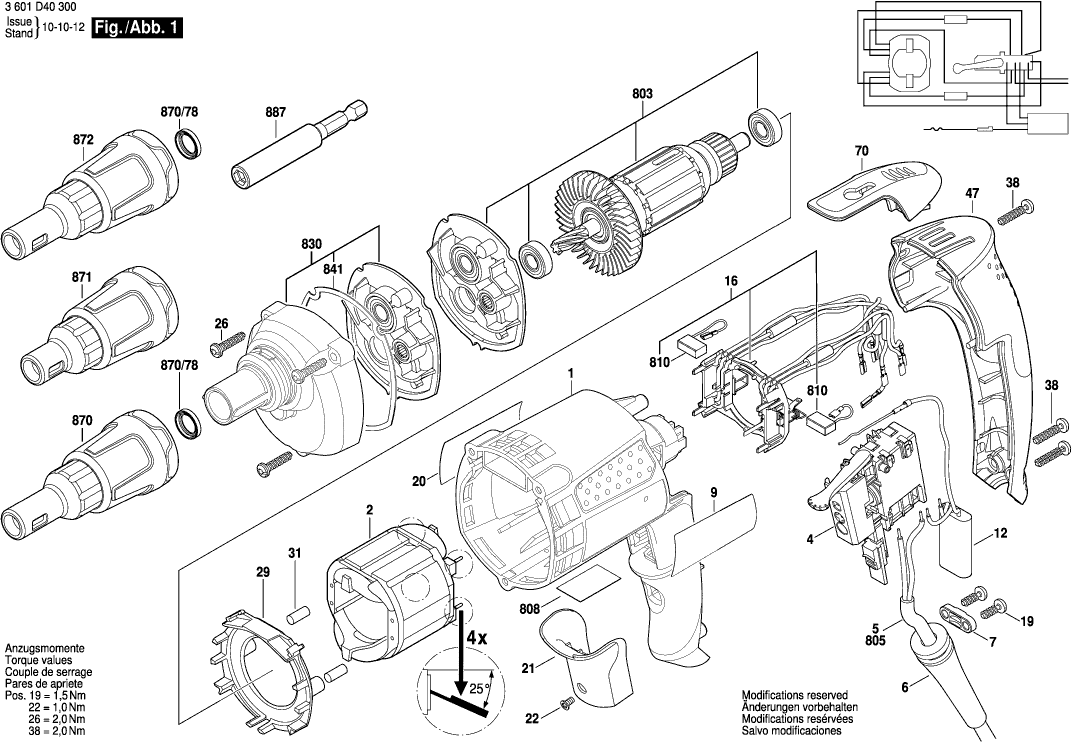
Disegni tecnici di Bosch 3601D40303 ( GSR6-45TE )
Elenco parti di Bosch 3601D40303 ( GSR6-45TE )
| Pos. | Descrizione | Prezzo IVA escl | Prezzo IVA incl | |
| I prezzi indicati sono comprensivi di IVA | ||||
| Custodia del motore | ||||
| 1 | 2605108083 | 26.62 | 32.48 | |
| Campo 230V | ||||
| 2 | 2604220456 | 15.61 | 19.04 | |
| Interruttore | ||||
| 4 | 2607200638 | 41.30 | 50.39 | |
| OCCHIELLO | ||||
| 6 | 2600703017 | 2.18 | 2.66 | |
| Morsetto del cavo | ||||
| 7 | 2601035004 | 1.90 | 2.32 | |
| Targhetta del produttore GBH 2000 | ||||
| 9 | 2601115057 | 2.18 | 2.66 | |
| Filtro di interferenza TURBO II R1 ET-BG | ||||
| 12 | 2607329151 | 7.32 | 8.93 | |
| Piastra della spazzola | ||||
| 16 | 2605807124 | 15.61 | 19.04 | |
| Vite a testa ovale Torx 4x30 | ||||
| 19 | 2603490021 | 1.00 | 1.22 | |
| Piastra di Riferimento | ||||
| 20 | 2601115265 | 2.18 | 2.66 | |
| Coperchio dell'interruttore | ||||
| 21 | 2605500196 | 2.18 | 2.66 | |
| Vite a testa svasata VN-HK 85 M5x10 | ||||
| 22 | 2910541050 | 1.00 | 1.22 | |
| Vite a testa ovale Torx 4x30 | ||||
| 26 | 2603490024 | 1.32 | 1.61 | |
| Disco di copertura | ||||
| 29 | 2601328078 | 2.52 | 3.07 | |
| Paracolpi in gomma | ||||
| 31 | 2602391004 | 1.90 | 2.32 | |
| Vite a testa ovale Torx 4x30 | ||||
| 38 | 2603490023 | 1.00 | 1.22 | |
| Coperchio del alloggiamento VERDE | ||||
| 47 | 2605132061 | 11.02 | 13.44 | |
| Clip portacintura | ||||
| 70 | 2601329113 | 4.58 | 5.59 | |
| Indotto | ||||
| 803 | 2604011926 | 67.98 | 82.94 | |
| Cavo di alimentazione | ||||
| 805 | 1607000386 | 17.60 | 21.47 | |
| Piastra di tipo HK 85 EB 230V | ||||
| 808 | 2601115553 | 2.18 | 2.66 | |
| KIT DI SERVIZIO 115V | ||||
| 810 | 2604321943 | 8.48 | 10.35 | |
| Unità a Ingranaggi | ||||
| 830 | 2606200209 | 82.63 | 100.81 | |
| Disco di tenuta | ||||
| 841 | 2601015097 | 3.04 | 3.71 | |
| Fermo di profondità TSF 55 EBQ | ||||
| 870 | 2602025165 | 10.68 | 13.03 | |
| Anello di tenuta | ||||
| 870/78 | 3600290502 | 3.04 | 3.71 | |
| Fermo di profondità TSF 55 EBQ | ||||
| 871 | 2602025166 | 10.68 | 13.03 | |
| Fermo di profondità TSF 55 EBQ | ||||
| 872 | 2602025167 | 10.68 | 13.03 | |
| Frizione dell'utensile | ||||
| 887 | 3603008500 | 12.21 | 14.90 | |