Qui troverai tutte le parti e i disegni disponibili di “Bosch 0601997555 ( GSR12VPE-2 )”. Da qui puoi ordinare direttamente tutte le parti desiderate. Molte parti devono essere ordinate dal produttore, a seconda della marca, ciò richiede da una a quattro settimane. Tutte le informazioni che abbiamo sono sul nostro sito web, non possiamo consigliarti su ciò di cui hai bisogno, per questo dovrai restituire la macchina per la riparazione. Nota quanto segue al momento dell’ordinazione:
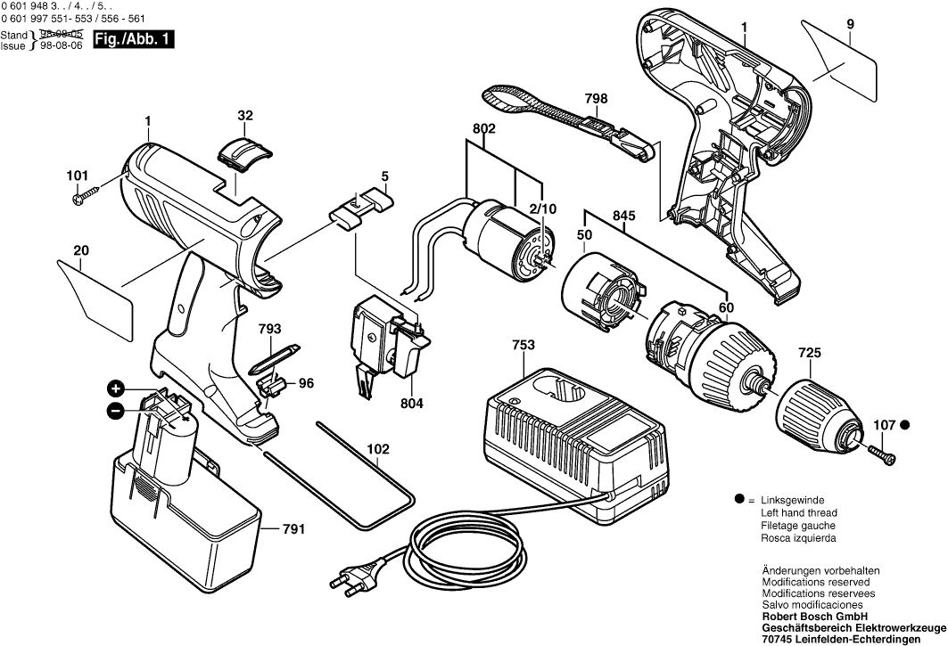
Disegni tecnici di Bosch 0601997555 ( GSR12VPE-2 )
Elenco parti di Bosch 0601997555 ( GSR12VPE-2 )
| Pos. | Descrizione | Prezzo IVA escl | Prezzo IVA incl | |
| I prezzi indicati sono comprensivi di IVA | ||||
| Sezione di alloggiamento BLU | ||||
| 1 | 2605104587 | 13.93 | 16.99 | |
| Rondella 8X21X1 | ||||
| 2/10 | 2606316182 | 1.32 | 1.61 | |
| Scivolo di regolazione | ||||
| 5 | 2601099082 | 1.00 | 1.22 | |
| Targa del produttore LATO SOLE | ||||
| 9 | 2601117101 | 2.71 | 3.31 | |
| Piastra di riferimento LATO OMBRA | ||||
| 20 | 2601117102 | 2.71 | 3.31 | |
| Scorrevole Di Regolazione NERO | ||||
| 32 | 2601099078 | 1.18 | 1.44 | |
| Flangia Intermedia | ||||
| 50 | 2605719027 | 2.18 | 2.66 | |
| Anello di regolazione ARGENTO | ||||
| 60 | 2605190224 | 8.45 | 10.31 | |
| Supporto | ||||
| 96 | 2608040131 | 1.70 | 2.07 | |
| Vite a testa ovale Torx 4x30 | ||||
| 101 | 2603490018 | 1.00 | 1.22 | |
| Staffa di ritenuta | ||||
| 102 | 2601329041 | 1.32 | 1.61 | |
| Vite a testa svasata VN-HK 85 M5x10 | ||||
| 107 | 2603421229 | 1.32 | 1.61 | |
| Mandrino senza chiave | ||||
| 725 | 2608572164 | 44.82 | 54.68 | |
| Caricabatterie veloce EU 230/7,2-24V, 1h | ||||
| 753 | 2607224425 | 130.32 | 158.99 | |
| Caricabatterie Veloce EU 230/7,2-14,4V, 30 MIN. | ||||
| 753 | 2607224701 | 101.94 | 124.37 | |
| Pacco Accu Inseribile 12V,2,0Ah,NiMh | ||||
| 791 | 2607335243 | 168.86 | 206.01 | |
| Lama cacciavite 6 MM | ||||
| 793 | 2608521018 | 3.71 | 4.53 | |
| Non più disponibile, nessuna sostituzione | ||||
| 798 | 2601398009 | |||
| Motore a corrente continua 12V | ||||
| 802 | 2607022964 | 40.61 | 49.54 | |
| Interruttore on-off | ||||
| 804 | 2607200353 | 49.56 | 60.46 | |
| Ingranaggio Planetario ARGENTO | ||||
| 845 | 2606200912 | 67.25 | 82.04 | |