Qui troverai tutte le parti e i disegni disponibili di “Bosch 0601184351 ( GSB680PROFI )”. Da qui puoi ordinare direttamente tutte le parti desiderate. Molte parti devono essere ordinate dal produttore, a seconda della marca, ciò richiede da una a quattro settimane. Tutte le informazioni che abbiamo sono sul nostro sito web, non possiamo consigliarti su ciò di cui hai bisogno, per questo dovrai restituire la macchina per la riparazione. Nota quanto segue al momento dell’ordinazione:
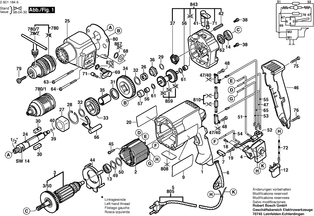
Disegni tecnici di Bosch 0601184351 ( GSB680PROFI )
Elenco parti di Bosch 0601184351 ( GSB680PROFI )
| Pos. | Descrizione | Prezzo IVA escl | Prezzo IVA incl | |
| I prezzi indicati sono comprensivi di IVA | ||||
| Custodia del motore | ||||
| 1 | 2605104653 | 12.21 | 14.90 | |
| Campo 230V | ||||
| 2 | 1604220254 | 20.39 | 24.88 | |
| Indotto | ||||
| 3 | 2604011222 | 45.52 | 55.53 | |
| Ventola Sunon PMD2412PMB1-A | ||||
| 3/50 | 2606610029 | 2.18 | 2.66 | |
| Non più disponibile, nessuna sostituzione | ||||
| 4 | 2607200209 | |||
| Cavo di alimentazione | ||||
| 5 | 1604460312 | 8.48 | 10.35 | |
| OCCHIELLO | ||||
| 6 | 2600707059 | 3.04 | 3.71 | |
| OCCHIELLO | ||||
| 6 | 2600707060 | 2.18 | 2.66 | |
| Morsetto del cavo | ||||
| 7 | 2601035001 | 1.32 | 1.61 | |
| Targhetta del produttore GBH 2000 | ||||
| 9 | 1619P00811 | 2.18 | 2.66 | |
| Non più disponibile, nessuna sostituzione | ||||
| 12 | 2607329114 | |||
| CUSCINETTO A SFERE OSC 18 | ||||
| 13 | 1900905018 | 15.61 | 19.04 | |
| CUSCINETTO A SFERE OSC 18 | ||||
| 14 | 1619P02417 | 5.96 | 7.27 | |
| Vite a testa cilindrica | ||||
| 18 | 2603410001 | 1.32 | 1.61 | |
| VITE C M4X35 | ||||
| 19 | 1619P00029 | 1.00 | 1.22 | |
| Piastra di Riferimento | ||||
| 20 | 2601117095 | 3.04 | 3.71 | |
| Mandrino di Perforazione | ||||
| 24 | 2606135086 | 13.90 | 16.96 | |
| Carter del ingranaggio | ||||
| 25 | 2605806422 | 13.90 | 16.96 | |
| Molla compressione | ||||
| 26 | 2604616006 | 1.32 | 1.61 | |
| Boccola in Metallo Sinterizzato | ||||
| 27 | 2600301031 | 3.71 | 4.53 | |
| Anello di bloccaggio | ||||
| 28 | 2916650008 | 1.32 | 1.61 | |
| Rondella di compensazione | ||||
| 29 | 2600101047 | 1.32 | 1.61 | |
| Chiave Piana | ||||
| 30 | 2602300034 | 1.94 | 2.37 | |
| Rondella di ritenzione 1,8 MM DI SPESSORE | ||||
| 31 | 2600101084 | 1.32 | 1.61 | |
| Rondella di compensazione | ||||
| 32 | 2600101515 | 1.00 | 1.22 | |
| Ingranaggio Cilindrico | ||||
| 33 | 2606317083 | 9.47 | 11.55 | |
| Ingranaggio Cilindrico | ||||
| 34 | 2606317082 | 10.73 | 13.09 | |
| PIASTRA DI SUPPORTO | ||||
| 35 | 2601098031 | 1.32 | 1.61 | |
| Rondella di ritenzione 1,8 MM DI SPESSORE | ||||
| 36 | 2600190070 | 5.27 | 6.43 | |
| Rondella di ritenzione 1,8 MM DI SPESSORE | ||||
| 37 | 2600190071 | 5.96 | 7.27 | |
| Vite formante a filettatura M6x25 MM | ||||
| 38 | 2603410048 | 1.32 | 1.61 | |
| Rondella di regolazione 0,4 MM DI SPESSORE | ||||
| 39 | 2600000012 | 1.00 | 1.22 | |
| Rondella di regolazione 0,4 MM DI SPESSORE | ||||
| 39 | 2600000014 | 1.00 | 1.22 | |
| Palla | ||||
| 40 | 1903230010 | 1.00 | 1.22 | |
| Pulsante Rotante NERO | ||||
| 41 | 2602026072 | 6.54 | 7.98 | |
| Perno di serraggio | ||||
| 42 | 2917780101 | 1.00 | 1.22 | |
| Non più disponibile, nessuna sostituzione | ||||
| 44 | 2601328033 | |||
| Vite a testa ovale Torx 4x30 | ||||
| 45 | 1619P00220 | 1.00 | 1.22 | |
| Coperchio del alloggiamento VERDE | ||||
| 46 | 2605132051 | 6.53 | 7.97 | |
| PORTA-SPAZZOLA | ||||
| 47/40 | 2604337003 | 1.90 | 2.32 | |
| Vite a testa ovale Torx 4x30 | ||||
| 48 | 1619P00220 | 1.00 | 1.22 | |
| Rondella di compensazione | ||||
| 49 | 2600150004 | 1.90 | 2.32 | |
| Rondella di regolazione 0,4 MM DI SPESSORE | ||||
| 50 | 2600101027 | 1.32 | 1.61 | |
| Rondella di regolazione 0,4 MM DI SPESSORE | ||||
| 50 | 2600101665 | 1.32 | 1.61 | |
| Rondella di regolazione 0,4 MM DI SPESSORE | ||||
| 50 | 2600101667 | 1.32 | 1.61 | |
| Cavo Elettrico | ||||
| 51 | 2604448005 | 1.32 | 1.61 | |
| Non più disponibile, nessuna sostituzione | ||||
| 52 | 2607200216 | |||
| Cavo di giunzione MX 1200/2 E EF | ||||
| 53 | 2604448100 | 1.00 | 1.22 | |
| Cavo di giunzione MX 1200/2 E EF | ||||
| 54 | 2604448146 | 1.32 | 1.61 | |
| Nessuna informazione disponibile, non ordinabile | ||||
| 55 | 2604448254 | |||
| Manicotto ad ago AGC 18 | ||||
| 56 | 2600914010 | 2.52 | 3.07 | |
| Manicotto del cuscinetto | ||||
| 57 | 2600400027 | 3.71 | 4.53 | |
| Rondella di compensazione | ||||
| 61 | 2600100607 | 1.32 | 1.61 | |
| Rondella a tazza | ||||
| 62 | 2600500002 | 1.32 | 1.61 | |
| Non più disponibile, nessuna sostituzione | ||||
| 63 | 2603435070 | |||
| Non più disponibile, nessuna sostituzione | ||||
| 64 | 2603435071 | |||
| Scivolo di regolazione | ||||
| 66 | 2602033011 | 3.04 | 3.71 | |
| Rondella di regolazione 0,4 MM DI SPESSORE | ||||
| 68 | 2600100618 | 1.00 | 1.22 | |
| Non più disponibile, nessuna sostituzione | ||||
| 69 | 2602026038 | |||
| Cappuccio a cricchetto | ||||
| 71 | 2600590006 | 1.32 | 1.61 | |
| Conduttore di terra | ||||
| 72 | 2604448097 | 1.32 | 1.61 | |
| Filtro di interferenza TURBO II R1 ET-BG | ||||
| 73 | 2604465097 | 5.27 | 6.43 | |
| VITE C M4X35 | ||||
| 75 | 1619P00106 | 1.00 | 1.22 | |
| Vite a testa ovale Torx 4x30 | ||||
| 76 | 1619P00105 | 1.32 | 1.61 | |
| Filtro di interferenza TURBO II R1 ET-BG | ||||
| 77 | 2604465086 | 5.27 | 6.43 | |
| Vite a testa svasata VN-HK 85 M5x10 | ||||
| 79 | 2603421226 | 1.32 | 1.61 | |
| Guarnizione | ||||
| 80 | 2601073012 | 1.00 | 1.22 | |
| Non più disponibile, nessuna sostituzione | ||||
| 753 | 1612025031 | |||
| Dado esagonale | ||||
| 753/20 | 2915011007 | 1.00 | 1.22 | |
| Vite ad ali | ||||
| 753/30 | 1613480007 | 1.32 | 1.61 | |
| Non più disponibile, nessuna sostituzione | ||||
| 753/50 | 2608040014 | |||
| Vite ad ali | ||||
| 753/60 | 1613480008 | 1.32 | 1.61 | |
| Non più disponibile, nessuna sostituzione | ||||
| 754 | 1613001005 | |||
| Mandrino senza chiave | ||||
| 780/1 | 2608572106 | 91.33 | 111.42 | |
| KIT DI SERVIZIO 115V | ||||
| 810 | 2604321905 | 9.47 | 11.55 | |
| Flangia Intermedia | ||||
| 843 | 2605700941 | 36.85 | 44.96 | |
| Non più disponibile, nessuna sostituzione | ||||
| 859 | 2606309931 | |||
| Anello di bloccaggio | ||||
| 867 | 2916080007 | 2.18 | 2.66 | |
| Set di pezzi | ||||
| 870 | 2607010226 | 1.18 | 1.44 | |