Qui troverai tutte le parti e i disegni disponibili di “Bosch 0601930520 ( GSB12VE )”. Da qui puoi ordinare direttamente tutte le parti desiderate. Molte parti devono essere ordinate dal produttore, a seconda della marca, ciò richiede da una a quattro settimane. Tutte le informazioni che abbiamo sono sul nostro sito web, non possiamo consigliarti su ciò di cui hai bisogno, per questo dovrai restituire la macchina per la riparazione. Nota quanto segue al momento dell’ordinazione:
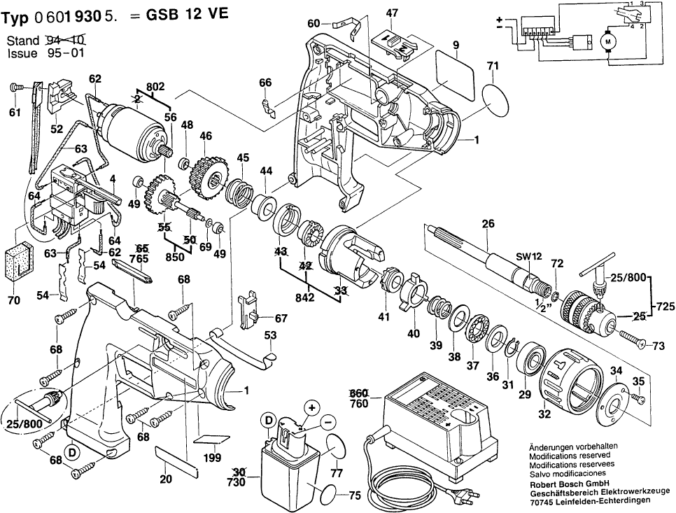
Disegni tecnici di Bosch 0601930520 ( GSB12VE )
Elenco parti di Bosch 0601930520 ( GSB12VE )
| Pos. | Descrizione | Prezzo IVA escl | Prezzo IVA incl | |
| I prezzi indicati sono comprensivi di IVA | ||||
| Sezione di alloggiamento BLU | ||||
| 1 | 2605104355 | 15.71 | 19.17 | |
| Interruttore on-off | ||||
| 4 | 2607200302 | 45.52 | 55.53 | |
| Adesivo LATO SOLE | ||||
| 9 | 2601118092 | 1.70 | 2.07 | |
| Adesivo | ||||
| 20 | 2601110606 | 1.18 | 1.44 | |
| MANDRINO DI PERFORAZIONE 1/2",SW 11,1/4" | ||||
| 26 | 2606135031 | 23.75 | 28.98 | |
| CUSCINETTO A SFERE OSC 18 | ||||
| 29 | 1900905122 | 8.48 | 10.35 | |
| Anello di bloccaggio | ||||
| 31 | 2916650006 | 1.32 | 1.61 | |
| Anello di Regolazione | ||||
| 32 | 2600451001 | 11.88 | 14.49 | |
| Rondella di ritenzione 1,8 MM DI SPESSORE | ||||
| 34 | 2600190048 | 1.18 | 1.44 | |
| Vite filettata DIN 7500 C M 3x8 MM | ||||
| 35 | 2603490003 | 1.18 | 1.44 | |
| Anello del Cuscinetto | ||||
| 36 | 2600190049 | 8.45 | 10.31 | |
| Gabbia per sfera | ||||
| 37 | 2600923001 | 2.71 | 3.31 | |
| Rondella di compensazione | ||||
| 38 | 2600101668 | 2.52 | 3.07 | |
| Molla compressione | ||||
| 39 | 2604617000 | 2.18 | 2.66 | |
| Anello di riserva | ||||
| 40 | 2600290021 | 4.70 | 5.73 | |
| Disco A Griglia | ||||
| 41 | 2606490049 | 10.73 | 13.09 | |
| Percussore | ||||
| 44 | 2600322045 | 3.31 | 4.04 | |
| Molla compressione | ||||
| 45 | 2604618000 | 1.94 | 2.37 | |
| Set di ingranaggi | ||||
| 46 | 1609340007 | 12.21 | 14.90 | |
| Scorrevole Di Regolazione NERO | ||||
| 47 | 2601099027 | 1.18 | 1.44 | |
| Boccola in Metallo Sinterizzato | ||||
| 48 | 2600301011 | 1.32 | 1.61 | |
| Boccola in Metallo Sinterizzato | ||||
| 49 | 2600302002 | 1.32 | 1.61 | |
| Dissipatore di calore DUO 110 | ||||
| 52 | 2605715000 | 3.31 | 4.04 | |
| Non più disponibile, nessuna sostituzione | ||||
| 53 | 2601251003 | |||
| Molla di contatto | ||||
| 54 | 2601324012 | 1.32 | 1.61 | |
| Pignone Z=14 | ||||
| 56 | 2606316120 | 5.83 | 7.11 | |
| Non più disponibile, nessuna sostituzione | ||||
| 60 | 2601250003 | |||
| Vite di grasso AW 10 3x25 | ||||
| 61 | 2910641050 | 1.00 | 1.22 | |
| Cavo Di Connessione L=52 MM BIANCO | ||||
| 63 | 2604413005 | 1.18 | 1.44 | |
| Cavo Di Connessione L=79 MM BIANCO | ||||
| 64 | 2604413004 | 1.18 | 1.44 | |
| MOLLA DI RITENZIONE OSC 18 | ||||
| 66 | 2601250002 | 1.18 | 1.44 | |
| Leva di Bloccaggio 36,5 MM | ||||
| 67 | 2601099026 | 1.18 | 1.44 | |
| Vite a testa ovale Torx 4x30 | ||||
| 68 | 2603490022 | 1.00 | 1.22 | |
| Rondella di compensazione 0,3 MM DI SPESSORE | ||||
| 69 | 2600100636 | 1.18 | 1.44 | |
| Non più disponibile, nessuna sostituzione | ||||
| 70 | 2601010038 | |||
| Adesivo GIALLO | ||||
| 71 | 2601110230 | 1.18 | 1.44 | |
| Anello di ritenzione | ||||
| 72 | 2604601004 | 1.32 | 1.61 | |
| Vite a testa svasata VN-HK 85 M5x10 | ||||
| 73 | 2603421229 | 1.32 | 1.61 | |
| Piastra di Riferimento | ||||
| 75 | 2601118023 | 0.83 | 1.01 | |
| Mandrino senza chiave Ø 2-13 MM,1/2 | ||||
| 725 | 2608572088 | 44.82 | 54.68 | |
| Non più disponibile, nessuna sostituzione | ||||
| 730 | 2607335021 | |||
| Caricabatterie veloce EU 230/7,2-24V, 1h | ||||
| 760 | 2607224425 | 130.32 | 158.99 | |
| Caricabatterie Veloce EU 230/7,2-14,4V, 30 MIN. | ||||
| 760 | 2607224701 | 101.94 | 124.37 | |
| Lama cacciavite 6 MM | ||||
| 765 | 1609200147 | 3.04 | 3.71 | |
| Motore DC 9,6-12V | ||||
| 802 | 2607022921 | 29.75 | 36.30 | |
| Disco Di Serraggio | ||||
| 842 | 2606490915 | 26.84 | 32.74 | |
| Albero Dentato Z= 10/19/63 | ||||
| 850 | 2606308914 | 15.71 | 19.17 | |
| Nessuna informazione disponibile, non ordinabile | ||||
| 899 | 0601930520 | |||