Qui troverai tutte le parti e i disegni disponibili di “Bosch 0602904001 ( GR./SIZE77 )”. Da qui puoi ordinare direttamente tutte le parti desiderate. Molte parti devono essere ordinate dal produttore, a seconda della marca, ciò richiede da una a quattro settimane. Tutte le informazioni che abbiamo sono sul nostro sito web, non possiamo consigliarti su ciò di cui hai bisogno, per questo dovrai restituire la macchina per la riparazione. Nota quanto segue al momento dell’ordinazione:
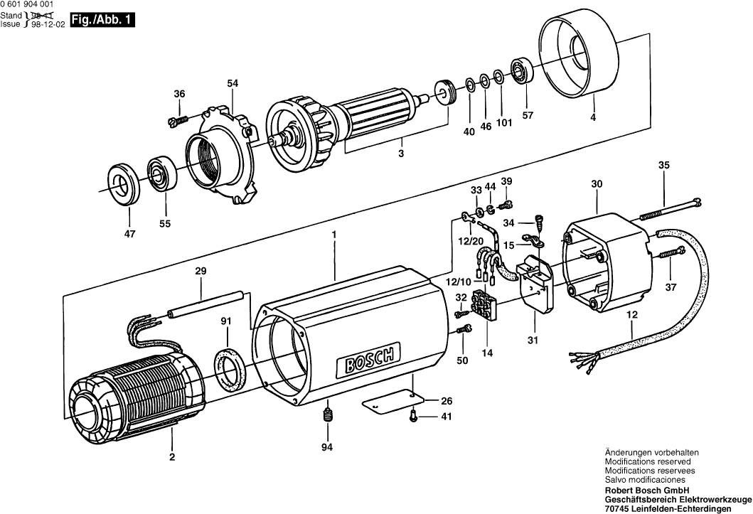
Disegni tecnici di Bosch 0602904001 ( GR./SIZE77 )
Elenco parti di Bosch 0602904001 ( GR./SIZE77 )
| Pos. | Descrizione | Prezzo IVA escl | Prezzo IVA incl | |
| I prezzi indicati sono comprensivi di IVA | ||||
| Custodia del motore | ||||
| 1 | 3605102081 | 166.62 | 203.28 | |
| ROTATORE | ||||
| 3 | 3604080010 | 271.34 | 331.03 | |
| Anello deflettore d'aria | ||||
| 4 | 1600209002 | 4.58 | 5.59 | |
| Cavo Elettrico Con Connessione | ||||
| 12 | 3604462055 | 23.75 | 28.98 | |
| Listello di Terminali a Presa | ||||
| 14 | 1901091110 | 1.32 | 1.61 | |
| Ghiandola del cavo avvitata | ||||
| 15 | 3603386007 | 4.10 | 5.00 | |
| Nessuna informazione disponibile, non ordinabile | ||||
| 26 | 1601106002 | |||
| Cappuccio di sigillatura | ||||
| 30 | 1605500097 | 91.56 | 111.70 | |
| Piastra di Connessione | ||||
| 31 | 3602309001 | 5.33 | 6.50 | |
| Vite della piastra | ||||
| 32 | 2910211007 | 1.32 | 1.61 | |
| Rondella piana DIN 46 255-DPG 9 | ||||
| 33 | 2916010409 | 0.83 | 1.01 | |
| Vite a testa cilindrica DIN 84-BM5x55-5.8 | ||||
| 35 | 2910011176 | 0.83 | 1.01 | |
| Non più disponibile, nessuna sostituzione | ||||
| 36 | 2910011157 | |||
| Vite per Lamiera DIN 7971-BZ3,5x19 | ||||
| 37 | 2910211013 | 0.83 | 1.01 | |
| Vite a testa cilindrica | ||||
| 39 | 2910110120 | 1.00 | 1.22 | |
| Rondella di compensazione | ||||
| 40 | 1600100632 | 1.00 | 1.22 | |
| Chiodo scanalato | ||||
| 41 | 3603133001 | 2.18 | 2.66 | |
| Rondella di compensazione 0,10 MM DI SPICCIOLO | ||||
| 46 | 1420100023 | 1.18 | 1.44 | |
| Disco di arresto | ||||
| 47 | 3600102013 | 18.19 | 22.19 | |
| Cuscinetto intermedio | ||||
| 54 | 3605700097 | 130.32 | 158.99 | |
| CUSCINETTO A SFERE OSC 18 | ||||
| 55 | 3600900022 | 18.19 | 22.19 | |
| CUSCINETTO A SFERE OSC 18 | ||||
| 57 | 1900905018 | 15.61 | 19.04 | |
| Anello di tenuta | ||||
| 91 | 1600209004 | 2.52 | 3.07 | |
| ASTA FILETTATA | ||||
| 94 | 1603402002 | 1.32 | 1.61 | |
| Rondella di compensazione 0,05 MM DI SPESSORE | ||||
| 101 | 1600100601 | 1.18 | 1.44 | |