Qui troverai tutte le parti e i disegni disponibili di “Bosch 0602905001 ( GR./SIZE44 )”. Da qui puoi ordinare direttamente tutte le parti desiderate. Molte parti devono essere ordinate dal produttore, a seconda della marca, ciò richiede da una a quattro settimane. Tutte le informazioni che abbiamo sono sul nostro sito web, non possiamo consigliarti su ciò di cui hai bisogno, per questo dovrai restituire la macchina per la riparazione. Nota quanto segue al momento dell’ordinazione:
Disegni tecnici di Bosch 0602905001 ( GR./SIZE44 )
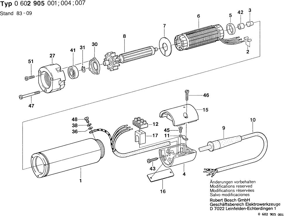
Elenco parti di Bosch 0602905001 ( GR./SIZE44 )
| Pos. | Descrizione | Prezzo IVA escl | Prezzo IVA incl | |
| I prezzi indicati sono comprensivi di IVA | ||||
| Custodia del motore | ||||
| 1 | 3605102048 | 113.29 | 138.21 | |
| Terminale A 0,5-6 DIN 46 228 | ||||
| 2 | 1900452000 | 0.83 | 1.01 | |
| Feltro Lubrificante | ||||
| 3 | 1603212000 | 1.18 | 1.44 | |
| Cassa dell'interruttore | ||||
| 4 | 3605130031 | 11.02 | 13.44 | |
| Rondella in feltro D 20/14 2mm | ||||
| 5 | 1600205026 | 2.18 | 2.66 | |
| Anello deflettore d'aria | ||||
| 7 | 1600117001 | 1.90 | 2.32 | |
| Rotore Senza Avvolgimento | ||||
| 8 | 3604080014 | 304.19 | 371.11 | |
| Non più disponibile, nessuna sostituzione | ||||
| 9 | 1600703012 | |||
| Cavo Elettrico Con Connessione | ||||
| 10 | 3604462060 | 26.84 | 32.74 | |
| Morsetto di fissaggio | ||||
| 11 | 1601302001 | 1.32 | 1.61 | |
| Morsetto a Listello | ||||
| 12 | 1901091014 | 3.31 | 4.04 | |
| Coperchio del alloggiamento VERDE | ||||
| 15 | 3605130033 | 8.45 | 10.31 | |
| Targhetta | ||||
| 16 | 3601106054 | 4.58 | 5.59 | |
| Piastra di Connessione | ||||
| 17 | 3602305008 | 2.24 | 2.73 | |
| Cuscinetto intermedio | ||||
| 27 | 3605700098 | 130.32 | 158.99 | |
| Rondella elastica | ||||
| 30 | 3600190004 | 23.75 | 28.98 | |
| Anello di bloccaggio | ||||
| 31 | 2916640006 | 1.32 | 1.61 | |
| Staffa di serraggio | ||||
| 36 | 3601321002 | 3.31 | 4.04 | |
| Rondella elastica Ø27,5x38,4 MM | ||||
| 38 | 3600150009 | 2.52 | 3.07 | |
| CUSCINETTO A SFERE OSC 18 | ||||
| 41 | 1900905017 | 22.88 | 27.91 | |
| Boccola In Metallo Sinterizzato J4G7x8R6x6DIN1850 | ||||
| 42 | 1900301003 | 4.70 | 5.73 | |
| Vite della piastra | ||||
| 43 | 2910211025 | 1.32 | 1.61 | |
| Vite a testa cilindrica | ||||
| 45 | 2910011048 | 1.32 | 1.61 | |
| Vite a testa cilindrica | ||||
| 46 | 2910021054 | 1.00 | 1.22 | |
| Vite a testa cilindrica | ||||
| 47 | 2910021062 | 1.00 | 1.22 | |
| Vite a testa cilindrica | ||||
| 48 | 2910110050 | 1.00 | 1.22 | |
| Nessuna informazione disponibile, non ordinabile | ||||
| 51 | 2910011054 | |||