Qui troverai tutte le parti e i disegni disponibili di “Bosch 0601614608 ( GOF900CE )”. Da qui puoi ordinare direttamente tutte le parti desiderate. Molte parti devono essere ordinate dal produttore, a seconda della marca, ciò richiede da una a quattro settimane. Tutte le informazioni che abbiamo sono sul nostro sito web, non possiamo consigliarti su ciò di cui hai bisogno, per questo dovrai restituire la macchina per la riparazione. Nota quanto segue al momento dell’ordinazione:
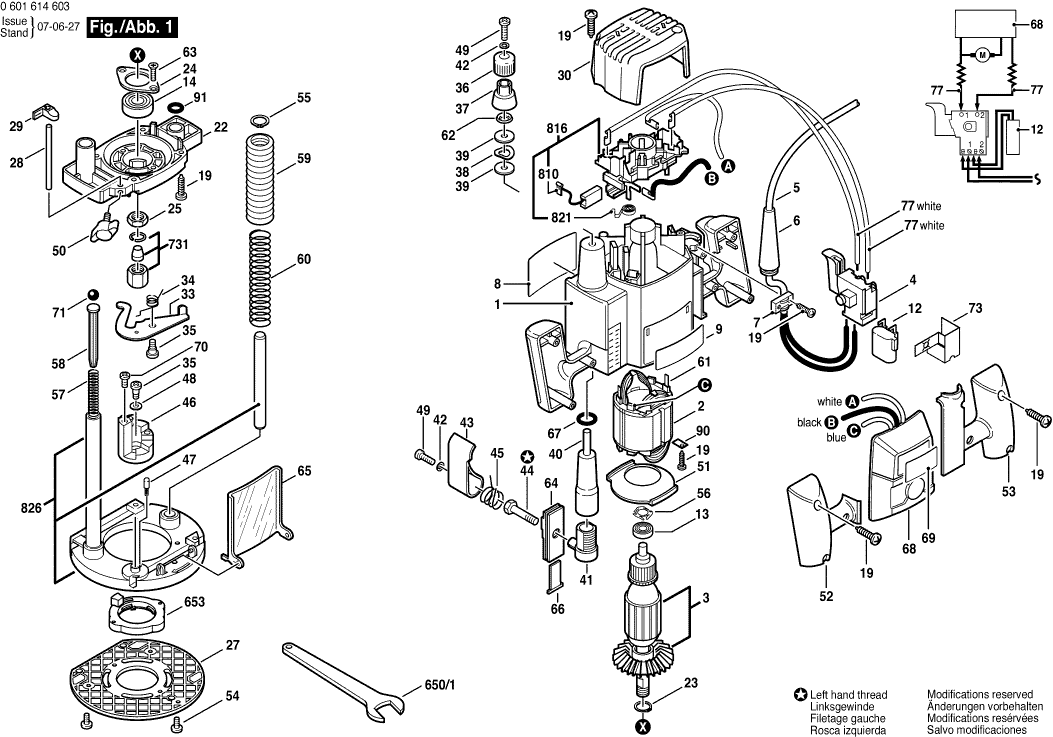
Disegni tecnici di Bosch 0601614608 ( GOF900CE )
Elenco parti di Bosch 0601614608 ( GOF900CE )
| Pos. | Descrizione | Prezzo IVA escl | Prezzo IVA incl | |
| I prezzi indicati sono comprensivi di IVA | ||||
| Custodia del motore | ||||
| 1 | 3605108581 | 22.88 | 27.91 | |
| Campo 230V | ||||
| 2 | 1604220343 | 33.33 | 40.66 | |
| Indotto 230-240V | ||||
| 3 | 3604010501 | 130.32 | 158.99 | |
| Non più disponibile, nessuna sostituzione | ||||
| 4 | 2607200251 | |||
| Cavo di alimentazione | ||||
| 5 | 3604460557 | 41.30 | 50.39 | |
| Non più disponibile, nessuna sostituzione | ||||
| 6 | 3600703509 | |||
| Morsetto del cavo | ||||
| 7 | 2601035001 | 1.32 | 1.61 | |
| Targhetta del produttore GBH 2000 | ||||
| 8 | 2610907712 | 2.71 | 3.31 | |
| Piastra di Riferimento | ||||
| 9 | 2610998945 | 1.00 | 1.22 | |
| Non più disponibile, nessuna sostituzione | ||||
| 12 | 1617328025 | |||
| CUSCINETTO A SFERE OSC 18 | ||||
| 13 | 2610913173 | 11.02 | 13.44 | |
| CUSCINETTO A SFERE OSC 18 | ||||
| 14 | 3600905510 | 4.58 | 5.59 | |
| Non più disponibile, nessuna sostituzione | ||||
| 19 | 2610910566 | |||
| Cassetta del rivestimento DUO 110 - Set | ||||
| 22 | 2610997103 | 45.52 | 55.53 | |
| Anello di bloccaggio | ||||
| 23 | 2916650006 | 1.32 | 1.61 | |
| Piastra di Ritenzione | ||||
| 24 | 3600034505 | 3.04 | 3.71 | |
| Dado esagonale | ||||
| 25 | 3603300501 | 3.71 | 4.53 | |
| Piastra di copertura | ||||
| 27 | 2610997099 | 17.60 | 21.47 | |
| Asta | ||||
| 28 | 2610997093 | 5.27 | 6.43 | |
| Non più disponibile, nessuna sostituzione | ||||
| 29 | 2610997094 | |||
| Coperchio del alloggiamento VERDE | ||||
| 30 | 3605500595 | 6.53 | 7.97 | |
| Piastra Oscillante | ||||
| 33 | 3601021509 | 7.32 | 8.93 | |
| Molla di torsione TSF 55 | ||||
| 34 | 3604651502 | 1.32 | 1.61 | |
| Vite a testa cilindrica | ||||
| 35 | 3603415556 | 1.90 | 2.32 | |
| PULSANTE | ||||
| 36 | 3603231539 | 1.32 | 1.61 | |
| Anello indicatore | ||||
| 37 | 3600209500 | 3.04 | 3.71 | |
| Rondella elastica Ø27,5x38,4 MM | ||||
| 38 | 3600100528 | 1.00 | 1.22 | |
| Disco | ||||
| 39 | 3600100527 | 1.90 | 2.32 | |
| Non più disponibile, nessuna sostituzione | ||||
| 40 | 3600360507 | |||
| Pezzo di bloccaggio | ||||
| 41 | 3600400507 | 2.52 | 3.07 | |
| Rondella elastica | ||||
| 42 | 2916690003 | 1.00 | 1.22 | |
| Leva di Bloccaggio | ||||
| 43 | 3602000510 | 2.18 | 2.66 | |
| Non più disponibile, nessuna sostituzione | ||||
| 44 | 3603450503 | |||
| Molla compressione | ||||
| 45 | 3604651503 | 1.90 | 2.32 | |
| Fermo di profondità TSF 55 EBQ | ||||
| 46 | 2610997191 | 10.68 | 13.03 | |
| Cappuccio a cricchetto | ||||
| 47 | 2600590006 | 1.32 | 1.61 | |
| Rondella elastica Ø27,5x38,4 MM | ||||
| 48 | 3916060500 | 1.00 | 1.22 | |
| Vite di grasso AW 10 3x25 | ||||
| 49 | 2910641122 | 1.90 | 2.32 | |
| Vite ad ali | ||||
| 50 | 1613480009 | 1.32 | 1.61 | |
| Anello deflettore d'aria | ||||
| 51 | 3600590507 | 1.94 | 2.37 | |
| Piastra di maniglia | ||||
| 52 | 3605133526 | 6.53 | 7.97 | |
| Piastra di maniglia | ||||
| 53 | 3605133528 | 8.48 | 10.35 | |
| Non più disponibile, nessuna sostituzione | ||||
| 54 | 2610915161 | |||
| Anello di bloccaggio | ||||
| 55 | 2916650003 | 1.32 | 1.61 | |
| Non più disponibile, nessuna sostituzione | ||||
| 56 | 2610992432 | |||
| Non più disponibile, nessuna sostituzione | ||||
| 57 | 3604613508 | |||
| Non più disponibile, nessuna sostituzione | ||||
| 58 | 3603120502 | |||
| Pieghe a soffietto | ||||
| 59 | 2610990698 | 8.48 | 10.35 | |
| Non più disponibile, nessuna sostituzione | ||||
| 60 | 2610997100 | |||
| Terminale a lamella | ||||
| 61 | 1604477005 | 2.18 | 2.66 | |
| Anello di bloccaggio | ||||
| 62 | 3604680502 | 1.32 | 1.61 | |
| Non più disponibile, nessuna sostituzione | ||||
| 63 | 2910871122 | |||
| Non più disponibile, nessuna sostituzione | ||||
| 64 | 3601010519 | |||
| Non più disponibile, nessuna sostituzione | ||||
| 65 | 2610912599 | |||
| Inserto SYS-ISC 240 | ||||
| 66 | 3601010517 | 1.90 | 2.32 | |
| Anello O | ||||
| 67 | 3600210507 | 1.32 | 1.61 | |
| Regolatore di velocità | ||||
| 68 | 3607233501 | 114.26 | 139.40 | |
| Targhetta | ||||
| 69 | 2610912471 | 2.18 | 2.66 | |
| Vite a testa cilindrica | ||||
| 70 | 3603410504 | 1.90 | 2.32 | |
| Palla | ||||
| 71 | 1903230007 | 1.32 | 1.61 | |
| Non più disponibile, nessuna sostituzione | ||||
| 73 | 2610996090 | |||
| Cavo di connessione | ||||
| 77 | 2610945936 | 1.00 | 1.22 | |
| Rondella Con Linguetta | ||||
| 90 | 1601030022 | 1.32 | 1.61 | |
| Anello O | ||||
| 91 | 1610210233 | 2.52 | 3.07 | |
| Non più disponibile, nessuna sostituzione | ||||
| 650/1 | 1907950511 | |||
| Anello di posizionamento | ||||
| 653 | 2610991370 | 30.08 | 36.70 | |
| Nessuna informazione disponibile, non ordinabile | ||||
| 731 | 2608570102 | |||
| KIT DI SERVIZIO 115V | ||||
| 810 | 3604321513 | 11.02 | 13.44 | |
| PORTA-SPAZZOLA | ||||
| 816 | 3604336511 | 22.88 | 27.91 | |
| Non più disponibile, nessuna sostituzione | ||||
| 821 | 3604652501 | |||
| Non più disponibile, nessuna sostituzione | ||||
| 826 | 2610997116 | |||