Qui troverai tutte le parti e i disegni disponibili di “Bosch 0601568108 ( GKS65 )”. Da qui puoi ordinare direttamente tutte le parti desiderate. Molte parti devono essere ordinate dal produttore, a seconda della marca, ciò richiede da una a quattro settimane. Tutte le informazioni che abbiamo sono sul nostro sito web, non possiamo consigliarti su ciò di cui hai bisogno, per questo dovrai restituire la macchina per la riparazione. Nota quanto segue al momento dell’ordinazione:
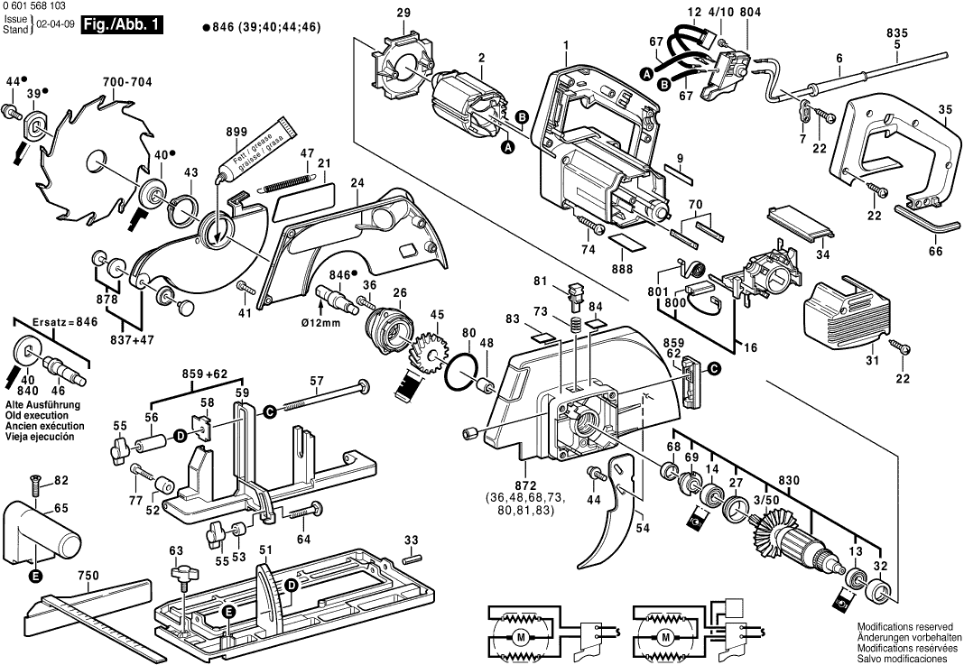
Disegni tecnici di Bosch 0601568108 ( GKS65 )
Elenco parti di Bosch 0601568108 ( GKS65 )
| Pos. | Descrizione | Prezzo IVA escl | Prezzo IVA incl | |
| I prezzi indicati sono comprensivi di IVA | ||||
| Coperchio del manico BLU | ||||
| 1 | 1607000925 | 55.25 | 67.40 | |
| Campo 230V | ||||
| 2 | 1604220354 | 33.33 | 40.66 | |
| Ventola Sunon PMD2412PMB1-A | ||||
| 3/50 | 1606610122 | 2.52 | 3.07 | |
| Vite a testa cilindrica | ||||
| 4/10 | 2603410001 | 1.32 | 1.61 | |
| OCCHIELLO | ||||
| 6 | 1600703023 | 2.18 | 2.66 | |
| Morsetto del cavo | ||||
| 7 | 2601035001 | 1.32 | 1.61 | |
| Targhetta del produttore GBH 2000 | ||||
| 9 | 1601110483 | 2.18 | 2.66 | |
| Non più disponibile, nessuna sostituzione | ||||
| 12 | 1607328028 | |||
| CUSCINETTO A SFERE OSC 18 | ||||
| 13 | 2600905032 | 4.58 | 5.59 | |
| Non più disponibile, nessuna sostituzione | ||||
| 14 | 1610905009 | |||
| PORTA-SPAZZOLA | ||||
| 16 | 1604336042 | 18.19 | 22.19 | |
| Targhetta del produttore GBH 2000 | ||||
| 21 | 1601110605 | 2.52 | 3.07 | |
| Vite della piastra | ||||
| 22 | 2912401019 | 1.00 | 1.22 | |
| Coperchio Protettivo | ||||
| 24 | 1605510157 | 11.02 | 13.44 | |
| Coperchio del cuscinetto RTS 400 REQ | ||||
| 26 | 1605808065 | 9.47 | 11.55 | |
| Anello intermedio | ||||
| 27 | 1600221003 | 2.18 | 2.66 | |
| Anello deflettore d'aria | ||||
| 29 | 1600591007 | 2.18 | 2.66 | |
| Non più disponibile, nessuna sostituzione | ||||
| 31 | 1605500158 | |||
| Anello intermedio | ||||
| 32 | 1600502011 | 2.18 | 2.66 | |
| Perno di serraggio | ||||
| 33 | 2917780150 | 1.00 | 1.22 | |
| Striscia di Copertura BLU | ||||
| 34 | 1601099021 | 1.70 | 2.07 | |
| Coperchio del manico BLU | ||||
| 35 | 1605500159 | 7.58 | 9.25 | |
| Vite formante a filettatura M6x25 MM | ||||
| 36 | 2603435042 | 1.32 | 1.61 | |
| Rondella elastica | ||||
| 39 | 1605703107 | 3.04 | 3.71 | |
| Non più disponibile, nessuna sostituzione | ||||
| 40 | 1605703091 | |||
| Vite a testa ovale Torx 4x30 | ||||
| 41 | 2610386516 | 1.32 | 1.61 | |
| Vite formante a filettatura M6x25 MM | ||||
| 41 | 2914491409 | 0.83 | 1.01 | |
| Non più disponibile, nessuna sostituzione | ||||
| 43 | 2916650020 | |||
| Vite a brugola | ||||
| 44 | 1603414007 | 1.32 | 1.61 | |
| Ingranaggio Dritto Z=41 | ||||
| 45 | 1606320081 | 18.19 | 22.19 | |
| Albero di trasmissione M6, Ø12 MM | ||||
| 46 | 1603124119 | 7.58 | 9.25 | |
| Non più disponibile, nessuna sostituzione | ||||
| 47 | 1604649001 | |||
| Non più disponibile, nessuna sostituzione | ||||
| 48 | 1600910019 | |||
| Non più disponibile, nessuna sostituzione | ||||
| 51 | 1608000107 | |||
| Paracolpi in gomma | ||||
| 52 | 1600305001 | 1.00 | 1.22 | |
| Boccola Distanziatrice | ||||
| 53 | 1600309012 | 1.00 | 1.22 | |
| Coltello divisorio CS 50 EBG | ||||
| 54 | 1600025013 | 2.18 | 2.66 | |
| Dado esagonale | ||||
| 55 | 2610387875 | 2.18 | 2.66 | |
| Non più disponibile, nessuna sostituzione | ||||
| 56 | 1600309013 | |||
| Non più disponibile, nessuna sostituzione | ||||
| 57 | 1603434005 | |||
| Non più disponibile, nessuna sostituzione | ||||
| 58 | 1601329015 | |||
| Leva girevole | ||||
| 59 | 1608190013 | 33.45 | 40.81 | |
| GHIERA | ||||
| 62 | 1608040112 | 4.10 | 5.00 | |
| Non più disponibile, nessuna sostituzione | ||||
| 63 | 1603480022 | |||
| Vite a testa cilindrica | ||||
| 64 | 2910281207 | 0.83 | 1.01 | |
| Maniglia ausiliaria NERO | ||||
| 65 | 1605133039 | 7.58 | 9.25 | |
| Cacciavite Spostato | ||||
| 66 | 1907950006 | 3.71 | 4.53 | |
| Chiave a brugola | ||||
| 66 | 2610364015 | 3.04 | 3.71 | |
| Scatola di soppressione | ||||
| 67 | 1604503014 | 7.58 | 9.25 | |
| Guarnizione labiale dell'albero rotante | ||||
| 68 | 1600290016 | 2.18 | 2.66 | |
| Non più disponibile, nessuna sostituzione | ||||
| 69 | 1600390013 | |||
| Terminale a lamella | ||||
| 70 | 1604477005 | 2.18 | 2.66 | |
| Molla compressione | ||||
| 73 | 1604611029 | 1.18 | 1.44 | |
| Vite formante a filettatura M6x25 MM | ||||
| 74 | 1603435022 | 0.83 | 1.01 | |
| Vite a testa piana DIN 923-M4x10-5.8 | ||||
| 77 | 2910271120 | 1.18 | 1.44 | |
| Anello O | ||||
| 80 | 3600210124 | 2.52 | 3.07 | |
| Dispositivo di Arresto | ||||
| 81 | 1603231011 | 3.31 | 4.04 | |
| Vite a Testa Ovale DIN 7985-M6x16-4.8 | ||||
| 82 | 2910641197 | 0.83 | 1.01 | |
| Piastra di Riferimento | ||||
| 83 | 1601110470 | 1.00 | 1.22 | |
| Non più disponibile, nessuna sostituzione | ||||
| 800 | 1607014129 | |||
| Molla a spirale AGC 18 | ||||
| 801 | 2604652008 | 1.18 | 1.44 | |
| Interruttore on-off | ||||
| 804 | 1607000231 | 15.61 | 19.04 | |
| Armatura Con Ventola 220-230V | ||||
| 830 | 1604010328 | 148.65 | 181.35 | |
| Cavo di alimentazione | ||||
| 835 | 1607000386 | 17.60 | 21.47 | |
| Non più disponibile, nessuna sostituzione | ||||
| 837 | 1605510172 | |||
| Flangia di serraggio | ||||
| 840 | 1605703093 | 23.75 | 28.98 | |
| Non più disponibile, nessuna sostituzione | ||||
| 846 | 1607000225 | |||
| Non più disponibile, nessuna sostituzione | ||||
| 859 | 1607000197 | |||
| Set di pezzi | ||||
| 872 | 1607000223 | 113.29 | 138.21 | |
| Non più disponibile, nessuna sostituzione | ||||
| 878 | 1607000205 | |||
| Targhetta | ||||
| 888 | 160111A3H3 | 2.18 | 2.66 | |
| Tubo di Grasso 45 ml | ||||
| 899 | 1605430003 | 33.33 | 40.66 | |