Qui troverai tutte le parti e i disegni disponibili di “Bosch 0601568003 ( GKS65 )”. Da qui puoi ordinare direttamente tutte le parti desiderate. Molte parti devono essere ordinate dal produttore, a seconda della marca, ciò richiede da una a quattro settimane. Tutte le informazioni che abbiamo sono sul nostro sito web, non possiamo consigliarti su ciò di cui hai bisogno, per questo dovrai restituire la macchina per la riparazione. Nota quanto segue al momento dell’ordinazione:
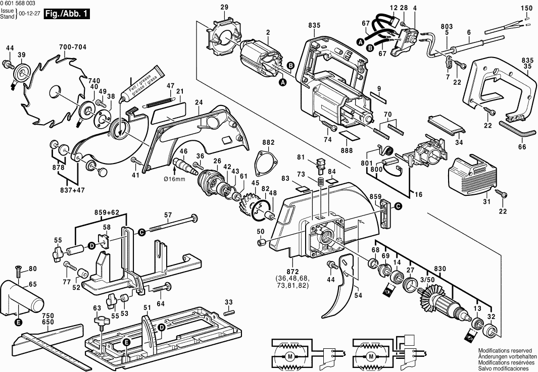
Disegni tecnici di Bosch 0601568003 ( GKS65 )
Elenco parti di Bosch 0601568003 ( GKS65 )
| Pos. | Descrizione | Prezzo IVA escl | Prezzo IVA incl | |
| I prezzi indicati sono comprensivi di IVA | ||||
| Coperchio del manico BLU | ||||
| 1 | 1607000925 | 55.25 | 67.40 | |
| Campo 230V | ||||
| 2 | 1604220354 | 33.33 | 40.66 | |
| Ventola Sunon PMD2412PMB1-A | ||||
| 3/50 | 1606610122 | 2.52 | 3.07 | |
| Non più disponibile, nessuna sostituzione | ||||
| 4 | 2607200169 | |||
| OCCHIELLO | ||||
| 6 | 2600703012 | 2.52 | 3.07 | |
| OCCHIELLO | ||||
| 6 | 2600703013 | 2.18 | 2.66 | |
| Morsetto del cavo | ||||
| 7 | 2601035001 | 1.32 | 1.61 | |
| Targhetta del produttore GBH 2000 | ||||
| 9 | 1601110483 | 2.18 | 2.66 | |
| Non più disponibile, nessuna sostituzione | ||||
| 12 | 1607328028 | |||
| CUSCINETTO A SFERE OSC 18 | ||||
| 13 | 2600905032 | 4.58 | 5.59 | |
| Non più disponibile, nessuna sostituzione | ||||
| 14 | 1610905009 | |||
| PORTA-SPAZZOLA | ||||
| 16 | 3604336001 | 13.93 | 16.99 | |
| Targhetta del produttore GBH 2000 | ||||
| 21 | 1601110605 | 2.52 | 3.07 | |
| Vite della piastra | ||||
| 22 | 2912401019 | 1.00 | 1.22 | |
| Coperchio Protettivo | ||||
| 24 | 1605510157 | 11.02 | 13.44 | |
| Non più disponibile, nessuna sostituzione | ||||
| 26 | 1605808062 | |||
| Anello intermedio | ||||
| 27 | 1600221003 | 2.18 | 2.66 | |
| Vite a testa cilindrica | ||||
| 28 | 2603410001 | 1.32 | 1.61 | |
| Anello deflettore d'aria | ||||
| 29 | 1600591007 | 2.18 | 2.66 | |
| Non più disponibile, nessuna sostituzione | ||||
| 31 | 1605500158 | |||
| Anello intermedio | ||||
| 32 | 1600502011 | 2.18 | 2.66 | |
| Perno di serraggio | ||||
| 33 | 2917780150 | 1.00 | 1.22 | |
| Striscia di Copertura BLU | ||||
| 34 | 1601099021 | 1.70 | 2.07 | |
| Striscia di Copertura BLU | ||||
| 34 | 1601099014 | 0.83 | 1.01 | |
| Coperchio del manico BLU | ||||
| 35 | 1605500159 | 7.58 | 9.25 | |
| Vite formante a filettatura M6x25 MM | ||||
| 36 | 2603435042 | 1.32 | 1.61 | |
| Non più disponibile, nessuna sostituzione | ||||
| 38 | 1600134005 | |||
| Non più disponibile, nessuna sostituzione | ||||
| 39 | 1605703079 | |||
| Non più disponibile, nessuna sostituzione | ||||
| 40 | 1605703080 | |||
| Vite a testa ovale Torx 4x30 | ||||
| 41 | 2610386516 | 1.32 | 1.61 | |
| Vite formante a filettatura M6x25 MM | ||||
| 41 | 2914491409 | 0.83 | 1.01 | |
| CUSCINETTO A SFERE OSC 18 | ||||
| 42 | 1900905163 | 9.47 | 11.55 | |
| Anello di bloccaggio | ||||
| 43 | 2916660014 | 1.32 | 1.61 | |
| Vite a brugola | ||||
| 44 | 1603414007 | 1.32 | 1.61 | |
| Non più disponibile, nessuna sostituzione | ||||
| 45 | 1606320076 | |||
| Non più disponibile, nessuna sostituzione | ||||
| 46 | 1603124112 | |||
| Non più disponibile, nessuna sostituzione | ||||
| 47 | 1604649001 | |||
| Non più disponibile, nessuna sostituzione | ||||
| 48 | 1600910019 | |||
| Vite a testa cilindrica | ||||
| 49 | 2910011115 | 1.00 | 1.22 | |
| Boccola di guida STM 1800 | ||||
| 50 | 1600309011 | 0.83 | 1.01 | |
| Non più disponibile, nessuna sostituzione | ||||
| 51 | 1608000107 | |||
| Paracolpi in gomma | ||||
| 52 | 1600305001 | 1.00 | 1.22 | |
| Boccola Distanziatrice | ||||
| 53 | 1600309012 | 1.00 | 1.22 | |
| Coltello divisorio CS 50 EBG | ||||
| 54 | 1600025013 | 2.18 | 2.66 | |
| Dado esagonale | ||||
| 55 | 2610387875 | 2.18 | 2.66 | |
| Non più disponibile, nessuna sostituzione | ||||
| 57 | 1603434005 | |||
| Non più disponibile, nessuna sostituzione | ||||
| 58 | 1601329015 | |||
| Anello di spaziatura | ||||
| 61 | 1600201014 | 1.70 | 2.07 | |
| GHIERA | ||||
| 62 | 1608040112 | 4.10 | 5.00 | |
| Non più disponibile, nessuna sostituzione | ||||
| 63 | 1603480022 | |||
| Vite a testa cilindrica | ||||
| 64 | 2910281207 | 0.83 | 1.01 | |
| Maniglia ausiliaria NERO | ||||
| 65 | 1605133039 | 7.58 | 9.25 | |
| Cacciavite Spostato | ||||
| 66 | 1907950006 | 3.71 | 4.53 | |
| Chiave a brugola | ||||
| 66 | 2610364015 | 3.04 | 3.71 | |
| Scatola di soppressione | ||||
| 67 | 1604503014 | 7.58 | 9.25 | |
| Guarnizione labiale dell'albero rotante | ||||
| 68 | 1600290016 | 2.18 | 2.66 | |
| Non più disponibile, nessuna sostituzione | ||||
| 69 | 1600390013 | |||
| Terminale a lamella | ||||
| 70 | 1604477005 | 2.18 | 2.66 | |
| Molla compressione | ||||
| 73 | 1604611029 | 1.18 | 1.44 | |
| Vite formante a filettatura M6x25 MM | ||||
| 74 | 1603435022 | 0.83 | 1.01 | |
| Vite a testa piana DIN 923-M4x10-5.8 | ||||
| 77 | 2910271120 | 1.18 | 1.44 | |
| Vite a Testa Ovale DIN 7985-M6x16-4.8 | ||||
| 80 | 2910641197 | 0.83 | 1.01 | |
| Dispositivo di Arresto | ||||
| 81 | 1603231011 | 3.31 | 4.04 | |
| Anello O | ||||
| 82 | 3600210124 | 2.52 | 3.07 | |
| Piastra di Riferimento | ||||
| 83 | 1601110470 | 1.00 | 1.22 | |
| Non più disponibile, nessuna sostituzione | ||||
| 800 | 1607014129 | |||
| Molla a spirale AGC 18 | ||||
| 801 | 2604652008 | 1.18 | 1.44 | |
| Cavo di alimentazione | ||||
| 803 | 1607000228 | 22.88 | 27.91 | |
| Molla a spirale | ||||
| 823 | 1604651008 | 0.83 | 1.01 | |
| Armatura Con Ventola 220-230V | ||||
| 830 | 1604010328 | 148.65 | 181.35 | |
| Coperchio del manico BLU | ||||
| 835 | 1607000925 | 55.25 | 67.40 | |
| Leva di Bloccaggio | ||||
| 836 | 1602099003 | 1.70 | 2.07 | |
| Non più disponibile, nessuna sostituzione | ||||
| 837 | 1605510172 | |||
| Non più disponibile, nessuna sostituzione | ||||
| 859 | 1607000197 | |||
| Set di pezzi | ||||
| 872 | 1607000223 | 113.29 | 138.21 | |
| Non più disponibile, nessuna sostituzione | ||||
| 878 | 1607000205 | |||
| Disco di tenuta | ||||
| 882 | 1600135002 | 0.83 | 1.01 | |
| Targhetta | ||||
| 888 | 160111A3H3 | 2.18 | 2.66 | |