Qui troverai tutte le parti e i disegni disponibili di “Bosch 3601B14300 ( GGS8SH )”. Da qui puoi ordinare direttamente tutte le parti desiderate. Molte parti devono essere ordinate dal produttore, a seconda della marca, ciò richiede da una a quattro settimane. Tutte le informazioni che abbiamo sono sul nostro sito web, non possiamo consigliarti su ciò di cui hai bisogno, per questo dovrai restituire la macchina per la riparazione. Nota quanto segue al momento dell’ordinazione:
Disegni tecnici di Bosch 3601B14300 ( GGS8SH )
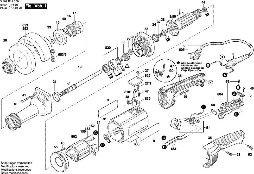
Elenco parti di Bosch 3601B14300 ( GGS8SH )
| Pos. | Descrizione | Prezzo IVA escl | Prezzo IVA incl | |
| I prezzi indicati sono comprensivi di IVA | ||||
| Custodia del motore | ||||
| 1 | 3605108092 | 26.62 | 32.48 | |
| Indotto | ||||
| 3 | 1619P13611 | 41.30 | 50.39 | |
| Ventola Sunon PMD2412PMB1-A | ||||
| 3/5 | 1606610122 | 2.52 | 3.07 | |
| OCCHIELLO | ||||
| 6 | 1600703023 | 2.18 | 2.66 | |
| Morsetto di fissaggio | ||||
| 7 | 1601302018 | 1.32 | 1.61 | |
| Targhetta del produttore GBH 2000 | ||||
| 9 | 3601110600 | 2.18 | 2.66 | |
| Non più disponibile, nessuna sostituzione | ||||
| 15 | 1605703065 | |||
| Anello Filettato | ||||
| 16 | 1603344005 | 26.62 | 32.48 | |
| CUSCINETTO A SFERE OSC 18 | ||||
| 17 | 1900900352 | 26.62 | 32.48 | |
| Cuscinetto Della Spindola | ||||
| 18 | 3605806084 | 166.62 | 203.28 | |
| Mandrino di rettifica | ||||
| 19 | 3603160000 | 75.38 | 91.96 | |
| Anello di gomma 10 MM DI LARGHEZZA | ||||
| 21 | 1600206029 | 2.18 | 2.66 | |
| Guarnizione labiale dell'albero rotante | ||||
| 22 | 1600290016 | 2.18 | 2.66 | |
| Anello O | ||||
| 23 | 1600210031 | 1.00 | 1.22 | |
| Anello intermedio | ||||
| 24 | 1600221003 | 2.18 | 2.66 | |
| Vite di grasso AW 10 3x25 | ||||
| 27 | 2914201506 | 1.00 | 1.22 | |
| Vite a testa ovale Torx 4x30 | ||||
| 27/1 | 2603490022 | 1.00 | 1.22 | |
| Flangia di bloccaggio rapido | ||||
| 28 | 3603301010 | 146.07 | 178.21 | |
| Anello intermedio | ||||
| 31 | 1600502011 | 2.18 | 2.66 | |
| Anello di ritenzione | ||||
| 33 | 2916600009 | 1.00 | 1.22 | |
| Maniglia TSC 55 | ||||
| 35 | 3605132079 | 45.52 | 55.53 | |
| Ingranaggio Cilindrico | ||||
| 36 | 3606320015 | 67.98 | 82.94 | |
| Anello intermedio | ||||
| 37 | 1600300090 | 3.04 | 3.71 | |
| CUSCINETTO A SFERE OSC 18 | ||||
| 38 | 3600905131 | 9.47 | 11.55 | |
| Chiave a gola | ||||
| 40 | 1900023006 | 2.18 | 2.66 | |
| Vite a testa ovale Torx 4x30 | ||||
| 41 | 3603435057 | 1.32 | 1.61 | |
| Molla compressione | ||||
| 43 | 1604613006 | 1.32 | 1.61 | |
| CUSCINETTO A SFERE OSC 18 | ||||
| 44 | 2600905032 | 4.58 | 5.59 | |
| Vite a testa ovale Torx 4x30 | ||||
| 46 | 2603490022 | 1.00 | 1.22 | |
| Vite a testa cilindrica | ||||
| 47 | 2910021118 | 1.00 | 1.22 | |
| Molla a spirale AGC 18 | ||||
| 48 | 1604652006 | 1.32 | 1.61 | |
| Vite a testa ovale Torx 4x30 | ||||
| 50 | 2914201527 | 1.90 | 2.32 | |
| Vite a testa ovale Torx 4x30 | ||||
| 50 | 2914201529 | 1.00 | 1.22 | |
| Modulo elettronico | ||||
| 51 | 1607233319 | 41.30 | 50.39 | |
| Vite di grasso AW 10 3x25 | ||||
| 52 | 2914201506 | 1.00 | 1.22 | |
| Cuscinetto intermedio | ||||
| 53 | 3605820045 | 91.33 | 111.42 | |
| Guida cavo | ||||
| 54 | 3601025003 | 1.32 | 1.61 | |
| Anello deflettore d'aria | ||||
| 55 | 1600502019 | 3.04 | 3.71 | |
| Vite a testa cilindrica | ||||
| 63 | 1603410014 | 1.32 | 1.61 | |
| Piastra di tenuta | ||||
| 68 | 1601006011 | 2.18 | 2.66 | |
| Rondella Con Linguetta | ||||
| 90 | 1601030022 | 1.32 | 1.61 | |
| Tubo termocontraibile | ||||
| 150 | 3600707022 | 3.04 | 3.71 | |
| Terminale a lamella | ||||
| 152 | 1604477001 | 1.32 | 1.61 | |
| Cavo di connessione | ||||
| 153 | 3604438034 | 6.53 | 7.97 | |
| Chiave a faccia di tipo pin | ||||
| 650/1 | F000632033 | 2.18 | 2.66 | |
| Spinotto | ||||
| 650/2 | 3603101005 | 4.58 | 5.59 | |
| Cacciavite Spostato | ||||
| 650/3 | 1907950007 | 4.58 | 5.59 | |
| Dado rotondo | ||||
| 650/4 | 3603345014 | 55.56 | 67.78 | |
| Coperchio Protettivo | ||||
| 653 | 3605510030 | 26.62 | 32.48 | |
| Vite a brugola | ||||
| 653/5 | 2910141244 | 1.32 | 1.61 | |
| Campo 230V | ||||
| 802 | 3607031864 | 102.63 | 125.21 | |
| Interruttore on-off | ||||
| 804 | 1607000C14 | 26.62 | 32.48 | |
| Cavo di alimentazione | ||||
| 805 | 1607000391 | 15.61 | 19.04 | |
| Targhetta | ||||
| 808 | 160111A3H3 | 2.18 | 2.66 | |
| KIT DI SERVIZIO 115V | ||||
| 810 | 3607014012 | 22.88 | 27.91 | |
| Cuscinetto a cartuccia | ||||
| 820 | 3604441011 | 30.08 | 36.70 | |
| COPERTURA | ||||
| 826 | 3605500063 | 3.71 | 4.53 | |
| PORTA-SPAZZOLA | ||||
| 839 | 3604336012 | 5.27 | 6.43 | |