Qui troverai tutte le parti e i disegni disponibili di “Bosch 3601B22100 ( GGS8CE )”. Da qui puoi ordinare direttamente tutte le parti desiderate. Molte parti devono essere ordinate dal produttore, a seconda della marca, ciò richiede da una a quattro settimane. Tutte le informazioni che abbiamo sono sul nostro sito web, non possiamo consigliarti su ciò di cui hai bisogno, per questo dovrai restituire la macchina per la riparazione. Nota quanto segue al momento dell’ordinazione:
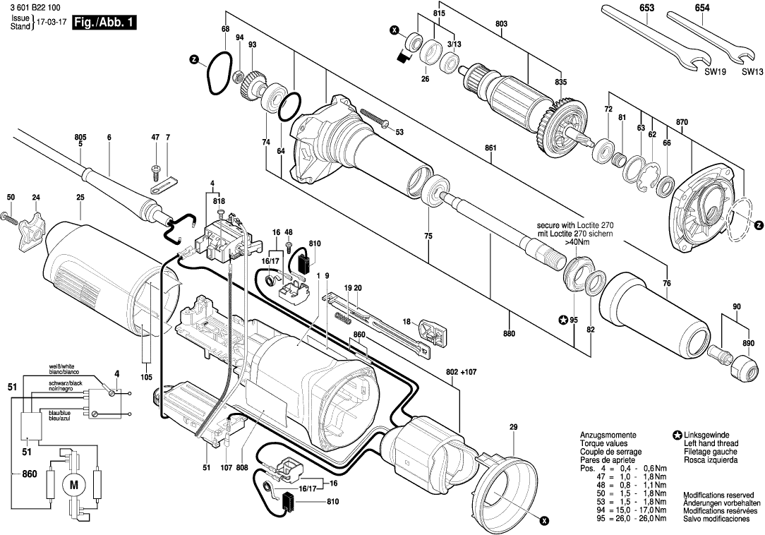
Disegni tecnici di Bosch 3601B22100 ( GGS8CE )
Elenco parti di Bosch 3601B22100 ( GGS8CE )
| Pos. | Descrizione | Prezzo IVA escl | Prezzo IVA incl | |
| I prezzi indicati sono comprensivi di IVA | ||||
| Custodia del motore | ||||
| 1 | 3605108224 | 8.48 | 10.35 | |
| CUSCINETTO A SFERE OSC 18 | ||||
| 3/13 | 2600905032 | 4.58 | 5.59 | |
| Interruttore | ||||
| 4 | 1607200199 | 13.90 | 16.96 | |
| OCCHIELLO | ||||
| 6 | 1600703040 | 1.90 | 2.32 | |
| Morsetto di fissaggio | ||||
| 7 | 1601302017 | 1.00 | 1.22 | |
| Targhetta del produttore GBH 2000 | ||||
| 9 | 3601110538 | 3.71 | 4.53 | |
| PORTA-SPAZZOLA | ||||
| 16 | 1601323023 | 3.04 | 3.71 | |
| PORTA-SPAZZOLA | ||||
| 16 | 1601323025 | 3.04 | 3.71 | |
| Molla a spirale AGC 18 | ||||
| 16/17 | 1604652013 | 1.32 | 1.61 | |
| Molla a spirale AGC 18 | ||||
| 16/17 | 2604652009 | 1.32 | 1.61 | |
| Maniglia Dell'interruttore | ||||
| 18 | 1602026088 | 1.00 | 1.22 | |
| Molla compressione | ||||
| 19 | 1619P09932 | 1.28 | 1.56 | |
| Scivolo di regolazione | ||||
| 20 | 1602319010 | 1.32 | 1.61 | |
| COPERTURA | ||||
| 24 | 1605500227 | 1.90 | 2.32 | |
| Coperchio del alloggiamento VERDE | ||||
| 25 | 1605500251 | 6.53 | 7.97 | |
| Anello di gomma 10 MM DI LARGHEZZA | ||||
| 26 | 1600206036 | 1.32 | 1.61 | |
| Anello deflettore d'aria | ||||
| 29 | 1600591025 | 2.18 | 2.66 | |
| Vite a testa ovale Torx 4x30 | ||||
| 47 | 2603490021 | 1.00 | 1.22 | |
| Vite di grasso AW 10 3x25 | ||||
| 48 | 1613435034 | 1.00 | 1.22 | |
| Vite a testa ovale Torx 4x30 | ||||
| 50 | 2603490023 | 1.00 | 1.22 | |
| Regolatore di velocità | ||||
| 51 | 1607233495 | 50.23 | 61.28 | |
| Vite a testa ovale Torx 4x30 | ||||
| 53 | 2603490025 | 1.00 | 1.22 | |
| Vite di grasso AW 10 3x25 | ||||
| 53 | 2603490026 | 1.00 | 1.22 | |
| Anello di bloccaggio | ||||
| 62 | 1600119011 | 1.90 | 2.32 | |
| Anello di gomma 10 MM DI LARGHEZZA | ||||
| 63 | 1600206025 | 1.90 | 2.32 | |
| Anello O | ||||
| 64 | 1610210101 | 2.52 | 3.07 | |
| Guarnizione labiale dell'albero rotante | ||||
| 66 | 1600290016 | 2.18 | 2.66 | |
| Anello O | ||||
| 68 | 2600210019 | 1.32 | 1.61 | |
| CUSCINETTO A SFERE OSC 18 | ||||
| 72 | 1600905032 | 5.27 | 6.43 | |
| CUSCINETTO A SFERE OSC 18 | ||||
| 74 | 3600905156 | 10.68 | 13.03 | |
| CUSCINETTO A SFERE OSC 18 | ||||
| 75 | 3600905157 | 10.68 | 13.03 | |
| Manicotto Protettivo | ||||
| 76 | 3605500194 | 10.68 | 13.03 | |
| MANICOTTO ESATRICO | ||||
| 81 | 3600400035 | 4.58 | 5.59 | |
| Disco di tenuta | ||||
| 82 | 3600103020 | 4.58 | 5.59 | |
| Unità di serraggio | ||||
| 90 | 3607030474 | 20.39 | 24.88 | |
| Ingranaggio Cilindrico | ||||
| 93 | 3606312004 | 13.90 | 16.96 | |
| Dado esagonale | ||||
| 94 | 1603300016 | 1.32 | 1.61 | |
| Flangia OS 400 EQ | ||||
| 95 | 3600328043 | 22.88 | 27.91 | |
| Piastra isolante | ||||
| 105 | 1601008005 | 4.58 | 5.59 | |
| Parte isolante | ||||
| 107 | 1600712030 | 1.32 | 1.61 | |
| Chiave a bocca singola SW22 | ||||
| 653 | 3607950024 | 7.32 | 8.93 | |
| Chiave a bocca singola SW22 | ||||
| 654 | 3607950025 | 6.53 | 7.97 | |
| Campo 230V | ||||
| 802 | 3607031669 | 50.23 | 61.28 | |
| Assemblaggio dell'Indotto 230V | ||||
| 803 | 3607031670 | 91.33 | 111.42 | |
| Cavo di alimentazione | ||||
| 805 | 1607000392 | 17.60 | 21.47 | |
| Targhetta | ||||
| 808 | 160111A3H3 | 2.18 | 2.66 | |
| KIT DI SERVIZIO 115V | ||||
| 810 | 1607000482 | 102.63 | 125.21 | |
| KIT DI SERVIZIO 115V | ||||
| 810 | 1607014176 | 11.02 | 13.44 | |
| Set di pezzi | ||||
| 815 | 1607000378 | 5.96 | 7.27 | |
| Vite a testa cilindrica | ||||
| 818 | 2910110048 | 1.00 | 1.22 | |
| Ventola Sunon PMD2412PMB1-A | ||||
| 835 | 1616B00064 | 1.90 | 2.32 | |
| Cavo di giunzione MX 1200/2 E EF | ||||
| 860 | 1604448023 | 1.32 | 1.61 | |
| Custodia mandrino | ||||
| 861 | 3607031673 | 75.38 | 91.96 | |
| Flangia Intermedia | ||||
| 870 | 3607031672 | 45.52 | 55.53 | |
| Mandrino di rettifica | ||||
| 880 | 3607031671 | 114.26 | 139.40 | |
| Dado rotondo | ||||
| 890 | 3603313006 | 8.48 | 10.35 | |