Qui troverai tutte le parti e i disegni disponibili di “Bosch 0601210003 ( GGS27 )”. Da qui puoi ordinare direttamente tutte le parti desiderate. Molte parti devono essere ordinate dal produttore, a seconda della marca, ciò richiede da una a quattro settimane. Tutte le informazioni che abbiamo sono sul nostro sito web, non possiamo consigliarti su ciò di cui hai bisogno, per questo dovrai restituire la macchina per la riparazione. Nota quanto segue al momento dell’ordinazione:
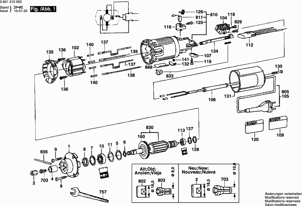
Disegni tecnici di Bosch 0601210003 ( GGS27 )
Elenco parti di Bosch 0601210003 ( GGS27 )
| Pos. | Descrizione | Prezzo IVA escl | Prezzo IVA incl | |
| I prezzi indicati sono comprensivi di IVA | ||||
| Non più disponibile, nessuna sostituzione | ||||
| 1 | 2605806375 | |||
| Dado unione per accoppiamento rapido | ||||
| 2 | 2603312006 | 5.96 | 7.27 | |
| Manicotto di tenuta | ||||
| 4 | 2600300073 | 5.96 | 7.27 | |
| Anello di bloccaggio | ||||
| 5 | 2916660013 | 1.90 | 2.32 | |
| Anello di bloccaggio | ||||
| 6 | 2916650006 | 1.32 | 1.61 | |
| Rondella a tazza | ||||
| 7 | 2600500033 | 2.18 | 2.66 | |
| Rondella in feltro D 20/14 2mm | ||||
| 8 | 2600108033 | 1.32 | 1.61 | |
| Vite a testa ovale Torx 4x30 | ||||
| 9 | 2603490023 | 1.00 | 1.22 | |
| CUSCINETTO A SFERE OSC 18 | ||||
| 10 | 2600905017 | 8.48 | 10.35 | |
| Rondella di compensazione | ||||
| 11 | 1600102626 | 1.90 | 2.32 | |
| Campo 230V | ||||
| 102 | 2604220445 | 26.62 | 32.48 | |
| Interruttore | ||||
| 104 | 2607200674 | 13.90 | 16.96 | |
| OCCHIELLO | ||||
| 106 | 2600703011 | 2.52 | 3.07 | |
| Morsetto del cavo | ||||
| 107 | 2601035001 | 1.32 | 1.61 | |
| Targhetta del produttore GBH 2000 | ||||
| 109 | 2601116670 | 2.71 | 3.31 | |
| Filtro di interferenza TURBO II R1 ET-BG | ||||
| 112 | 2607329118 | 3.04 | 3.71 | |
| CUSCINETTO A SFERE OSC 18 | ||||
| 113 | 2600905088 | 6.53 | 7.97 | |
| PORTA-SPAZZOLA | ||||
| 116 | 1600A003G4 | 3.04 | 3.71 | |
| Vite a testa cilindrica | ||||
| 118 | 2603410001 | 1.32 | 1.61 | |
| Vite a testa ovale Torx 4x30 | ||||
| 119 | 2603490022 | 1.00 | 1.22 | |
| Targhetta del produttore GBH 2000 | ||||
| 120 | 2601116671 | 2.52 | 3.07 | |
| Vite a testa ovale Torx 4x30 | ||||
| 125 | 2603490017 | 1.90 | 2.32 | |
| Molla a spirale AGC 18 | ||||
| 126 | 2604652009 | 1.32 | 1.61 | |
| Rondella di compensazione | ||||
| 127 | 2600150033 | 1.90 | 2.32 | |
| Rondella di regolazione 0,4 MM DI SPESSORE | ||||
| 128 | 2600101027 | 1.32 | 1.61 | |
| Rondella di regolazione 0,4 MM DI SPESSORE | ||||
| 128 | 2600101665 | 1.32 | 1.61 | |
| Rondella di regolazione 0,4 MM DI SPESSORE | ||||
| 128 | 2600101667 | 1.32 | 1.61 | |
| Vite per lamiera DIN 7982-ST3,9x22C-H | ||||
| 130 | 2910601321 | 1.18 | 1.44 | |
| Coperchio del alloggiamento VERDE | ||||
| 131 | 2600508036 | 8.48 | 10.35 | |
| Pezzo intermedio | ||||
| 132 | 1600026000 | 1.00 | 1.22 | |
| Scivolo di regolazione | ||||
| 134 | 2602319005 | 1.32 | 1.61 | |
| Disco di copertura | ||||
| 135 | 2601328045 | 1.90 | 2.32 | |
| Vite della piastra | ||||
| 136 | 2603435086 | 1.32 | 1.61 | |
| Filtro di interferenza TURBO II R1 ET-BG | ||||
| 137 | 1619P15513 | 2.18 | 2.66 | |
| Cavo di connessione | ||||
| 138 | 2604448078 | 1.32 | 1.61 | |
| Cavo di connessione | ||||
| 139 | 2604448044 | 1.00 | 1.22 | |
| Nessuna informazione disponibile, non ordinabile | ||||
| 140 | 1610712034 | |||
| Palla | ||||
| 141 | 2603230002 | 1.32 | 1.61 | |
| Ventola Sunon PMD2412PMB1-A | ||||
| 160 | 2606610050 | 3.31 | 4.04 | |
| Spina Cilindrica | ||||
| 656 | 2603101035 | 2.52 | 3.07 | |
| Nessuna informazione disponibile, non ordinabile | ||||
| 703 | 2608570049 | |||
| Nessuna informazione disponibile, non ordinabile | ||||
| 757 | 1607950525 | |||
| Non più disponibile, nessuna sostituzione | ||||
| 802 | 2603312001 | |||
| Non più disponibile, nessuna sostituzione | ||||
| 803 | 2608570065 | |||
| Cavo di alimentazione | ||||
| 805 | 1607000385 | 12.21 | 14.90 | |
| Non più disponibile, nessuna sostituzione | ||||
| 810 | 2605108904 | |||
| KIT DI SERVIZIO 115V | ||||
| 811 | 2604320912 | 8.48 | 10.35 | |
| Vite della piastra | ||||
| 829 | 2910611006 | 1.32 | 1.61 | |
| Indotto | ||||
| 830 | 2604010915 | 102.63 | 125.21 | |
| Non più disponibile, nessuna sostituzione | ||||
| 833 | 2602026910 | |||
| Targhetta | ||||
| 888 | 160111A3H3 | 2.18 | 2.66 | |