Qui troverai tutte le parti e i disegni disponibili di “Bosch 0601213703 ( GEB1000CE )”. Da qui puoi ordinare direttamente tutte le parti desiderate. Molte parti devono essere ordinate dal produttore, a seconda della marca, ciò richiede da una a quattro settimane. Tutte le informazioni che abbiamo sono sul nostro sito web, non possiamo consigliarti su ciò di cui hai bisogno, per questo dovrai restituire la macchina per la riparazione. Nota quanto segue al momento dell’ordinazione:
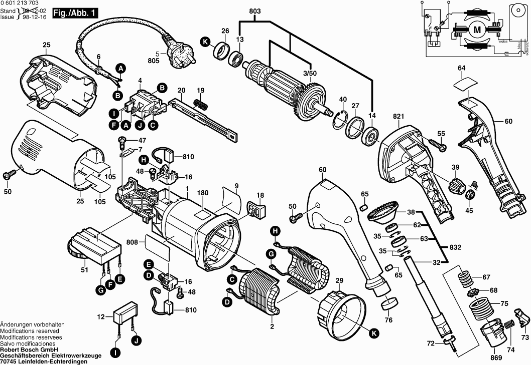
Disegni tecnici di Bosch 0601213703 ( GEB1000CE )
Elenco parti di Bosch 0601213703 ( GEB1000CE )
| Pos. | Descrizione | Prezzo IVA escl | Prezzo IVA incl | |
| I prezzi indicati sono comprensivi di IVA | ||||
| Custodia del motore | ||||
| 1 | 1605108213 | 7.32 | 8.93 | |
| Campo 230V | ||||
| 2 | 1607000F0P | 30.08 | 36.70 | |
| Campo 230V | ||||
| 2 | 1604220459 | 13.11 | 15.99 | |
| Ventola Sunon PMD2412PMB1-A | ||||
| 3/50 | 1606610129 | 1.90 | 2.32 | |
| Interruttore | ||||
| 4 | 1607200086 | 9.47 | 11.55 | |
| Vite a testa cilindrica | ||||
| 4/10 | 2910110048 | 1.00 | 1.22 | |
| OCCHIELLO | ||||
| 6 | 2600703011 | 2.52 | 3.07 | |
| Morsetto di fissaggio | ||||
| 7 | 1601302017 | 1.00 | 1.22 | |
| Targhetta del produttore GBH 2000 | ||||
| 9 | 1601118791 | 2.71 | 3.31 | |
| Filtro di interferenza TURBO II R1 ET-BG | ||||
| 12 | 1607328042 | 5.96 | 7.27 | |
| CUSCINETTO A SFERE OSC 18 | ||||
| 13 | 2600905032 | 4.58 | 5.59 | |
| CUSCINETTO A SFERE OSC 18 | ||||
| 14 | 1600905016 | 8.48 | 10.35 | |
| PORTA-SPAZZOLA | ||||
| 16 | 1601323025 | 3.04 | 3.71 | |
| Cappuccio a cricchetto | ||||
| 18 | F016F05700 | 1.00 | 1.22 | |
| Molla compressione | ||||
| 19 | 1604611026 | 1.00 | 1.22 | |
| Scivolo di regolazione | ||||
| 20 | 1602319010 | 1.32 | 1.61 | |
| Coperchio Custodia BLU | ||||
| 25 | 1605190144 | 9.53 | 11.63 | |
| Anello intermedio | ||||
| 26 | 1600502023 | 1.90 | 2.32 | |
| Anello di gomma 10 MM DI LARGHEZZA | ||||
| 27 | 1600206025 | 1.90 | 2.32 | |
| Anello deflettore d'aria | ||||
| 29 | 1600591025 | 2.18 | 2.66 | |
| ALBERO DI TRASMISSIONE | ||||
| 32 | 2603020028 | 29.75 | 36.30 | |
| Rondella di compensazione | ||||
| 35 | 2600101091 | 1.90 | 2.32 | |
| Rondella di compensazione | ||||
| 35 | 2600101088 | 1.32 | 1.61 | |
| Ingranaggio a Corona | ||||
| 38 | 2606100064 | 8.48 | 10.35 | |
| Rondella 8X21X1 | ||||
| 39 | 2606333034 | 5.33 | 6.50 | |
| Anello di bloccaggio | ||||
| 40 | 1600119011 | 1.90 | 2.32 | |
| Dado esagonale | ||||
| 45 | 1603300016 | 1.32 | 1.61 | |
| Vite della piastra | ||||
| 47 | 2912401018 | 1.00 | 1.22 | |
| Vite della piastra | ||||
| 48 | 2912401005 | 1.00 | 1.22 | |
| Vite da family. TORX-T20 | ||||
| 50 | 1603435061 | 1.70 | 2.07 | |
| Regolatore di velocità 230-240V | ||||
| 51 | 1607233130 | 55.25 | 67.40 | |
| Vite formante a filettatura M6x25 MM | ||||
| 55 | 1603435062 | 1.70 | 2.07 | |
| Sezione di alloggiamento BLU | ||||
| 60 | 1605132133 | 18.19 | 22.19 | |
| CUSCINETTO A SFERE OSC 18 | ||||
| 62 | 1600900042 | 5.27 | 6.43 | |
| CUSCINETTO A SFERE OSC 18 | ||||
| 63 | 1900905121 | 17.60 | 21.47 | |
| Piastra di avvertimento | ||||
| 64 | 1601118792 | 2.71 | 3.31 | |
| Paracolpi in gomma | ||||
| 65 | 2603100056 | 1.32 | 1.61 | |
| Molla compressione | ||||
| 67 | 2604616009 | 1.00 | 1.22 | |
| Non più disponibile, nessuna sostituzione | ||||
| 68 | 2600190089 | |||
| Non più disponibile, nessuna sostituzione | ||||
| 72 | 2601290022 | |||
| Non più disponibile, nessuna sostituzione | ||||
| 73 | 2602319016 | |||
| Non più disponibile, nessuna sostituzione | ||||
| 74 | 2604611046 | |||
| Molla compressione | ||||
| 75 | 2604615013 | 0.83 | 1.01 | |
| Flangia di serraggio VN-HK 85 | ||||
| 76 | 2600290038 | 1.00 | 1.22 | |
| Piastra isolante | ||||
| 105 | 1601008006 | 2.24 | 2.73 | |
| Indotto | ||||
| 803 | 1604010640 | 61.93 | 75.55 | |
| Cavo di alimentazione | ||||
| 805 | 1607000227 | 22.88 | 27.91 | |
| Targhetta | ||||
| 808 | 160111A3H3 | 2.18 | 2.66 | |
| KIT DI SERVIZIO 115V | ||||
| 810 | 1607014176 | 11.02 | 13.44 | |
| Carter del ingranaggio | ||||
| 821 | 1605806485 | 29.75 | 36.30 | |
| ALBERO DI TRASMISSIONE | ||||
| 832 | 1607000861 | 55.25 | 67.40 | |
| Non più disponibile, nessuna sostituzione | ||||
| 869 | 2600499053 | |||