Qui troverai tutte le parti e i disegni disponibili di “Bosch 0601938685 ( GBM9,6VES-2 )”. Da qui puoi ordinare direttamente tutte le parti desiderate. Molte parti devono essere ordinate dal produttore, a seconda della marca, ciò richiede da una a quattro settimane. Tutte le informazioni che abbiamo sono sul nostro sito web, non possiamo consigliarti su ciò di cui hai bisogno, per questo dovrai restituire la macchina per la riparazione. Nota quanto segue al momento dell’ordinazione:
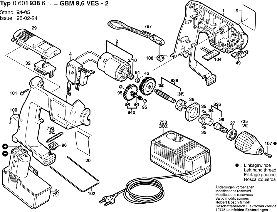
Disegni tecnici di Bosch 0601938685 ( GBM9,6VES-2 )
Elenco parti di Bosch 0601938685 ( GBM9,6VES-2 )
| Pos. | Descrizione | Prezzo IVA escl | Prezzo IVA incl | |
| I prezzi indicati sono comprensivi di IVA | ||||
| Sezione di alloggiamento BLU | ||||
| 1 | 2605104497 | 12.41 | 15.14 | |
| Motore DC 9,6-12V | ||||
| 2 | 2607022928 | 36.85 | 44.96 | |
| Rondella 8X21X1 | ||||
| 2/10 | 2606316112 | 3.71 | 4.53 | |
| Non più disponibile, nessuna sostituzione | ||||
| 4 | 2607200309 | |||
| Targa del produttore LATO SOLE | ||||
| 9 | 2601118760 | 2.71 | 3.31 | |
| Piastra di riferimento LATO OMBRA | ||||
| 20 | 2601118761 | 2.71 | 3.31 | |
| CUSCINETTO A SFERE OSC 18 | ||||
| 27 | 1900905127 | 26.62 | 32.48 | |
| Pezzo di Inserimento NERO | ||||
| 29 | 2605510136 | 2.24 | 2.73 | |
| Scorrevole Di Regolazione NERO | ||||
| 32 | 2601099056 | 1.18 | 1.44 | |
| RUOTA | ||||
| 35 | 2602329024 | 1.18 | 1.44 | |
| Anello di bloccaggio | ||||
| 36 | 2600202025 | 4.70 | 5.73 | |
| Set di ingranaggi | ||||
| 42 | 1609340007 | 12.21 | 14.90 | |
| Inserto SYS-ISC 240 | ||||
| 49 | 2605510117 | 1.32 | 1.61 | |
| Boccola in Metallo Sinterizzato | ||||
| 94 | 2600301011 | 1.32 | 1.61 | |
| Boccola in Metallo Sinterizzato | ||||
| 95 | 2600302013 | 2.24 | 2.73 | |
| Supporto | ||||
| 96 | 2608040131 | 1.70 | 2.07 | |
| Molla di serraggio | ||||
| 100 | 2601322016 | 1.90 | 2.32 | |
| Vite a testa ovale Torx 4x30 | ||||
| 101 | 2603490022 | 1.00 | 1.22 | |
| Staffa di ritenuta | ||||
| 102 | 2601329041 | 1.32 | 1.61 | |
| Portacontatto | ||||
| 104 | 2608018004 | 5.27 | 6.43 | |
| Vite a testa svasata VN-HK 85 M5x10 | ||||
| 107 | 2609110721 | 1.90 | 2.32 | |
| Supporto | ||||
| 108 | 2602180001 | 1.00 | 1.22 | |
| Mandrino senza chiave | ||||
| 725 | 2608572214 | 45.52 | 55.53 | |
| Caricabatterie veloce EU 230/7,2-24V, 1h | ||||
| 753 | 2607224425 | 130.32 | 158.99 | |
| Caricabatterie Veloce EU 230/7,2-14,4V, 30 MIN. | ||||
| 753 | 2607224701 | 101.94 | 124.37 | |
| Pacco Batteria a Inserimento 9,6V, 1,5 Ah, NiCd | ||||
| 791 | 2607336143 | 101.94 | 124.37 | |
| Lama cacciavite 6 MM | ||||
| 793 | 2608521018 | 3.71 | 4.53 | |
| Non più disponibile, nessuna sostituzione | ||||
| 797 | 2601398009 | |||
| Mandrino di perforazione 3/8" | ||||
| 826 | 2606135917 | 15.71 | 19.17 | |
| Albero calettato | ||||
| 838 | 2606309914 | 8.45 | 10.31 | |
| Albero Dentato Z=10/19/81 | ||||
| 840 | 1609340005 | 12.41 | 15.14 | |
| Nessuna informazione disponibile, non ordinabile | ||||
| 899 | 0601938627 | |||