Qui troverai tutte le parti e i disegni disponibili di “Bosch 0601135603 ( GBM6E )”. Da qui puoi ordinare direttamente tutte le parti desiderate. Molte parti devono essere ordinate dal produttore, a seconda della marca, ciò richiede da una a quattro settimane. Tutte le informazioni che abbiamo sono sul nostro sito web, non possiamo consigliarti su ciò di cui hai bisogno, per questo dovrai restituire la macchina per la riparazione. Nota quanto segue al momento dell’ordinazione:
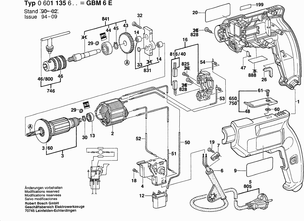
Disegni tecnici di Bosch 0601135603 ( GBM6E )
Elenco parti di Bosch 0601135603 ( GBM6E )
| Pos. | Descrizione | Prezzo IVA escl | Prezzo IVA incl | |
| I prezzi indicati sono comprensivi di IVA | ||||
| Sezione di alloggiamento BLU | ||||
| 1 | 2605104316 | 15.71 | 19.17 | |
| Non più disponibile, nessuna sostituzione | ||||
| 2 | 2604220423 | |||
| Indotto 230-240V | ||||
| 3 | 2604010776 | 44.82 | 54.68 | |
| VALVOLA | ||||
| 3/60 | 1619P11262 | 2.52 | 3.07 | |
| Non più disponibile, nessuna sostituzione | ||||
| 4 | 1617200089 | |||
| OCCHIELLO | ||||
| 6 | 2600707059 | 3.04 | 3.71 | |
| OCCHIELLO | ||||
| 6 | 2600707061 | 2.52 | 3.07 | |
| Morsetto del cavo | ||||
| 7 | 2601035001 | 1.32 | 1.61 | |
| Targa del produttore LATO SOLE | ||||
| 9 | 2601118575 | 2.71 | 3.31 | |
| Non più disponibile, nessuna sostituzione | ||||
| 12 | 2607329114 | |||
| CUSCINETTO A SFERE OSC 18 | ||||
| 13 | 2600905032 | 4.58 | 5.59 | |
| Manicotto ad ago AGC 18 | ||||
| 14 | 2600917003 | 2.52 | 3.07 | |
| Non più disponibile, nessuna sostituzione | ||||
| 16 | 2605807060 | |||
| Vite a testa cilindrica | ||||
| 18 | 2603410001 | 1.32 | 1.61 | |
| Vite per lamiera DIN 7981-ST3,9x16-C-H | ||||
| 19 | 2910611019 | 2.52 | 3.07 | |
| Piastra di Riferimento | ||||
| 20 | 2601118573 | 2.71 | 3.31 | |
| Anello O | ||||
| 29 | 1900210000 | 1.32 | 1.61 | |
| Anello di spaziatura | ||||
| 30 | 2600209004 | 1.94 | 2.37 | |
| Vite per lamiera DIN 7983 ST4,2x32-C-H | ||||
| 32 | 2910611096 | 0.83 | 1.01 | |
| Cappuccio di tenuta | ||||
| 33 | 2605500111 | 1.18 | 1.44 | |
| Ingranaggio Cilindrico | ||||
| 43 | 2606320021 | 15.61 | 19.04 | |
| CUSCINETTO A SFERE OSC 18 | ||||
| 44 | 1900905232 | 20.39 | 24.88 | |
| Anello di bloccaggio | ||||
| 45 | 2916650001 | 2.18 | 2.66 | |
| Chiave del mandrino | ||||
| 46/800 | 2607950007 | 5.96 | 7.27 | |
| Foglio di feltro | ||||
| 47 | 2600005005 | 1.18 | 1.44 | |
| Conduttore di terra | ||||
| 50 | 2604448103 | 0.83 | 1.01 | |
| Non più disponibile, nessuna sostituzione | ||||
| 51 | 2604448045 | |||
| Non più disponibile, nessuna sostituzione | ||||
| 52 | 2604448060 | |||
| Non più disponibile, nessuna sostituzione | ||||
| 53 | 2604448130 | |||
| Non più disponibile, nessuna sostituzione | ||||
| 54 | 2604448123 | |||
| Dado Quadrato DIN 562-M4-04 | ||||
| 60 | 2915121004 | 0.83 | 1.01 | |
| Vite a testa cilindrica | ||||
| 61 | 2910091120 | 1.00 | 1.22 | |
| Non più disponibile, nessuna sostituzione | ||||
| 199 | 1601110265 | |||
| Non più disponibile, nessuna sostituzione | ||||
| 746 | 1608571077 | |||
| Piastra di fine canale NERO | ||||
| 750 | 2608040050 | 0.83 | 1.01 | |
| Cavo di alimentazione | ||||
| 805 | 1607000385 | 12.21 | 14.90 | |
| KIT DI SERVIZIO 115V | ||||
| 816/04 | 2604321905 | 9.47 | 11.55 | |
| Cappuccio a cricchetto | ||||
| 816/06 | 2601329051 | 1.32 | 1.61 | |
| Vite della piastra | ||||
| 825 | 2910611006 | 1.32 | 1.61 | |
| Vite della piastra | ||||
| 828 | 2912401020 | 1.90 | 2.32 | |
| CUSCINETTO | ||||
| 831 | 2605807921 | 11.88 | 14.49 | |
| Mandrino di perforazione 1/2",1/4 | ||||
| 841 | 2606135913 | 26.84 | 32.74 | |
| Targhetta | ||||
| 888 | 160111A3H3 | 2.18 | 2.66 | |