Qui troverai tutte le parti e i disegni disponibili di “Bosch 0601139561 ( GBM350RE )”. Da qui puoi ordinare direttamente tutte le parti desiderate. Molte parti devono essere ordinate dal produttore, a seconda della marca, ciò richiede da una a quattro settimane. Tutte le informazioni che abbiamo sono sul nostro sito web, non possiamo consigliarti su ciò di cui hai bisogno, per questo dovrai restituire la macchina per la riparazione. Nota quanto segue al momento dell’ordinazione:
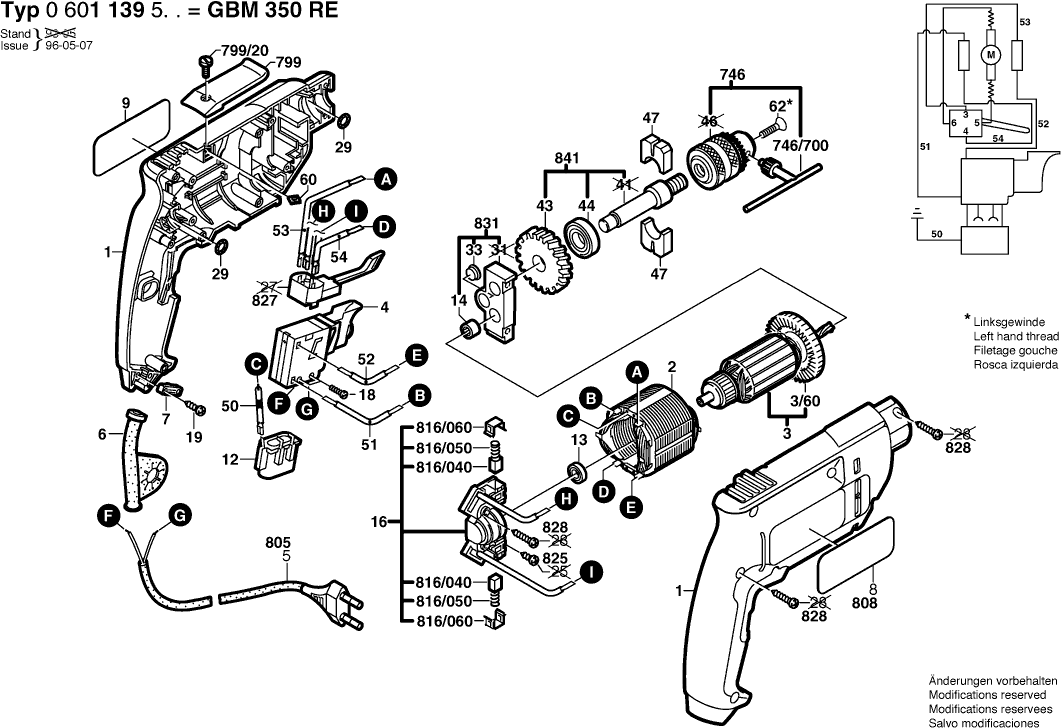
Disegni tecnici di Bosch 0601139561 ( GBM350RE )
Elenco parti di Bosch 0601139561 ( GBM350RE )
| Pos. | Descrizione | Prezzo IVA escl | Prezzo IVA incl | |
| I prezzi indicati sono comprensivi di IVA | ||||
| Sezione di alloggiamento BLU | ||||
| 1 | 2605104316 | 15.71 | 19.17 | |
| Campo 230-240V | ||||
| 2 | 2604220522 | 13.93 | 16.99 | |
| Indotto 230-240V | ||||
| 3 | 2604011039 | 26.84 | 32.74 | |
| VALVOLA | ||||
| 3/60 | 1619P11262 | 2.52 | 3.07 | |
| Non più disponibile, nessuna sostituzione | ||||
| 4 | 2607200357 | |||
| Cavo di alimentazione | ||||
| 5 | 1607000388 | 10.68 | 13.03 | |
| OCCHIELLO | ||||
| 6 | 2600707059 | 3.04 | 3.71 | |
| OCCHIELLO | ||||
| 6 | 2600707061 | 2.52 | 3.07 | |
| Morsetto del cavo | ||||
| 7 | 2601035001 | 1.32 | 1.61 | |
| Targhetta del produttore GBH 2000 | ||||
| 9 | 2601118408 | 1.18 | 1.44 | |
| Non più disponibile, nessuna sostituzione | ||||
| 12 | 2607329114 | |||
| CUSCINETTO A SFERE OSC 18 | ||||
| 13 | 2600905046 | 9.47 | 11.55 | |
| Manicotto ad ago AGC 18 | ||||
| 14 | 2600917003 | 2.52 | 3.07 | |
| Non più disponibile, nessuna sostituzione | ||||
| 16 | 2609992606 | |||
| Vite a testa cilindrica | ||||
| 18 | 2603410001 | 1.32 | 1.61 | |
| Vite per lamiera DIN 7981-ST3,9x16-C-H | ||||
| 19 | 2910611019 | 2.52 | 3.07 | |
| Non più disponibile, nessuna sostituzione | ||||
| 29 | 2600210036 | |||
| Cappuccio di tenuta | ||||
| 33 | 2605500111 | 1.18 | 1.44 | |
| Ingranaggio Cilindrico Z=69 | ||||
| 43 | 2606316140 | 6.54 | 7.98 | |
| CUSCINETTO A SFERE OSC 18 | ||||
| 44 | 1900905232 | 20.39 | 24.88 | |
| Foglio di feltro | ||||
| 47 | 2600005005 | 1.18 | 1.44 | |
| Non più disponibile, nessuna sostituzione | ||||
| 50 | 2604448170 | |||
| Non più disponibile, nessuna sostituzione | ||||
| 51 | 2604448060 | |||
| Non più disponibile, nessuna sostituzione | ||||
| 52 | 2604448045 | |||
| Cavo di connessione | ||||
| 53 | 2604448132 | 1.00 | 1.22 | |
| Cavo di connessione | ||||
| 54 | 2604448034 | 1.32 | 1.61 | |
| Dado Quadrato DIN 562-M4-04 | ||||
| 60 | 2915121004 | 0.83 | 1.01 | |
| Vite a svasatura M6x20 MM FILETTATURA SINISTRA | ||||
| 62 | 2603421211 | 1.70 | 2.07 | |
| Nessuna informazione disponibile, non ordinabile | ||||
| 746 | 1608571061 | |||
| Chiave del mandrino | ||||
| 746/700 | 2607950007 | 5.96 | 7.27 | |
| Piastra di fine canale NERO | ||||
| 799 | 2608040050 | 0.83 | 1.01 | |
| Vite a testa cilindrica | ||||
| 799/20 | 2910091120 | 1.00 | 1.22 | |
| Targhetta | ||||
| 808 | 160111A3H3 | 2.18 | 2.66 | |
| Non più disponibile, nessuna sostituzione | ||||
| 816/040 | 2604321915 | |||
| Molla compressione | ||||
| 816/050 | 2604610026 | 2.18 | 2.66 | |
| Cappuccio a cricchetto | ||||
| 816/060 | 2601322017 | 1.32 | 1.61 | |
| Vite della piastra | ||||
| 825 | 2910611007 | 1.00 | 1.22 | |
| Interruttore | ||||
| 827 | 2607200231 | 13.90 | 16.96 | |
| Vite della piastra | ||||
| 828 | 2910611020 | 1.32 | 1.61 | |
| Ponte di cuscinetto | ||||
| 831 | 2605807927 | 8.45 | 10.31 | |
| Mandrino di perforazione 1/2" | ||||
| 841 | 2606135921 | 20.42 | 24.91 | |