Qui troverai tutte le parti e i disegni disponibili di “Bosch 0601137508 ( GBM10SRE )”. Da qui puoi ordinare direttamente tutte le parti desiderate. Molte parti devono essere ordinate dal produttore, a seconda della marca, ciò richiede da una a quattro settimane. Tutte le informazioni che abbiamo sono sul nostro sito web, non possiamo consigliarti su ciò di cui hai bisogno, per questo dovrai restituire la macchina per la riparazione. Nota quanto segue al momento dell’ordinazione:
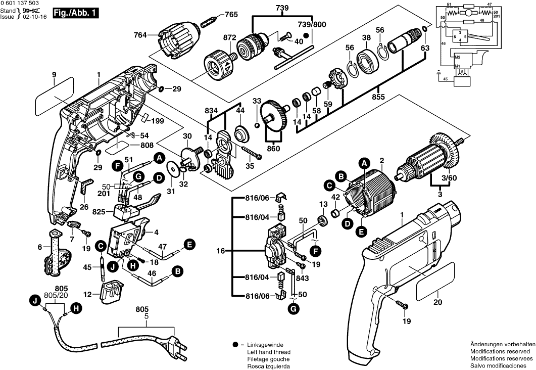
Disegni tecnici di Bosch 0601137508 ( GBM10SRE )
Elenco parti di Bosch 0601137508 ( GBM10SRE )
| Pos. | Descrizione | Prezzo IVA escl | Prezzo IVA incl | |
| I prezzi indicati sono comprensivi di IVA | ||||
| Sezione di alloggiamento | ||||
| 1 | 2605104378 | 11.02 | 13.44 | |
| Non più disponibile, nessuna sostituzione | ||||
| 2 | 2604220423 | |||
| Non più disponibile, nessuna sostituzione | ||||
| 3 | 2604010707 | |||
| VALVOLA | ||||
| 3/60 | 1619P11262 | 2.52 | 3.07 | |
| Interruttore | ||||
| 4 | 2607200202 | 37.50 | 45.75 | |
| Guarnizione Ø6,2-Ø6,9x84 MM | ||||
| 6 | 2600703036 | 1.70 | 2.07 | |
| Morsetto del cavo | ||||
| 7 | 2601035001 | 1.32 | 1.61 | |
| Targhetta del produttore GBH 2000 | ||||
| 9 | 2601116661 | 2.71 | 3.31 | |
| Non più disponibile, nessuna sostituzione | ||||
| 12 | 2607329114 | |||
| CUSCINETTO A SFERE OSC 18 | ||||
| 13 | 2600905032 | 4.58 | 5.59 | |
| Manicotto ad ago AGC 18 | ||||
| 14 | 2600917003 | 2.52 | 3.07 | |
| Non più disponibile, nessuna sostituzione | ||||
| 16 | 2609992606 | |||
| Vite a testa cilindrica | ||||
| 18 | 2603410001 | 1.32 | 1.61 | |
| Vite a testa ovale Torx 4x30 | ||||
| 19 | 2603490022 | 1.00 | 1.22 | |
| Piastra di Riferimento | ||||
| 20 | 2601118585 | 1.18 | 1.44 | |
| Non più disponibile, nessuna sostituzione | ||||
| 26 | 2601022000 | |||
| Anello O | ||||
| 29 | 1900210000 | 1.32 | 1.61 | |
| Disco di controllo | ||||
| 30 | 2601990005 | 1.00 | 1.22 | |
| Disco di supporto | ||||
| 31 | 2600100034 | 1.00 | 1.22 | |
| Piastra di pressione ISC 240 completa | ||||
| 32 | 2600025005 | 1.00 | 1.22 | |
| Palla | ||||
| 33 | 1903230013 | 1.90 | 2.32 | |
| Vite a testa ovale Torx 4x30 | ||||
| 35 | 2603490025 | 1.00 | 1.22 | |
| CUSCINETTO A SFERE OSC 18 | ||||
| 38 | 1900905166 | 6.53 | 7.97 | |
| Vite a svasatura M6x20 MM FILETTATURA SINISTRA | ||||
| 40 | 2603421211 | 1.70 | 2.07 | |
| Anello di spaziatura | ||||
| 42 | 2600209004 | 1.94 | 2.37 | |
| CUSCINETTO | ||||
| 44 | 2600220026 | 8.45 | 10.31 | |
| Conduttore di terra | ||||
| 45 | 2604448103 | 0.83 | 1.01 | |
| Non più disponibile, nessuna sostituzione | ||||
| 46 | 2604448060 | |||
| Non più disponibile, nessuna sostituzione | ||||
| 47 | 2604448045 | |||
| Cavo di connessione | ||||
| 48 | 2604448034 | 1.32 | 1.61 | |
| Cavo di giunzione MX 1200/2 E EF | ||||
| 50 | 2604448115 | 1.00 | 1.22 | |
| Cavo di connessione | ||||
| 51 | 2604448132 | 1.00 | 1.22 | |
| Fascia di Contatto | ||||
| 54 | 2601329043 | 2.18 | 2.66 | |
| Anello di bloccaggio | ||||
| 56 | 2916650008 | 1.32 | 1.61 | |
| GHIERA | ||||
| 58 | 2600506009 | 1.18 | 1.44 | |
| Molla compressione | ||||
| 59 | 2604611040 | 1.18 | 1.44 | |
| Anello di ritenzione | ||||
| 63 | 2604601004 | 1.32 | 1.61 | |
| Nessuna informazione disponibile, non ordinabile | ||||
| 739 | 1608571061 | |||
| Chiave del mandrino | ||||
| 739/800 | 2607950007 | 5.96 | 7.27 | |
| Non più disponibile, nessuna sostituzione | ||||
| 764 | 2600460026 | |||
| Non più disponibile, nessuna sostituzione | ||||
| 765 | 2607000239 | |||
| Cavo di alimentazione | ||||
| 805 | 1607000385 | 12.21 | 14.90 | |
| Ghiandaia finale | ||||
| 805/20 | 1900452012 | 1.32 | 1.61 | |
| Targhetta | ||||
| 808 | 160111A3H3 | 2.18 | 2.66 | |
| Non più disponibile, nessuna sostituzione | ||||
| 816/04 | 2604321911 | |||
| Cappuccio a cricchetto | ||||
| 816/06 | 2601322013 | 1.32 | 1.61 | |
| Interruttore | ||||
| 825 | 2607200231 | 13.90 | 16.96 | |
| Ponte di cuscinetto | ||||
| 834 | 2605807924 | 15.61 | 19.04 | |
| Vite della piastra | ||||
| 843 | 2910611006 | 1.32 | 1.61 | |
| Mandrino di Perforazione | ||||
| 855 | 2606135919 | 36.85 | 44.96 | |
| Asse intermedio | ||||
| 860 | 2606100916 | 9.53 | 11.63 | |
| Non più disponibile, nessuna sostituzione | ||||
| 872 | 2608500006 | |||