Qui troverai tutte le parti e i disegni disponibili di “Bosch 3601J80494 ( GBL800E )”. Da qui puoi ordinare direttamente tutte le parti desiderate. Molte parti devono essere ordinate dal produttore, a seconda della marca, ciò richiede da una a quattro settimane. Tutte le informazioni che abbiamo sono sul nostro sito web, non possiamo consigliarti su ciò di cui hai bisogno, per questo dovrai restituire la macchina per la riparazione. Nota quanto segue al momento dell’ordinazione:
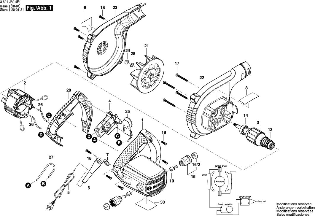
Disegni tecnici di Bosch 3601J80494 ( GBL800E )
Elenco parti di Bosch 3601J80494 ( GBL800E )
| Pos. | Descrizione | Prezzo IVA escl | Prezzo IVA incl | |
| I prezzi indicati sono comprensivi di IVA | ||||
| Custodia del motore | ||||
| 1 | 160510829B | 9.47 | 11.55 | |
| Campo 230V | ||||
| 2 | 1604220439 | 41.30 | 50.39 | |
| Indotto | ||||
| 3 | 1604010B1E | 41.30 | 50.39 | |
| Interruttore | ||||
| 4 | 2607200637 | 4.58 | 5.59 | |
| Cavo di alimentazione | ||||
| 5 | 1604460287 | 20.39 | 24.88 | |
| OCCHIELLO | ||||
| 6 | 2600703017 | 2.18 | 2.66 | |
| Morsetto del cavo | ||||
| 7 | 2601035001 | 1.32 | 1.61 | |
| KIT DI SERVIZIO 115V | ||||
| 10 | 1604321129 | 7.32 | 8.93 | |
| CUSCINETTO A SFERE OSC 18 | ||||
| 13 | 1900905018 | 15.61 | 19.04 | |
| CUSCINETTO A SFERE OSC 18 | ||||
| 14 | 1900905025 | 17.60 | 21.47 | |
| PORTA-SPAZZOLA | ||||
| 16 | 1600A00187 | 4.10 | 5.00 | |
| Cappuccio di Isolamento | ||||
| 16/2 | F002G31065 | 1.00 | 1.22 | |
| Vite 4x40MM | ||||
| 17 | 2914201712 | 0.83 | 1.01 | |
| VITE C M4X35 | ||||
| 18 | F002G31025 | 1.00 | 1.22 | |
| Maniglia TSC 55 | ||||
| 20 | 1605132159 | 3.71 | 4.53 | |
| Ventola Sunon PMD2412PMB1-A | ||||
| 21 | 1606610156 | 5.27 | 6.43 | |
| Custodia del ventilatore | ||||
| 22 | 1600A0015N | 8.48 | 10.35 | |
| Carcassa della ventola | ||||
| 23 | 1600A0015P | 7.32 | 8.93 | |
| Non più disponibile, nessuna sostituzione | ||||
| 24 | 1613300006 | |||
| Cavo di giunzione MX 1200/2 E EF | ||||
| 26 | 1600A00FT2 | 1.00 | 1.22 | |
| Disco di copertura | ||||
| 28 | 1600100036 | 1.00 | 1.22 | |
| Piastra di avvertimento | ||||
| 30 | 1601118N89 | 1.94 | 2.37 | |
| Ugello | ||||
| 650 | 1605190265 | 9.47 | 11.55 | |
| SACCO PER LA POLVERE | ||||
| 651 | 1605411034 | 11.02 | 13.44 | |
| Tubo di estensione | ||||
| 653 | 1619PA9088 | 8.48 | 10.35 | |
| Ugello Bianco | ||||
| 654 | 1619PA9089 | 9.47 | 11.55 | |
| Collegamento flessibile | ||||
| 655 | 1619PA9228 | 10.68 | 13.03 | |
| Ugello Bianco | ||||
| 656 | 1619PA9087 | 10.68 | 13.03 | |
| Adattatore | ||||
| 657 | 1600A01595 | 1.32 | 1.61 | |