Qui troverai tutte le parti e i disegni disponibili di “Bosch 3611B4A000 ( GBH3-28DFR )”. Da qui puoi ordinare direttamente tutte le parti desiderate. Molte parti devono essere ordinate dal produttore, a seconda della marca, ciò richiede da una a quattro settimane. Tutte le informazioni che abbiamo sono sul nostro sito web, non possiamo consigliarti su ciò di cui hai bisogno, per questo dovrai restituire la macchina per la riparazione. Nota quanto segue al momento dell’ordinazione:
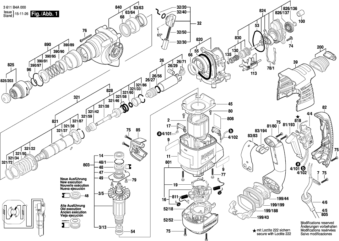
Disegni tecnici di Bosch 3611B4A000 ( GBH3-28DFR )
Elenco parti di Bosch 3611B4A000 ( GBH3-28DFR )
| Pos. | Descrizione | Prezzo IVA escl | Prezzo IVA incl | |
| I prezzi indicati sono comprensivi di IVA | ||||
| Campo 230V | ||||
| 2 | 1614220117 | 13.90 | 16.96 | |
| CUSCINETTO A SFERE OSC 18 | ||||
| 3/13 | 1610905032 | 4.58 | 5.59 | |
| Ventola Sunon PMD2412PMB1-A | ||||
| 3/5 | 1616610104 | 7.32 | 8.93 | |
| Cavo di connessione | ||||
| 4/101 | 1614490015 | 2.52 | 3.07 | |
| Cavo di connessione | ||||
| 4/102 | 1614490016 | 2.52 | 3.07 | |
| Interruttore | ||||
| 4/4 | 1617200127 | 26.62 | 32.48 | |
| OCCHIELLO | ||||
| 4/6 | 1600703034 | 2.18 | 2.66 | |
| Morsetto di fissaggio | ||||
| 7 | 1601302017 | 1.00 | 1.22 | |
| Targhetta del produttore GBH 2000 | ||||
| 9 | 160111C0UU | 2.18 | 2.66 | |
| Piastra di Riferimento | ||||
| 11 | 1611110Z43 | 2.18 | 2.66 | |
| CUSCINETTO A SFERE OSC 18 | ||||
| 14 | 1610905044 | 7.32 | 8.93 | |
| Piastra della spazzola | ||||
| 16 | 1614336064 | 17.60 | 21.47 | |
| Filtro di interferenza TURBO II R1 ET-BG | ||||
| 17 | 1614465011 | 5.96 | 7.27 | |
| Contatto Intercambiabile | ||||
| 19 | 1611329024 | 1.32 | 1.61 | |
| Pistone del martello | ||||
| 26 | 16170006A5 | 37.50 | 45.75 | |
| Percussore | ||||
| 26/27 | 1610311019 | 17.60 | 21.47 | |
| Spinotto del pistone | ||||
| 26/29 | 1613105020 | 4.58 | 5.59 | |
| Spinotto del pistone | ||||
| 26/29 | 1600A01TD0 | 3.71 | 4.53 | |
| Anello O | ||||
| 26/56 | 1610210121 | 2.18 | 2.66 | |
| Disco di Guida | ||||
| 26/71 | 1610100016 | 1.32 | 1.61 | |
| Maniglia a Morsetto | ||||
| 32 | 1612026151 | 12.21 | 14.90 | |
| Spina di pilotaggio | ||||
| 32/20 | 1614690009 | 3.04 | 3.71 | |
| Bottone dell'interruttore | ||||
| 32/30 | 1612026035 | 1.32 | 1.61 | |
| Anello O | ||||
| 32/40 | 1610210046 | 1.90 | 2.32 | |
| Molla compressione | ||||
| 32/50 | 1614611006 | 3.04 | 3.71 | |
| Coperchio dell'ingranaggio | ||||
| 39 | 1615808102 | 11.02 | 13.44 | |
| Anello deflettore d'aria | ||||
| 45 | 1610591046 | 1.32 | 1.61 | |
| Guarnizione labiale dell'albero rotante | ||||
| 47 | 1610283047 | 10.68 | 13.03 | |
| Anello del Cuscinetto | ||||
| 48 | 1610290102 | 5.96 | 7.27 | |
| Anello O | ||||
| 48/1 | 1610210208 | 1.32 | 1.61 | |
| Scudo finale | ||||
| 49 | 1615700044 | 1.90 | 2.32 | |
| Manicotto della frizione | ||||
| 52/18 | 1610290098 | 3.71 | 4.53 | |
| Coperchio | ||||
| 52/52 | 1615108154 | 8.48 | 10.35 | |
| Anello O | ||||
| 53 | 1610210245 | 2.52 | 3.07 | |
| Anello intermedio | ||||
| 54 | 1600502023 | 1.90 | 2.32 | |
| Anello di tenuta | ||||
| 55 | 1610210206 | 5.27 | 6.43 | |
| Manicotto ad ago AGC 18 | ||||
| 63/63 | 1610910063 | 5.27 | 6.43 | |
| MANICOTTO ESATRICO | ||||
| 63/64 | 1610390069 | 1.90 | 2.32 | |
| CUSCINETTO A MANICOTTO | ||||
| 66 | 1610202021 | 2.18 | 2.66 | |
| Guarnizione labiale dell'albero rotante | ||||
| 68 | 1610283036 | 6.53 | 7.97 | |
| Vite formante a filettatura M6x25 MM | ||||
| 74 | 1613435037 | 1.00 | 1.22 | |
| Vite a testa ovale Torx 4x30 | ||||
| 75 | 2603490023 | 1.00 | 1.22 | |
| Vite a testa ovale Torx 4x30 | ||||
| 76 | 2603490027 | 1.00 | 1.22 | |
| Vite formante a filettatura M6x25 MM | ||||
| 77 | 1613490017 | 2.18 | 2.66 | |
| Rondella di compensazione | ||||
| 78/1 | 1610102086 | 1.90 | 2.32 | |
| Rondella di compensazione | ||||
| 78/1 | 1610102087 | 1.90 | 2.32 | |
| Rondella di Compensazione 0,45mm | ||||
| 78/1 | 1610102090 | 1.70 | 2.07 | |
| Vite formante a filettatura M6x25 MM | ||||
| 79 | 1613435023 | 1.00 | 1.22 | |
| Vite di grasso AW 10 3x25 | ||||
| 80 | 1613435038 | 1.00 | 1.22 | |
| Cricchetto di commutazione | ||||
| 81/193 | 1612026126 | 2.18 | 2.66 | |
| Maniglia TSC 55 | ||||
| 81/80 | 1615133033 | 9.47 | 11.55 | |
| Piastra di maniglia | ||||
| 82 | 16170006AE | 10.68 | 13.03 | |
| Piastra di avvitamento | ||||
| 83/194 | 1610099013 | 1.90 | 2.32 | |
| Molla a Balia | ||||
| 83/83 | 1614690008 | 4.58 | 5.59 | |
| COPERTURA | ||||
| 85 | 1615500404 | 2.52 | 3.07 | |
| Anello di ritenzione | ||||
| 96 | 1614601046 | 1.32 | 1.61 | |
| Paracolpi in gomma | ||||
| 100 | 1610026003 | 1.32 | 1.61 | |
| Gruppo di interruttori | ||||
| 113 | 1616325002 | 10.68 | 13.03 | |
| Maniglia ausiliaria M10 | ||||
| 120 | 160202508Y | 20.39 | 24.88 | |
| Maniglia ausiliaria M10 | ||||
| 120/120 | 160202507H | 9.47 | 11.55 | |
| ANELLO DI FISSAGGIO D38X1,75 | ||||
| 120/124 | 1611316021 | 2.52 | 3.07 | |
| Vite a testa martello M8x80 MM | ||||
| 120/125 | 1613490001 | 7.32 | 8.93 | |
| Morsetto di Supporto | ||||
| 120/802 | 1617000685 | 4.58 | 5.59 | |
| Manicotto del ingranaggio | ||||
| 130 | 1616333049 | 15.61 | 19.04 | |
| Anello di ritenzione | ||||
| 135 | 1614601067 | 1.32 | 1.61 | |
| Elemento di Tensionamento | ||||
| 199/188 | 1610209008 | 3.04 | 3.71 | |
| Pieghe a soffietto | ||||
| 199/199 | 1610284002 | 5.27 | 6.43 | |
| Braccio oscillante | ||||
| 199/43 | 1612099002 | 2.18 | 2.66 | |
| Piede oscillante | ||||
| 199/44 | 1614611025 | 2.52 | 3.07 | |
| Pieghe a soffietto | ||||
| 200 | 1610284007 | 5.27 | 6.43 | |
| Frizione dell'utensile | ||||
| 321 | 16170006BV | 45.52 | 55.53 | |
| Ingranaggio Cilindrico | ||||
| 321/22 | 1616312004 | 10.68 | 13.03 | |
| Perno di percussione | ||||
| 321/28 | 1613124097 | 20.39 | 24.88 | |
| Boccola di tenuta | ||||
| 321/33 | 1610590020 | 5.96 | 7.27 | |
| Disco di supporto | ||||
| 321/34 | 1610190067 | 1.90 | 2.32 | |
| Spina Cilindrica | ||||
| 321/37 | 1613100019 | 1.32 | 1.61 | |
| Disco Di Serraggio | ||||
| 321/38 | 1600A008AG | 3.04 | 3.71 | |
| Rondella di spinta | ||||
| 321/42 | 1610102084 | 7.32 | 8.93 | |
| Boccola di guida STM 1800 | ||||
| 321/46 | 1610390068 | 13.90 | 16.96 | |
| Molla compressione | ||||
| 321/50 | 1614615008 | 5.27 | 6.43 | |
| Anello O | ||||
| 321/58 | 1610210105 | 3.71 | 4.53 | |
| Anello di tenuta albero | ||||
| 321/59 | 1600A009VC | 2.52 | 3.07 | |
| Anello O | ||||
| 321/60 | 1610210209 | 1.32 | 1.61 | |
| Anello di ritenzione | ||||
| 321/72 | 1604601027 | 1.00 | 1.22 | |
| Anello di ritenzione | ||||
| 321/86 | 1614601034 | 1.90 | 2.32 | |
| Anello di ritenzione | ||||
| 321/87 | 1604601028 | 1.00 | 1.22 | |
| Manicotto guida | ||||
| 390/89 | 1600A00NC8 | 2.18 | 2.66 | |
| Boccola a flangia KS 60 E | ||||
| 390/90 | 1610590016 | 3.71 | 4.53 | |
| Anello di riserva | ||||
| 390/91 | 1610200033 | 2.52 | 3.07 | |
| Molla compressione | ||||
| 390/95 | 1614643016 | 1.90 | 2.32 | |
| Anello di ritenzione | ||||
| 390/97 | 1614601047 | 1.32 | 1.61 | |
| Tubo di Grassa 30 ML | ||||
| 661 | 1615430010 | 5.96 | 7.27 | |
| Fermo di profondità TSF 55 EBQ | ||||
| 688 | 1613001009 | 3.04 | 3.71 | |
| Custodia del motore | ||||
| 801 | 1617000689 | 50.23 | 61.28 | |
| Indotto | ||||
| 803 | 1617000690 | 91.33 | 111.42 | |
| Cavo di alimentazione | ||||
| 805 | 1607000392 | 17.60 | 21.47 | |
| Targhetta | ||||
| 808 | 160111A3H5 | 2.18 | 2.66 | |
| KIT DI SERVIZIO 115V | ||||
| 811 | 1607000485 | 82.63 | 100.81 | |
| KIT DI SERVIZIO 115V | ||||
| 811 | 1617000525 | 9.47 | 11.55 | |
| Vite a testa cilindrica | ||||
| 818 | 2603410001 | 1.32 | 1.61 | |
| Flangia Intermedia | ||||
| 820 | 1617000691 | 37.50 | 45.75 | |
| COLLETTO | ||||
| 821 | 16170006BU | 67.98 | 82.94 | |
| Asse intermedio | ||||
| 824 | 1617000A38 | 75.38 | 91.96 | |
| COLLETTO | ||||
| 825 | 1617000895 | 41.30 | 50.39 | |
| Tappo protettivo | ||||
| 825/203 | 1610508047 | 1.90 | 2.32 | |
| Disco di feltro | ||||
| 826/136 | 1610205014 | 1.00 | 1.22 | |
| Disco di gomma | ||||
| 826/137 | 1610109019 | 1.18 | 1.44 | |
| Perno di percussione | ||||
| 828 | 16170006A7 | 50.23 | 61.28 | |
| Manicotto del ingranaggio | ||||
| 830 | 1617000698 | 30.08 | 36.70 | |
| Scatola di Meccanismo d'Impatto | ||||
| 840 | 1617000699 | 26.62 | 32.48 | |
| OCCHIELLO | ||||
| 890 | 1617000V41 | 9.47 | 11.55 | |
| Non più disponibile, nessuna sostituzione | ||||
| 895 | 1615438426 | |||