Qui troverai tutte le parti e i disegni disponibili di “Bosch 0611246703 ( GBH24VFR )”. Da qui puoi ordinare direttamente tutte le parti desiderate. Molte parti devono essere ordinate dal produttore, a seconda della marca, ciò richiede da una a quattro settimane. Tutte le informazioni che abbiamo sono sul nostro sito web, non possiamo consigliarti su ciò di cui hai bisogno, per questo dovrai restituire la macchina per la riparazione. Nota quanto segue al momento dell’ordinazione:
Disegni tecnici di Bosch 0611246703 ( GBH24VFR )
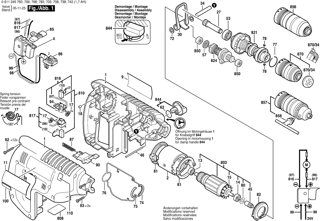
Elenco parti di Bosch 0611246703 ( GBH24VFR )
| Pos. | Descrizione | Prezzo IVA escl | Prezzo IVA incl | |
| I prezzi indicati sono comprensivi di IVA | ||||
| Sezione di alloggiamento BLU | ||||
| 1 | 1615104011 | 40.61 | 49.54 | |
| Custodia del polo 14,4-24V | ||||
| 2 | 2610942109 | 20.39 | 24.88 | |
| Non più disponibile, nessuna sostituzione | ||||
| 4 | 1617200067 | |||
| Non più disponibile, nessuna sostituzione | ||||
| 9 | 1611110A35 | |||
| Piastra di Riferimento | ||||
| 11 | 1611110A36 | 3.31 | 4.04 | |
| CUSCINETTO A SFERE OSC 18 | ||||
| 13 | 1600905033 | 6.53 | 7.97 | |
| Non più disponibile, nessuna sostituzione | ||||
| 14 | 2600905052 | |||
| Ventola Sunon PMD2412PMB1-A | ||||
| 15 | 1616610080 | 4.10 | 5.00 | |
| Molla a spirale AGC 18 | ||||
| 17 | 1604652013 | 1.32 | 1.61 | |
| Paracolpi in gomma | ||||
| 18 | 2603100056 | 1.32 | 1.61 | |
| Percussore | ||||
| 27 | 1618710076 | 4.70 | 5.73 | |
| Non più disponibile, nessuna sostituzione | ||||
| 30 | 1611911000 | |||
| Spina del cuscinetto | ||||
| 34 | 1613100021 | 0.83 | 1.01 | |
| Pignone di trasmissione Z=9 | ||||
| 45 | 1616316602 | 13.93 | 16.99 | |
| Spina Cilindrica | ||||
| 46 | 1613160022 | 1.00 | 1.22 | |
| Manicotto ad ago AGC 18 | ||||
| 53 | 1610910077 | 3.71 | 4.53 | |
| Cuscinetto a rulli assiali NERO | ||||
| 57 | 1610920009 | 2.18 | 2.66 | |
| Anello O | ||||
| 62 | 1610210125 | 1.00 | 1.22 | |
| Rondella di regolazione 0,4 MM DI SPESSORE | ||||
| 72 | 1610100007 | 1.00 | 1.22 | |
| Disco di tenuta | ||||
| 74 | 1611015045 | 4.58 | 5.59 | |
| Disco di tenuta | ||||
| 75 | 1611015041 | 1.00 | 1.22 | |
| Anello di tenuta | ||||
| 76 | 1610210138 | 1.00 | 1.22 | |
| Anello di ritenzione | ||||
| 77 | 1614601026 | 1.32 | 1.61 | |
| Palla | ||||
| 78 | 1903230010 | 1.00 | 1.22 | |
| Nessuna informazione disponibile, non ordinabile | ||||
| 80 | 1610100008 | |||
| Anello di posizionamento | ||||
| 81 | 1610290043 | 1.90 | 2.32 | |
| Anello deflettore d'aria | ||||
| 82 | 1610591017 | 3.31 | 4.04 | |
| Scorrimento dell'interruttore | ||||
| 85 | 1613231006 | 1.00 | 1.22 | |
| Non più disponibile, nessuna sostituzione | ||||
| 86 | 1609280157 | |||
| Molla compressione | ||||
| 87 | 1614611012 | 4.70 | 5.73 | |
| Scorrimento di arresto | ||||
| 90 | 1613231007 | 1.18 | 1.44 | |
| Vite della piastra | ||||
| 92 | 2912401021 | 1.00 | 1.22 | |
| Vite della piastra | ||||
| 93 | 2912401019 | 1.00 | 1.22 | |
| Vite della piastra | ||||
| 94 | 2912401005 | 1.00 | 1.22 | |
| Nessuna informazione disponibile, non ordinabile | ||||
| 98 | 1614416012 | |||
| Nessuna informazione disponibile, non ordinabile | ||||
| 99 | 1614416011 | |||
| Non più disponibile, nessuna sostituzione | ||||
| 100 | 1611110914 | |||
| Maniglia ausiliaria M10 | ||||
| 120 | 1612025019 | 5.96 | 7.27 | |
| Morsetto di supporto Ø43 MM | ||||
| 121 | 1618040067 | 5.83 | 7.11 | |
| Vite a testa martello M8x40 MM | ||||
| 122 | 1613490002 | 3.71 | 4.53 | |
| ANELLO DI FISSAGGIO D38X1,75 | ||||
| 123 | 1611316006 | 2.18 | 2.66 | |
| Fermo di profondità TSF 55 EBQ | ||||
| 652 | 1613001009 | 3.04 | 3.71 | |
| Pacco Batteria 24V, 1,7Ah, NiCd | ||||
| 653 | 2607335163 | 304.19 | 371.11 | |
| Caricabatterie Veloce CN GAL 1230 CV 220/12 V | ||||
| 654 | 2607225027 | 126.98 | 154.92 | |
| Tappo protettivo | ||||
| 655 | 1610508032 | 1.90 | 2.32 | |
| Tubo di Grassa 30 ML | ||||
| 661 | 1615430010 | 5.96 | 7.27 | |
| Indotto | ||||
| 803 | 1617000319 | 82.63 | 100.81 | |
| Targhetta | ||||
| 808 | 160111A3H5 | 2.18 | 2.66 | |
| Non più disponibile, nessuna sostituzione | ||||
| 810 | 1617014131 | |||
| Non più disponibile, nessuna sostituzione | ||||
| 816 | 1617000379 | |||
| Non più disponibile, nessuna sostituzione | ||||
| 817 | 1617000380 | |||
| Maniglia Ausiliaria Ø43 MM | ||||
| 820 | 1612025049 | 7.58 | 9.25 | |
| Tubo del martello | ||||
| 821 | 1617000387 | 81.47 | 99.39 | |
| Asse intermedio | ||||
| 824 | 1617000314 | 37.50 | 45.75 | |
| Non più disponibile, nessuna sostituzione | ||||
| 844 | 1617000322 | |||
| CUSCINETTO | ||||
| 850 | 1617000975 | 5.27 | 6.43 | |
| Mandrino senza chiave | ||||
| 856 | 1617000332 | 102.63 | 125.21 | |
| Mandrino a chiave | ||||
| 857 | 1618571029 | 67.98 | 82.94 | |
| Chiave del mandrino | ||||
| 858 | 2607950007 | 5.96 | 7.27 | |
| Non più disponibile, nessuna sostituzione | ||||
| 870 | 1617000327 | |||
| Tappo protettivo | ||||
| 870/34 | 1610508047 | 1.90 | 2.32 | |