Qui troverai tutte le parti e i disegni disponibili di “Bosch 0611226803 ( GBH2SR )”. Da qui puoi ordinare direttamente tutte le parti desiderate. Molte parti devono essere ordinate dal produttore, a seconda della marca, ciò richiede da una a quattro settimane. Tutte le informazioni che abbiamo sono sul nostro sito web, non possiamo consigliarti su ciò di cui hai bisogno, per questo dovrai restituire la macchina per la riparazione. Nota quanto segue al momento dell’ordinazione:
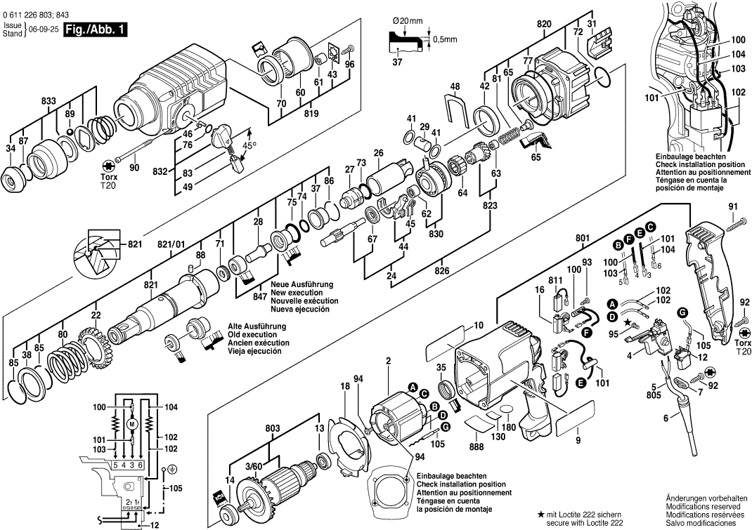
Disegni tecnici di Bosch 0611226803 ( GBH2SR )
Elenco parti di Bosch 0611226803 ( GBH2SR )
| Pos. | Descrizione | Prezzo IVA escl | Prezzo IVA incl | |
| I prezzi indicati sono comprensivi di IVA | ||||
| Campo 230V | ||||
| 2 | 1614220172 | 20.39 | 24.88 | |
| Ventola Sunon PMD2412PMB1-A | ||||
| 3/60 | 1616610095 | 1.90 | 2.32 | |
| Interruttore | ||||
| 4 | 1617200056 | 45.52 | 55.53 | |
| Interruttore | ||||
| 4 | 1617200077 | 33.33 | 40.66 | |
| OCCHIELLO | ||||
| 6 | 2600703018 | 2.18 | 2.66 | |
| Morsetto del cavo | ||||
| 7 | 1611035005 | 1.90 | 2.32 | |
| Targhetta del produttore GBH 2000 | ||||
| 9 | 1611110X28 | 2.71 | 3.31 | |
| Piastra di Riferimento | ||||
| 10 | 1611110660 | 3.04 | 3.71 | |
| Filtro di interferenza TURBO II R1 ET-BG | ||||
| 12 | 1607328040 | 5.96 | 7.27 | |
| CUSCINETTO A SFERE OSC 18 | ||||
| 13 | 1610905025 | 5.96 | 7.27 | |
| CUSCINETTO A SFERE OSC 18 | ||||
| 14 | 1610905048 | 7.32 | 8.93 | |
| PORTA-SPAZZOLA | ||||
| 16 | 1617000343 | 9.47 | 11.55 | |
| Non più disponibile, nessuna sostituzione | ||||
| 18 | 1610522009 | |||
| Ingranaggio Cilindrico | ||||
| 22 | 1616317602 | 10.68 | 13.03 | |
| Albero Dentato | ||||
| 24 | 1617000518 | 36.85 | 44.96 | |
| Non più disponibile, nessuna sostituzione | ||||
| 26 | 1618700062 | |||
| Percussore | ||||
| 27 | 1618710057 | 13.90 | 16.96 | |
| Perno di percussione | ||||
| 28 | 1613124040 | 4.58 | 5.59 | |
| Spinotto del pistone | ||||
| 29 | 1613105012 | 3.04 | 3.71 | |
| Griglia di Protezione | ||||
| 31 | 1615510003 | 2.18 | 2.66 | |
| Tappo protettivo | ||||
| 34 | 1610508008 | 1.90 | 2.32 | |
| Anello di gomma 10 MM DI LARGHEZZA | ||||
| 35 | 1610206021 | 1.32 | 1.61 | |
| Boccola di smorzamento | ||||
| 37 | 1610390017 | 4.58 | 5.59 | |
| Non più disponibile, nessuna sostituzione | ||||
| 38 | 1610102026 | |||
| Rondella di regolazione 0,4 MM DI SPESSORE | ||||
| 41 | 1610101011 | 1.32 | 1.61 | |
| CUSCINETTO A MANICOTTO | ||||
| 42 | 1610202015 | 2.52 | 3.07 | |
| Rondella Con Linguetta | ||||
| 43 | 1611098005 | 2.52 | 3.07 | |
| Elemento di commutazione | ||||
| 44 | 1615820092 | 2.18 | 2.66 | |
| Molla dell'interruttore | ||||
| 45 | 1614651014 | 1.32 | 1.61 | |
| Spina di pilotaggio | ||||
| 46 | 1614690002 | 1.32 | 1.61 | |
| PIASTRA DI MONTAGGIO | ||||
| 48 | 1611016003 | 1.90 | 2.32 | |
| Bottone dell'interruttore | ||||
| 49 | 1612026035 | 1.32 | 1.61 | |
| CUSCINETTO A RULLINI | ||||
| 60 | 1610910073 | 9.47 | 11.55 | |
| Manicotto ad ago AGC 18 | ||||
| 61 | 1610910098 | 3.04 | 3.71 | |
| Manicotto ad ago AGC 18 | ||||
| 62 | 1610910074 | 3.04 | 3.71 | |
| Non più disponibile, nessuna sostituzione | ||||
| 63 | 1610910064 | |||
| Assemblea di aghi rotanti | ||||
| 64 | 1610913010 | 3.71 | 4.53 | |
| CUSCINETTO A MANICOTTO | ||||
| 65 | 1610591016 | 2.52 | 3.07 | |
| CUSCINETTO A SFERE OSC 18 | ||||
| 67 | 1610905016 | 8.48 | 10.35 | |
| Anello di tenuta albero | ||||
| 70 | 1610283019 | 6.53 | 7.97 | |
| Spazzola | ||||
| 71 | 1610290029 | 3.04 | 3.71 | |
| Anello O | ||||
| 72 | 1610210068 | 1.32 | 1.61 | |
| Anello O | ||||
| 73 | 1610210187 | 1.90 | 2.32 | |
| Anello O | ||||
| 74 | 1610210104 | 2.18 | 2.66 | |
| Anello O | ||||
| 75 | 1610210105 | 3.71 | 4.53 | |
| Anello O | ||||
| 76 | 1610210046 | 1.90 | 2.32 | |
| Anello O | ||||
| 77 | 1610210106 | 2.18 | 2.66 | |
| Molla compressione | ||||
| 80 | 1614634005 | 1.32 | 1.61 | |
| Molla compressione | ||||
| 81 | 1614611009 | 1.32 | 1.61 | |
| Molla compressione | ||||
| 83 | 1614611006 | 3.04 | 3.71 | |
| Anello di ritenzione | ||||
| 85 | 1614601011 | 1.32 | 1.61 | |
| Anello di ritenzione | ||||
| 86 | 1614601024 | 1.32 | 1.61 | |
| Anello di ritenzione | ||||
| 87 | 160460102S | 1.00 | 1.22 | |
| RUOTA | ||||
| 88 | 1613200007 | 1.32 | 1.61 | |
| Palla | ||||
| 89 | 1903230013 | 1.90 | 2.32 | |
| Vite della piastra | ||||
| 90 | 1603435036 | 1.32 | 1.61 | |
| Vite di grasso AW 10 3x25 | ||||
| 91 | 2603490026 | 1.00 | 1.22 | |
| Vite a testa ovale Torx 4x30 | ||||
| 92 | 2603490023 | 1.00 | 1.22 | |
| Vite della piastra | ||||
| 93 | 2910211005 | 1.00 | 1.22 | |
| Bullone della Frizione | ||||
| 94 | 2603435015 | 1.90 | 2.32 | |
| Vite a testa cilindrica | ||||
| 95 | 2603410001 | 1.32 | 1.61 | |
| Vite della piastra | ||||
| 96 | 2912401018 | 1.00 | 1.22 | |
| Filtro di interferenza TURBO II R1 ET-BG | ||||
| 100 | 2604465086 | 5.27 | 6.43 | |
| Filtro di interferenza TURBO II R1 ET-BG | ||||
| 101 | 2604465097 | 5.27 | 6.43 | |
| Cavo Elettrico | ||||
| 102 | 2604448005 | 1.32 | 1.61 | |
| Cavo di connessione | ||||
| 103 | 1614448017 | 1.90 | 2.32 | |
| Non più disponibile, nessuna sostituzione | ||||
| 104 | 2604448137 | |||
| Non più disponibile, nessuna sostituzione | ||||
| 130 | 1601110265 | |||
| Fusto del mandrino trapano 1/2 SDS-PLUS | ||||
| 700 | 1617000154 | 30.08 | 36.70 | |
| Vite a testa svasata VN-HK 85 M5x10 | ||||
| 700/20 | 2603421226 | 1.32 | 1.61 | |
| Mandrino | ||||
| 701 | 1608571088 | 26.62 | 32.48 | |
| Chiave del mandrino | ||||
| 701/700 | 2607950007 | 5.96 | 7.27 | |
| Non più disponibile, nessuna sostituzione | ||||
| 711 | 1617000133 | |||
| Anello di ritenzione | ||||
| 711/10/2 | 2604601004 | 1.32 | 1.61 | |
| Nessuna informazione disponibile, non ordinabile | ||||
| 750 | 2605438294 | |||
| Nessuna informazione disponibile, non ordinabile | ||||
| 755 | 1618580000 | |||
| Custodia del motore | ||||
| 801 | 1617000477 | 15.61 | 19.04 | |
| Indotto | ||||
| 803 | 1614010227 | 67.98 | 82.94 | |
| Cavo di alimentazione | ||||
| 805 | 1614460026 | 15.61 | 19.04 | |
| KIT DI SERVIZIO 115V | ||||
| 811 | 1617014134 | 7.32 | 8.93 | |
| Carter del ingranaggio | ||||
| 819 | 1617000385 | 33.45 | 40.81 | |
| Flangia Intermedia | ||||
| 820 | 1617000981 | 26.62 | 32.48 | |
| Manica a cricchetto | ||||
| 821 | 1616490061 | 61.93 | 75.55 | |
| Manica a cricchetto | ||||
| 821/01 | 1616490060 | 82.63 | 100.81 | |
| Maniglia ausiliaria M10 | ||||
| 822 | 2602025118 | 12.21 | 14.90 | |
| Maniglia ausiliaria M10 | ||||
| 822/120 | 1612025019 | 5.96 | 7.27 | |
| ANELLO DI FISSAGGIO D38X1,75 | ||||
| 822/124 | 1611316006 | 2.18 | 2.66 | |
| Vite a testa martello M8x40 MM | ||||
| 822/125 | 1613490002 | 3.71 | 4.53 | |
| Morsetto di Supporto | ||||
| 822/802 | 2608040176 | 5.96 | 7.27 | |
| Manicotto del ingranaggio | ||||
| 823 | 1616328042 | 36.85 | 44.96 | |
| Albero Dentato | ||||
| 826 | 1617000517 | 73.72 | 89.94 | |
| Cuscinetto di Trasmissione Su Disegno Pos.830 | ||||
| 830 | 1615819018 | 55.25 | 67.40 | |
| Maniglia a Morsetto | ||||
| 832 | 1612026037 | 8.48 | 10.35 | |
| Manicotto di Protezione | ||||
| 833 | 1617000163 | 6.53 | 7.97 | |
| Anello guida | ||||
| 847 | 1617000348 | 12.21 | 14.90 | |
| Fermo di profondità TSF 55 EBQ | ||||
| 879 | 1613001009 | 3.04 | 3.71 | |
| Targhetta | ||||
| 888 | 160111A3H5 | 2.18 | 2.66 | |