Qui troverai tutte le parti e i disegni disponibili di “Bosch 0611234608 ( GBH2-20SE )”. Da qui puoi ordinare direttamente tutte le parti desiderate. Molte parti devono essere ordinate dal produttore, a seconda della marca, ciò richiede da una a quattro settimane. Tutte le informazioni che abbiamo sono sul nostro sito web, non possiamo consigliarti su ciò di cui hai bisogno, per questo dovrai restituire la macchina per la riparazione. Nota quanto segue al momento dell’ordinazione:
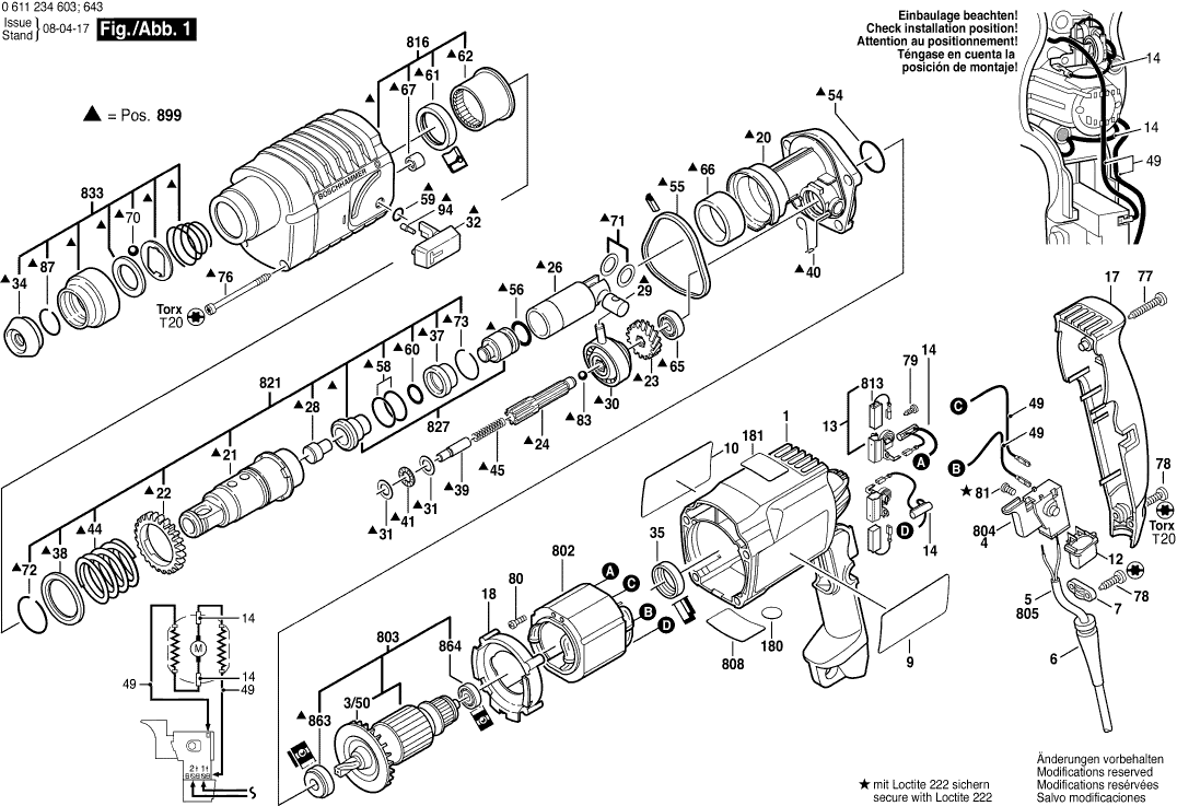
Disegni tecnici di Bosch 0611234608 ( GBH2-20SE )
Elenco parti di Bosch 0611234608 ( GBH2-20SE )
| Pos. | Descrizione | Prezzo IVA escl | Prezzo IVA incl | |
| I prezzi indicati sono comprensivi di IVA | ||||
| Custodia del motore | ||||
| 1 | 1615108112 | 10.68 | 13.03 | |
| Ventola Sunon PMD2412PMB1-A | ||||
| 3/50 | 1616610072 | 1.90 | 2.32 | |
| Non più disponibile, nessuna sostituzione | ||||
| 4 | 1617200086 | |||
| OCCHIELLO | ||||
| 6 | 2600703018 | 2.18 | 2.66 | |
| Morsetto del cavo | ||||
| 7 | 1611035005 | 1.90 | 2.32 | |
| Targhetta del produttore GBH 2000 | ||||
| 9 | 1611110837 | 1.32 | 1.61 | |
| Targhetta del produttore GBH 2000 | ||||
| 10 | 1611110837 | 1.32 | 1.61 | |
| Non più disponibile, nessuna sostituzione | ||||
| 12 | 1617328025 | |||
| PORTA-SPAZZOLA | ||||
| 13 | 1617000343 | 9.47 | 11.55 | |
| Filtro di interferenza TURBO II R1 ET-BG | ||||
| 14 | 1614465008 | 6.53 | 7.97 | |
| Coperchio Custodia BLU | ||||
| 17 | 1615132065 | 4.10 | 5.00 | |
| Anello deflettore d'aria | ||||
| 18 | 1610522008 | 1.00 | 1.22 | |
| Flangia Intermedia | ||||
| 20 | 1615700037 | 41.30 | 50.39 | |
| Manica a cricchetto | ||||
| 21 | 1616490058 | 234.56 | 286.16 | |
| Ingranaggio Cilindrico | ||||
| 22 | 1616320007 | 6.53 | 7.97 | |
| Non più disponibile, nessuna sostituzione | ||||
| 23 | 1616320002 | |||
| Albero Dentato | ||||
| 24 | 1613060010 | 55.56 | 67.78 | |
| Pistone del martello | ||||
| 26 | 1618700052 | 11.02 | 13.44 | |
| Perno di percussione | ||||
| 28 | 1613124026 | 2.52 | 3.07 | |
| Spinotto del pistone | ||||
| 29 | 1613105012 | 3.04 | 3.71 | |
| Cuscinetto di Trasmissione Su Disegno Pos.830 | ||||
| 30 | 1615819005 | 30.08 | 36.70 | |
| Disco di supporto | ||||
| 31 | 1610100003 | 1.32 | 1.61 | |
| Maniglia a Morsetto | ||||
| 32 | 1612026023 | 2.18 | 2.66 | |
| Tappo protettivo | ||||
| 34 | 1610508008 | 1.90 | 2.32 | |
| Anello di gomma 10 MM DI LARGHEZZA | ||||
| 35 | 1610206021 | 1.32 | 1.61 | |
| Boccola di smorzamento | ||||
| 37 | 1610390011 | 3.04 | 3.71 | |
| Disco di supporto | ||||
| 38 | 1610102022 | 1.90 | 2.32 | |
| Spina Cilindrica | ||||
| 39 | 1613100013 | 1.90 | 2.32 | |
| MOLLA DI RITENZIONE OSC 18 | ||||
| 40 | 1614690001 | 1.00 | 1.22 | |
| Assemblaggio Gabbia-Rulli | ||||
| 41 | 1610920003 | 3.71 | 4.53 | |
| Molla compressione | ||||
| 44 | 1614633001 | 1.90 | 2.32 | |
| Molla compressione | ||||
| 45 | 1614614001 | 1.00 | 1.22 | |
| Cavo Elettrico | ||||
| 49 | 2604448005 | 1.32 | 1.61 | |
| Anello O | ||||
| 54 | 1610210068 | 1.32 | 1.61 | |
| Anello di tenuta | ||||
| 55 | 1610206023 | 2.52 | 3.07 | |
| Anello O | ||||
| 56 | 1610210070 | 2.18 | 2.66 | |
| Anello O | ||||
| 58 | 1610210058 | 2.18 | 2.66 | |
| Anello O | ||||
| 59 | 1610210069 | 1.00 | 1.22 | |
| Anello O | ||||
| 60 | 1610210073 | 1.90 | 2.32 | |
| Guarnizione labiale dell'albero rotante | ||||
| 61 | 1610283017 | 6.53 | 7.97 | |
| CUSCINETTO A MANICOTTO | ||||
| 62 | 1610202026 | 4.58 | 5.59 | |
| Non più disponibile, nessuna sostituzione | ||||
| 65 | 1900900228 | |||
| CUSCINETTO | ||||
| 66 | 1610301000 | 2.18 | 2.66 | |
| Non più disponibile, nessuna sostituzione | ||||
| 67 | 1610910064 | |||
| Palla | ||||
| 70 | 1903230013 | 1.90 | 2.32 | |
| Rondella di regolazione 0,4 MM DI SPESSORE | ||||
| 71 | 1610101011 | 1.32 | 1.61 | |
| Anello di ritenzione | ||||
| 72 | 2916540018 | 3.04 | 3.71 | |
| Anello di ritenzione | ||||
| 73 | 1614601009 | 1.00 | 1.22 | |
| Vite della piastra | ||||
| 76 | 1613435009 | 1.32 | 1.61 | |
| Vite della piastra | ||||
| 77 | 1603435051 | 1.70 | 2.07 | |
| Vite della piastra | ||||
| 78 | 1603435050 | 1.32 | 1.61 | |
| Vite della piastra | ||||
| 79 | 2910211005 | 1.00 | 1.22 | |
| Bullone della Frizione | ||||
| 80 | 2603435015 | 1.90 | 2.32 | |
| Vite della piastra | ||||
| 80 | 1613435009 | 1.32 | 1.61 | |
| Vite a testa cilindrica | ||||
| 81 | 2603410001 | 1.32 | 1.61 | |
| Palla | ||||
| 83 | 1903230309 | 1.32 | 1.61 | |
| Anello di ritenzione | ||||
| 87 | 160460102S | 1.00 | 1.22 | |
| Perno di blocco HKC 55 | ||||
| 94 | 1613120017 | 1.32 | 1.61 | |
| Fusto del mandrino trapano 1/2 SDS-PLUS | ||||
| 700 | 1617000154 | 30.08 | 36.70 | |
| Vite a testa svasata VN-HK 85 M5x10 | ||||
| 700/20 | 2603421226 | 1.32 | 1.61 | |
| Mandrino | ||||
| 701 | 1608571088 | 26.62 | 32.48 | |
| Chiave del mandrino | ||||
| 701/700 | 2607950007 | 5.96 | 7.27 | |
| Non più disponibile, nessuna sostituzione | ||||
| 711 | 1617000133 | |||
| Anello di ritenzione | ||||
| 711/10/2 | 2604601004 | 1.32 | 1.61 | |
| Non più disponibile, nessuna sostituzione | ||||
| 711/20 | 1608521004 | |||
| Non più disponibile, nessuna sostituzione | ||||
| 711/30 | 2607000248 | |||
| Non più disponibile, nessuna sostituzione | ||||
| 711/40 | 1608511020 | |||
| Cassa di trasporto | ||||
| 791 | 1615438146 | 0.83 | 1.01 | |
| Campo 230V | ||||
| 802 | 2604220429 | 22.88 | 27.91 | |
| Armatura 220-240V | ||||
| 803 | 1614010052 | 55.25 | 67.40 | |
| Cavo di alimentazione | ||||
| 805 | 1614460026 | 15.61 | 19.04 | |
| Targhetta | ||||
| 808 | 160111A3H5 | 2.18 | 2.66 | |
| KIT DI SERVIZIO 115V | ||||
| 813 | 1617014132 | 10.68 | 13.03 | |
| Carter del ingranaggio | ||||
| 816 | 1615806077 | 45.52 | 55.53 | |
| Manicotto a Cricchetto SDS-PLUS | ||||
| 821 | 1617000812 | 91.56 | 111.70 | |
| Maniglia ausiliaria M10 | ||||
| 822 | 2602025118 | 12.21 | 14.90 | |
| Maniglia ausiliaria M10 | ||||
| 822/120 | 1612025019 | 5.96 | 7.27 | |
| ANELLO DI FISSAGGIO D38X1,75 | ||||
| 822/124 | 1611316006 | 2.18 | 2.66 | |
| Vite a testa martello M8x40 MM | ||||
| 822/125 | 1613490002 | 3.71 | 4.53 | |
| Morsetto di Supporto | ||||
| 822/802 | 2608040176 | 5.96 | 7.27 | |
| Percussore | ||||
| 827 | 1617000338 | 26.62 | 32.48 | |
| Manicotto di Protezione | ||||
| 833 | 1617000163 | 6.53 | 7.97 | |
| CUSCINETTO A SFERE OSC 18 | ||||
| 863 | 1610905048 | 7.32 | 8.93 | |
| CUSCINETTO A SFERE OSC 18 | ||||
| 864 | 1610905025 | 5.96 | 7.27 | |
| Fermo di profondità TSF 55 EBQ | ||||
| 879 | 1613001009 | 3.04 | 3.71 | |
| Meccanismo d'impatto | ||||
| 899 | 1617000353 | 75.38 | 91.96 | |