Qui troverai tutte le parti e i disegni disponibili di “Bosch 0611221603 ( GAH500DSE )”. Da qui puoi ordinare direttamente tutte le parti desiderate. Molte parti devono essere ordinate dal produttore, a seconda della marca, ciò richiede da una a quattro settimane. Tutte le informazioni che abbiamo sono sul nostro sito web, non possiamo consigliarti su ciò di cui hai bisogno, per questo dovrai restituire la macchina per la riparazione. Nota quanto segue al momento dell’ordinazione:
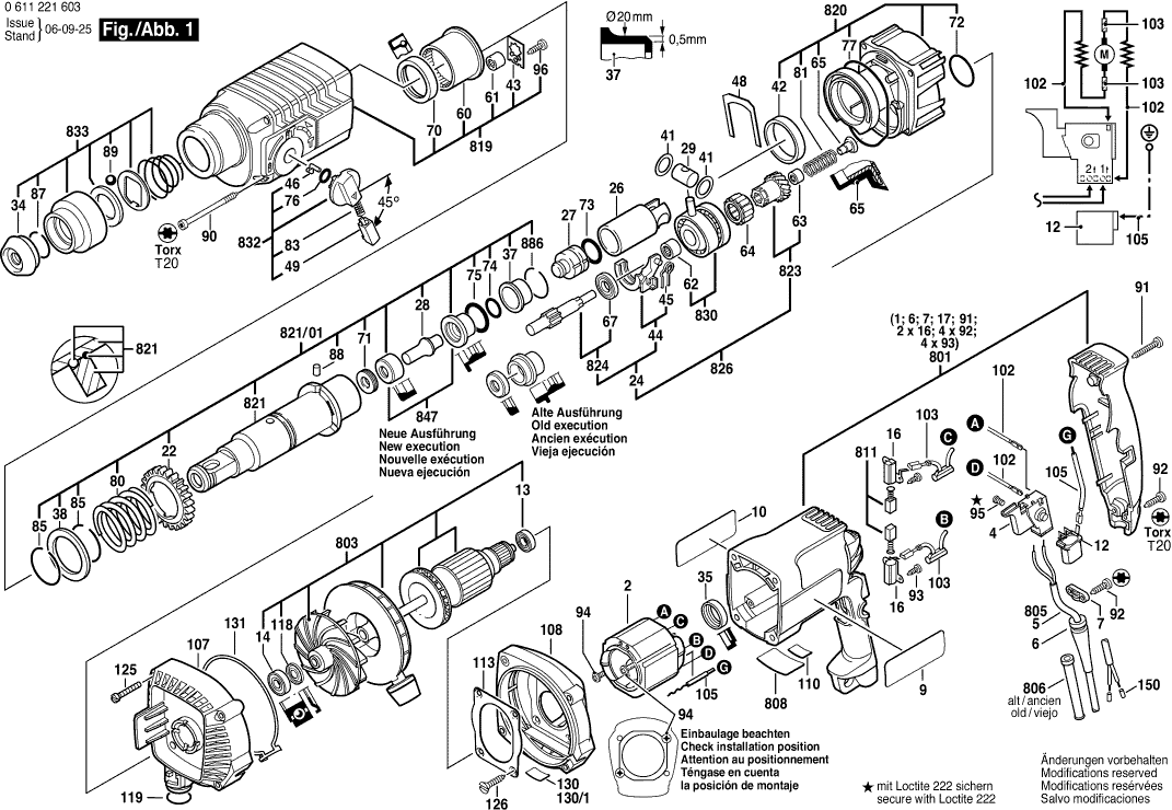
Disegni tecnici di Bosch 0611221603 ( GAH500DSE )
Elenco parti di Bosch 0611221603 ( GAH500DSE )
| Pos. | Descrizione | Prezzo IVA escl | Prezzo IVA incl | |
| I prezzi indicati sono comprensivi di IVA | ||||
| Campo 230V | ||||
| 2 | 2604220491 | 20.39 | 24.88 | |
| Non più disponibile, nessuna sostituzione | ||||
| 4 | 1617200089 | |||
| Cavo di alimentazione | ||||
| 5 | 1614460026 | 15.61 | 19.04 | |
| OCCHIELLO | ||||
| 6 | 2600703018 | 2.18 | 2.66 | |
| Morsetto del cavo | ||||
| 7 | 1611035005 | 1.90 | 2.32 | |
| Targhetta del produttore GBH 2000 | ||||
| 9 | 1611110651 | 3.31 | 4.04 | |
| Piastra di Riferimento | ||||
| 10 | 1611110652 | 3.31 | 4.04 | |
| Filtro di interferenza TURBO II R1 ET-BG | ||||
| 12 | 1607328040 | 5.96 | 7.27 | |
| CUSCINETTO A SFERE OSC 18 | ||||
| 13 | 1610905032 | 4.58 | 5.59 | |
| CUSCINETTO A SFERE OSC 18 | ||||
| 14 | 1610905048 | 7.32 | 8.93 | |
| PORTA-SPAZZOLA | ||||
| 16 | 2604337016 | 1.00 | 1.22 | |
| Ingranaggio Cilindrico | ||||
| 22 | 1616317602 | 10.68 | 13.03 | |
| Albero Dentato | ||||
| 24 | 1617000518 | 36.85 | 44.96 | |
| Non più disponibile, nessuna sostituzione | ||||
| 26 | 1618700062 | |||
| Percussore | ||||
| 27 | 1618710057 | 13.90 | 16.96 | |
| Perno di percussione | ||||
| 28 | 1613124040 | 4.58 | 5.59 | |
| Spinotto del pistone | ||||
| 29 | 1613105012 | 3.04 | 3.71 | |
| Tappo protettivo | ||||
| 34 | 1610508008 | 1.90 | 2.32 | |
| Anello di gomma 10 MM DI LARGHEZZA | ||||
| 35 | 1610206021 | 1.32 | 1.61 | |
| Boccola di smorzamento | ||||
| 37 | 1610390017 | 4.58 | 5.59 | |
| Non più disponibile, nessuna sostituzione | ||||
| 38 | 1610102026 | |||
| Rondella di regolazione 0,4 MM DI SPESSORE | ||||
| 41 | 1610101011 | 1.32 | 1.61 | |
| CUSCINETTO A MANICOTTO | ||||
| 42 | 1610202015 | 2.52 | 3.07 | |
| Rondella Con Linguetta | ||||
| 43 | 1611098005 | 2.52 | 3.07 | |
| Elemento di commutazione | ||||
| 44 | 1615820092 | 2.18 | 2.66 | |
| Molla dell'interruttore | ||||
| 45 | 1614651014 | 1.32 | 1.61 | |
| Spina di pilotaggio | ||||
| 46 | 1614690002 | 1.32 | 1.61 | |
| PIASTRA DI MONTAGGIO | ||||
| 48 | 1611016003 | 1.90 | 2.32 | |
| Bottone dell'interruttore | ||||
| 49 | 1612026035 | 1.32 | 1.61 | |
| CUSCINETTO A RULLINI | ||||
| 60 | 1610910073 | 9.47 | 11.55 | |
| Manicotto ad ago AGC 18 | ||||
| 61 | 1610910098 | 3.04 | 3.71 | |
| Manicotto ad ago AGC 18 | ||||
| 62 | 1610910074 | 3.04 | 3.71 | |
| Non più disponibile, nessuna sostituzione | ||||
| 63 | 1610910064 | |||
| Assemblea di aghi rotanti | ||||
| 64 | 1610913010 | 3.71 | 4.53 | |
| CUSCINETTO A MANICOTTO | ||||
| 65 | 1610591016 | 2.52 | 3.07 | |
| CUSCINETTO A SFERE OSC 18 | ||||
| 67 | 1610905016 | 8.48 | 10.35 | |
| Anello di tenuta albero | ||||
| 70 | 1610283019 | 6.53 | 7.97 | |
| Spazzola | ||||
| 71 | 1610290029 | 3.04 | 3.71 | |
| Anello O | ||||
| 72 | 1610210068 | 1.32 | 1.61 | |
| Anello O | ||||
| 73 | 1610210187 | 1.90 | 2.32 | |
| Anello O | ||||
| 74 | 1610210104 | 2.18 | 2.66 | |
| Anello O | ||||
| 75 | 1610210105 | 3.71 | 4.53 | |
| Anello O | ||||
| 76 | 1610210046 | 1.90 | 2.32 | |
| Anello O | ||||
| 77 | 1610210106 | 2.18 | 2.66 | |
| Molla compressione | ||||
| 80 | 1614634005 | 1.32 | 1.61 | |
| Molla compressione | ||||
| 81 | 1614611009 | 1.32 | 1.61 | |
| Molla compressione | ||||
| 83 | 1614611006 | 3.04 | 3.71 | |
| Anello di ritenzione | ||||
| 85 | 1614601011 | 1.32 | 1.61 | |
| Anello di ritenzione | ||||
| 87 | 160460102S | 1.00 | 1.22 | |
| RUOTA | ||||
| 88 | 1613200007 | 1.32 | 1.61 | |
| Palla | ||||
| 89 | 1903230013 | 1.90 | 2.32 | |
| Vite a testa cilindrica DIN 84-M5x65-4.8 | ||||
| 90 | 1613410004 | 1.18 | 1.44 | |
| Vite di grasso AW 10 3x25 | ||||
| 91 | 2603490026 | 1.00 | 1.22 | |
| Vite a testa ovale Torx 4x30 | ||||
| 92 | 2603490023 | 1.00 | 1.22 | |
| Vite della piastra | ||||
| 93 | 2910211005 | 1.00 | 1.22 | |
| Bullone della Frizione | ||||
| 94 | 2603435015 | 1.90 | 2.32 | |
| Vite a testa cilindrica | ||||
| 95 | 2603410001 | 1.32 | 1.61 | |
| Vite della piastra | ||||
| 96 | 2912401018 | 1.00 | 1.22 | |
| Cavo Elettrico | ||||
| 102 | 2604448005 | 1.32 | 1.61 | |
| Filtro di interferenza TURBO II R1 ET-BG | ||||
| 103 | 1614465008 | 6.53 | 7.97 | |
| Conduttore di terra | ||||
| 105 | 1614449011 | 1.70 | 2.07 | |
| Carcassa della ventola | ||||
| 107 | 1615190042 | 23.75 | 28.98 | |
| Carcasa del Ventilatore | ||||
| 108 | 1615190044 | 15.71 | 19.17 | |
| Piastra di Profilo | ||||
| 113 | 1611038017 | 4.10 | 5.00 | |
| Disco di tenuta | ||||
| 118 | 2916130027 | 2.52 | 3.07 | |
| Anello O | ||||
| 119 | 1610210045 | 2.18 | 2.66 | |
| Maniglia ausiliaria M10 | ||||
| 120 | 1612025019 | 5.96 | 7.27 | |
| Morsetto di Supporto | ||||
| 121 | 1618040048 | 7.32 | 8.93 | |
| Vite a testa martello M8x40 MM | ||||
| 122 | 1613490002 | 3.71 | 4.53 | |
| ANELLO DI FISSAGGIO D38X1,75 | ||||
| 123 | 1611316006 | 2.18 | 2.66 | |
| Vite a testa cilindrica DIN 84-AM5x35-8.8 | ||||
| 125 | 2910021168 | 0.83 | 1.01 | |
| Vite per lamiera a testa svasata | ||||
| 126 | 1613435005 | 1.94 | 2.37 | |
| Non più disponibile, nessuna sostituzione | ||||
| 130 | 1601110265 | |||
| Disco di tenuta | ||||
| 131 | 1611015039 | 2.52 | 3.07 | |
| Tappo H03 Kiba DF700 | ||||
| 653 | 1610591008 | 3.04 | 3.71 | |
| Nessuna informazione disponibile, non ordinabile | ||||
| 700 | 1617000132 | |||
| Vite a testa svasata VN-HK 85 M5x10 | ||||
| 700/20 | 2603421226 | 1.32 | 1.61 | |
| Mandrino | ||||
| 701 | 1608571088 | 26.62 | 32.48 | |
| Chiave del mandrino | ||||
| 701/700 | 2607950007 | 5.96 | 7.27 | |
| Non più disponibile, nessuna sostituzione | ||||
| 711 | 1617000133 | |||
| Anello di ritenzione | ||||
| 711/10/2 | 2604601004 | 1.32 | 1.61 | |
| Maniglia ausiliaria M10 | ||||
| 720 | 2602025070 | 12.21 | 14.90 | |
| Dispositivo di aspirazione | ||||
| 727 | 1607000263 | 0.83 | 1.01 | |
| Tubo Corrugato Ø 16,5x550 MM | ||||
| 728 | 1610712042 | 8.45 | 10.31 | |
| Non più disponibile, nessuna sostituzione | ||||
| 729 | 2605411044 | |||
| Telaio di Supporto | ||||
| 729/10 | 1615190046 | 36.85 | 44.96 | |
| Morsetto di Supporto | ||||
| 729/30 | 1612386001 | 2.52 | 3.07 | |
| Disco scorrevole | ||||
| 729/40 | 1619200408 | 0.83 | 1.01 | |
| Dado unione per accoppiamento rapido | ||||
| 729/50 | 1619200409 | 2.52 | 3.07 | |
| Disco di tenuta | ||||
| 729/60 | 1610121001 | 1.18 | 1.44 | |
| Raccordo per tubo | ||||
| 751 | 2607000178 | 0.83 | 1.01 | |
| Anello O | ||||
| 751/10 | 1610210045 | 2.18 | 2.66 | |
| Sacchetto di Carta 10 Pezzi | ||||
| 752 | 1615411003 | 0.83 | 1.01 | |
| Nessuna informazione disponibile, non ordinabile | ||||
| 754 | 2605411043 | |||
| Nessuna informazione disponibile, non ordinabile | ||||
| 755 | 1618580000 | |||
| Collegamento flessibile | ||||
| 760 | 2607000176 | 0.83 | 1.01 | |
| Tubo in PVC | ||||
| 760/10 | 2600712004 | 0.83 | 1.01 | |
| Raccordo per tubo | ||||
| 760/20 | 2605702024 | 0.83 | 1.01 | |
| Non più disponibile, nessuna sostituzione | ||||
| 760/30 | 2605702025 | |||
| Nessuna informazione disponibile, non ordinabile | ||||
| 761 | 1610793002 | |||
| Custodia del motore | ||||
| 801 | 1615108062 | 26.62 | 32.48 | |
| STATORE 230V | ||||
| 803 | 1614010193 | 101.94 | 124.37 | |
| Cavo di alimentazione | ||||
| 805 | 1614460026 | 15.61 | 19.04 | |
| OCCHIELLO | ||||
| 806 | 2600703011 | 2.52 | 3.07 | |
| OCCHIELLO | ||||
| 806 | 2600703013 | 2.18 | 2.66 | |
| Targhetta | ||||
| 808 | 160111A3H5 | 2.18 | 2.66 | |
| Non più disponibile, nessuna sostituzione | ||||
| 811 | 1607014117 | |||
| Coperchio Custodia BLU | ||||
| 817 | 1615132047 | 4.70 | 5.73 | |
| Carter del ingranaggio | ||||
| 819 | 1615806093 | 50.23 | 61.28 | |
| Flangia Intermedia | ||||
| 820 | 1617000981 | 26.62 | 32.48 | |
| Manica a cricchetto | ||||
| 821 | 1616490061 | 61.93 | 75.55 | |
| Manica a cricchetto | ||||
| 821/01 | 1616490060 | 82.63 | 100.81 | |
| Manicotto del ingranaggio | ||||
| 823 | 1616328042 | 36.85 | 44.96 | |
| Albero Dentato | ||||
| 826 | 1617000517 | 73.72 | 89.94 | |
| Cuscinetto di Trasmissione Su Disegno Pos.830 | ||||
| 830 | 1615819018 | 55.25 | 67.40 | |
| Maniglia a Morsetto | ||||
| 832 | 1612026037 | 8.48 | 10.35 | |
| Manicotto di Protezione | ||||
| 833 | 1617000163 | 6.53 | 7.97 | |
| Anello guida | ||||
| 847 | 1617000348 | 12.21 | 14.90 | |
| Anello di ritenzione | ||||
| 886 | 1614601024 | 1.32 | 1.61 | |