Qui troverai tutte le parti e i disegni disponibili di “Bosch 0603144103 ( E21SB )”. Da qui puoi ordinare direttamente tutte le parti desiderate. Molte parti devono essere ordinate dal produttore, a seconda della marca, ciò richiede da una a quattro settimane. Tutte le informazioni che abbiamo sono sul nostro sito web, non possiamo consigliarti su ciò di cui hai bisogno, per questo dovrai restituire la macchina per la riparazione. Nota quanto segue al momento dell’ordinazione:
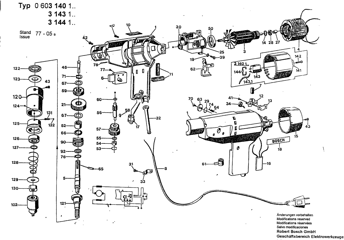
Disegni tecnici di Bosch 0603144103 ( E21SB )
Elenco parti di Bosch 0603144103 ( E21SB )
| Pos. | Descrizione | Prezzo IVA escl | Prezzo IVA incl | |
| I prezzi indicati sono comprensivi di IVA | ||||
| Non più disponibile, nessuna sostituzione | ||||
| 1 | 1605104905 | |||
| Non più disponibile, nessuna sostituzione | ||||
| 3 | 1604010134 | |||
| Non più disponibile, nessuna sostituzione | ||||
| 4 | 1604220116 | |||
| Non più disponibile, nessuna sostituzione | ||||
| 5 | 1603121018 | |||
| Interruttore on-off | ||||
| 6 | 1609202464 | 22.88 | 27.91 | |
| Non più disponibile, nessuna sostituzione | ||||
| 7 | 1604321900 | |||
| Cavo di alimentazione | ||||
| 8 | 1607000386 | 17.60 | 21.47 | |
| Targhetta | ||||
| 10 | 2601105045 | 0.83 | 1.01 | |
| Non più disponibile, nessuna sostituzione | ||||
| 11 | 1602381001 | |||
| PORTA-SPAZZOLA | ||||
| 12 | 1601323007 | 1.18 | 1.44 | |
| Non più disponibile, nessuna sostituzione | ||||
| 13 | 1601034025 | |||
| Non più disponibile, nessuna sostituzione | ||||
| 14 | 1610210014 | |||
| Non più disponibile, nessuna sostituzione | ||||
| 15 | 1605500066 | |||
| Non più disponibile, nessuna sostituzione | ||||
| 16 | 2607329069 | |||
| Interruttore termico | ||||
| 17 | 1607202900 | 13.93 | 16.99 | |
| Targhetta del produttore GBH 2000 | ||||
| 18 | 1601110481 | 1.90 | 2.32 | |
| Rondella elastica | ||||
| 19 | 2916690003 | 1.00 | 1.22 | |
| Non più disponibile, nessuna sostituzione | ||||
| 21 | 2606317012 | |||
| Cuscinetto a sfere a gola profonda 627 Y DIN 625 | ||||
| 25 | 1900900235 | 15.71 | 19.17 | |
| Non più disponibile, nessuna sostituzione | ||||
| 27 | 1600301900 | |||
| Non più disponibile, nessuna sostituzione | ||||
| 28 | 1600205023 | |||
| Non più disponibile, nessuna sostituzione | ||||
| 29 | 1600210024 | |||
| Non più disponibile, nessuna sostituzione | ||||
| 30 | 1605807906 | |||
| Vite della piastra | ||||
| 31 | 2603435011 | 0.83 | 1.01 | |
| OCCHIELLO | ||||
| 32 | 1600703016 | 1.00 | 1.22 | |
| Morsetto di fissaggio | ||||
| 33 | 1601302014 | 2.18 | 2.66 | |
| Molla a spirale AGC 18 | ||||
| 34 | 1604652004 | 2.18 | 2.66 | |
| Vite a testa cilindrica | ||||
| 39 | 2910011120 | 1.00 | 1.22 | |
| Vite della piastra | ||||
| 40 | 2910211019 | 1.00 | 1.22 | |
| Vite per Lamiera DIN 7972-BZ2,9x6,5 | ||||
| 41 | 2910601004 | 0.83 | 1.01 | |
| Vite della piastra | ||||
| 42 | 2910211006 | 1.00 | 1.22 | |
| Non più disponibile, nessuna sostituzione | ||||
| 43 | 2910211017 | |||
| Albero di controllo Z=20 | ||||
| 48 | 2603105011 | 0.83 | 1.01 | |
| Anello O | ||||
| 50 | 1600502008 | 0.83 | 1.01 | |
| CUSCINETTO A RULLINI | ||||
| 52 | 1600910008 | 0.83 | 1.01 | |
| Anello di ritenzione | ||||
| 53 | 2916600008 | 2.52 | 3.07 | |
| Boccola Ø8G7xØ14R6x6MM | ||||
| 54 | 2600301043 | 0.83 | 1.01 | |
| Rondella piana 0,3 MM | ||||
| 55 | 1230100633 | 0.83 | 1.01 | |
| Non più disponibile, nessuna sostituzione | ||||
| 56 | 1606309058 | |||
| Non più disponibile, nessuna sostituzione | ||||
| 57 | 1606328096 | |||
| Chiavetta Woodruff DIN 6888-3x3,7-ST-60 | ||||
| 58 | 1900023004 | 0.83 | 1.01 | |
| Non più disponibile, nessuna sostituzione | ||||
| 59 | 1606317069 | |||
| Rondella di compensazione | ||||
| 60 | 1600100611 | 1.32 | 1.61 | |
| Leva di Controllo | ||||
| 61 | 1602026040 | 0.83 | 1.01 | |
| Forcella di controllo | ||||
| 62 | 1601328001 | 0.83 | 1.01 | |
| Disco eccentrico | ||||
| 63 | 1600148005 | 0.83 | 1.01 | |
| Molla compressione | ||||
| 64 | 1604611016 | 0.83 | 1.01 | |
| Chiave Piana | ||||
| 65 | 1602300017 | 0.83 | 1.01 | |
| Anello di tenuta 13,0x4,0 MM | ||||
| 66 | 2600210025 | 0.83 | 1.01 | |
| Rondella di compensazione | ||||
| 67 | 2600101603 | 1.18 | 1.44 | |
| Rondella di compensazione Ø14,5x21,5x0,5 MM | ||||
| 67 | 2000101600 | 1.18 | 1.44 | |
| Vite per Lamiera B 3,9x9,5 DIN 7972 | ||||
| 70 | 2910600017 | 0.83 | 1.01 | |
| Anello di ritenzione 14x1 DIN 471 | ||||
| 71 | 2916650005 | 0.83 | 1.01 | |
| Etichetta di avvertimento 3 MM DIN 5401 | ||||
| 74 | 1903230304 | 0.83 | 1.01 | |
| Anello di bloccaggio | ||||
| 76 | 2916650006 | 1.32 | 1.61 | |
| Vite a testa cilindrica M3x10 MM | ||||
| 77 | 2603410023 | 1.18 | 1.44 | |
| Anello O | ||||
| 78 | 1610210121 | 2.18 | 2.66 | |
| Disco Di Serraggio | ||||
| 90 | 1606490013 | 0.83 | 1.01 | |
| Rondella di compensazione | ||||
| 92 | 2600100695 | 1.32 | 1.61 | |
| Rondella di compensazione 0,2 MM | ||||
| 92 | 2600100692 | 1.18 | 1.44 | |
| Rondella di compensazione 0,3 MM | ||||
| 92 | 2600100693 | 0.83 | 1.01 | |
| Non più disponibile, nessuna sostituzione | ||||
| 102 | 1608571005 | |||
| Non più disponibile, nessuna sostituzione | ||||
| 102/1 | 1607950027 | |||
| Non più disponibile, nessuna sostituzione | ||||
| 120 | 1607020004 | |||
| Non più disponibile, nessuna sostituzione | ||||
| 121 | 1607031902 | |||
| Anello aghi spinta assiale | ||||
| 122 | 1600920000 | 4.58 | 5.59 | |
| Disco del cuscinetto assiale | ||||
| 123 | 1600102011 | 2.52 | 3.07 | |
| Palla | ||||
| 124 | 1903230010 | 1.00 | 1.22 | |
| Non più disponibile, nessuna sostituzione | ||||
| 125 | 1605801022 | |||
| Non più disponibile, nessuna sostituzione | ||||
| 126 | 1900905102 | |||
| Rondella di regolazione 0,4 MM DI SPESSORE | ||||
| 127 | 1600101600 | 1.32 | 1.61 | |
| Molla compressione | ||||
| 128 | 1604643002 | 0.83 | 1.01 | |
| Rondella piana | ||||
| 129 | 1600101017 | 0.83 | 1.01 | |
| Anello Filettato | ||||
| 130 | 1603343007 | 0.83 | 1.01 | |
| Molla compressione | ||||
| 131 | 1604610009 | 1.32 | 1.61 | |
| Palla | ||||
| 132 | 1903230308 | 0.83 | 1.01 | |