Qui troverai tutte le parti e i disegni disponibili di “Bosch 0603166168 ( CSB1000-2RET )”. Da qui puoi ordinare direttamente tutte le parti desiderate. Molte parti devono essere ordinate dal produttore, a seconda della marca, ciò richiede da una a quattro settimane. Tutte le informazioni che abbiamo sono sul nostro sito web, non possiamo consigliarti su ciò di cui hai bisogno, per questo dovrai restituire la macchina per la riparazione. Nota quanto segue al momento dell’ordinazione:
Disegni tecnici di Bosch 0603166168 ( CSB1000-2RET )
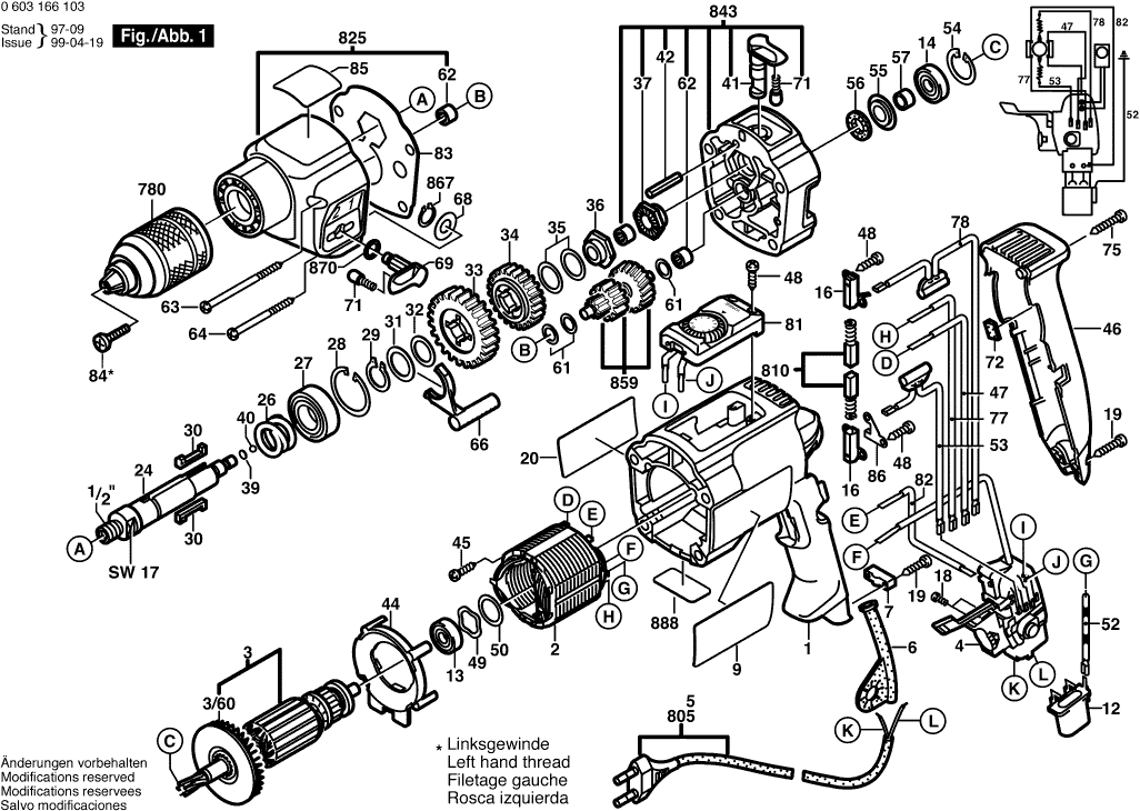
Elenco parti di Bosch 0603166168 ( CSB1000-2RET )
| Pos. | Descrizione | Prezzo IVA escl | Prezzo IVA incl | |
| I prezzi indicati sono comprensivi di IVA | ||||
| Casa del Motore VERDE | ||||
| 1 | 2605104296 | 15.71 | 19.17 | |
| Non più disponibile, nessuna sostituzione | ||||
| 2 | 2604220436 | |||
| Non più disponibile, nessuna sostituzione | ||||
| 3 | 2604010865 | |||
| Ventola Sunon PMD2412PMB1-A | ||||
| 3/60 | 2606610049 | 1.90 | 2.32 | |
| Non più disponibile, nessuna sostituzione | ||||
| 4 | 2607200238 | |||
| OCCHIELLO | ||||
| 6 | 2600703012 | 2.52 | 3.07 | |
| Morsetto del cavo | ||||
| 7 | 2601035001 | 1.32 | 1.61 | |
| Non più disponibile, nessuna sostituzione | ||||
| 9 | 2601119418 | |||
| Non più disponibile, nessuna sostituzione | ||||
| 12 | 2607329114 | |||
| CUSCINETTO A SFERE OSC 18 | ||||
| 13 | 1900905018 | 15.61 | 19.04 | |
| CUSCINETTO A SFERE OSC 18 | ||||
| 14 | 2600905050 | 9.53 | 11.63 | |
| PORTA-SPAZZOLA | ||||
| 16 | 2604337016 | 1.00 | 1.22 | |
| Vite a testa cilindrica | ||||
| 18 | 2603410001 | 1.32 | 1.61 | |
| Vite a testa ovale Torx 4x30 | ||||
| 19 | 2603490022 | 1.00 | 1.22 | |
| Non più disponibile, nessuna sostituzione | ||||
| 20 | 2601119414 | |||
| Non più disponibile, nessuna sostituzione | ||||
| 24 | 2606135013 | |||
| Molla compressione | ||||
| 26 | 2604616002 | 1.32 | 1.61 | |
| CUSCINETTO A SFERE OSC 18 | ||||
| 27 | 1900905163 | 9.47 | 11.55 | |
| Anello di bloccaggio | ||||
| 28 | 2916660014 | 1.32 | 1.61 | |
| Anello di bloccaggio | ||||
| 29 | 2916650008 | 1.32 | 1.61 | |
| Chiave Piana | ||||
| 30 | 2602300028 | 4.10 | 5.00 | |
| Rondella di ritenzione 1,8 MM DI SPESSORE | ||||
| 31 | 2600101671 | 1.32 | 1.61 | |
| Rondella di compensazione | ||||
| 32 | 2600101515 | 1.00 | 1.22 | |
| Ingranaggio Cilindrico | ||||
| 33 | 2606317045 | 9.47 | 11.55 | |
| Ingranaggio Cilindrico Z=36 | ||||
| 34 | 2606317037 | 23.75 | 28.98 | |
| Rondella di compensazione | ||||
| 35 | 2600101616 | 2.52 | 3.07 | |
| Rondella di compensazione | ||||
| 35 | 2600101617 | 1.32 | 1.61 | |
| Disco Di Serraggio | ||||
| 36 | 2600190052 | 5.33 | 6.50 | |
| Non più disponibile, nessuna sostituzione | ||||
| 37 | 2600190057 | |||
| Rondella di regolazione 0,4 MM DI SPESSORE | ||||
| 39 | 2600000030 | 1.32 | 1.61 | |
| Rondella di regolazione 0,4 MM DI SPESSORE | ||||
| 39 | 2600000012 | 1.00 | 1.22 | |
| Rondella di regolazione 0,4 MM DI SPESSORE | ||||
| 39 | 2600000014 | 1.00 | 1.22 | |
| Palla | ||||
| 40 | 1903230010 | 1.00 | 1.22 | |
| Pulsante rotativo D34 M6/8T blu | ||||
| 41 | 2602026017 | 6.53 | 7.97 | |
| Perno di serraggio | ||||
| 42 | 2917780105 | 1.00 | 1.22 | |
| Non più disponibile, nessuna sostituzione | ||||
| 44 | 2601328033 | |||
| Vite della piastra | ||||
| 45 | 2603435086 | 1.32 | 1.61 | |
| Coperchio del alloggiamento VERDE | ||||
| 46 | 2605132025 | 6.53 | 7.97 | |
| Cavo Di Connessione L = 123 MM BIANCO | ||||
| 47 | 2604448145 | 1.18 | 1.44 | |
| Vite a testa ovale Torx 4x30 | ||||
| 48 | 2603490017 | 1.90 | 2.32 | |
| Rondella di compensazione | ||||
| 49 | 2600150004 | 1.90 | 2.32 | |
| Rondella di regolazione 0,4 MM DI SPESSORE | ||||
| 50 | 2600101027 | 1.32 | 1.61 | |
| Rondella di regolazione 0,4 MM DI SPESSORE | ||||
| 50 | 2600101665 | 1.32 | 1.61 | |
| Rondella di regolazione 0,4 MM DI SPESSORE | ||||
| 50 | 2600101667 | 1.32 | 1.61 | |
| Conduttore di terra | ||||
| 52 | 2604448103 | 0.83 | 1.01 | |
| Anello di bloccaggio | ||||
| 54 | 2916660008 | 1.90 | 2.32 | |
| Rondella a tazza | ||||
| 55 | 2600500002 | 1.32 | 1.61 | |
| Rondella in feltro D 20/14 2mm | ||||
| 56 | 2600108077 | 1.32 | 1.61 | |
| Receptacolo | ||||
| 57 | 2600400008 | 1.32 | 1.61 | |
| Rondella di compensazione | ||||
| 61 | 2600100607 | 1.32 | 1.61 | |
| Manicotto ad ago AGC 18 | ||||
| 62 | 2600914010 | 2.52 | 3.07 | |
| Non più disponibile, nessuna sostituzione | ||||
| 63 | 2603435070 | |||
| Non più disponibile, nessuna sostituzione | ||||
| 64 | 2603435071 | |||
| Scivolo di regolazione | ||||
| 66 | 2602033006 | 2.52 | 3.07 | |
| Rondella di regolazione 0,4 MM DI SPESSORE | ||||
| 68 | 2600100618 | 1.00 | 1.22 | |
| Non più disponibile, nessuna sostituzione | ||||
| 69 | 2602026038 | |||
| Cappuccio a cricchetto | ||||
| 71 | 2600590006 | 1.32 | 1.61 | |
| Allegato | ||||
| 72 | 2601010049 | 1.18 | 1.44 | |
| Vite a testa ovale Torx 4x30 | ||||
| 75 | 2603490024 | 1.32 | 1.61 | |
| Non più disponibile, nessuna sostituzione | ||||
| 77 | 2604448137 | |||
| Controllo Coppia 230V | ||||
| 81 | 2607233006 | 26.84 | 32.74 | |
| Cavo di collegamento L=176 MM BIANCO | ||||
| 82 | 2604448004 | 1.18 | 1.44 | |
| Guarnizione | ||||
| 83 | 2601073012 | 1.00 | 1.22 | |
| Non più disponibile, nessuna sostituzione | ||||
| 85 | 2601118187 | |||
| Piastra VERDE | ||||
| 86 | 2600034003 | 2.71 | 3.31 | |
| Maniglia ausiliaria M10 | ||||
| 753 | 1619PB4323 | 8.48 | 10.35 | |
| Dado esagonale | ||||
| 753/20 | 2915011007 | 1.00 | 1.22 | |
| Vite ad ali | ||||
| 753/30 | 1613480007 | 1.32 | 1.61 | |
| Non più disponibile, nessuna sostituzione | ||||
| 753/50 | 2608040014 | |||
| Vite ad ali | ||||
| 753/60 | 1613480008 | 1.32 | 1.61 | |
| Nessuna informazione disponibile, non ordinabile | ||||
| 754 | 2603001019 | |||
| Mandrino senza chiave | ||||
| 780 | 2608572106 | 91.33 | 111.42 | |
| Cavo di alimentazione | ||||
| 805 | 1607000388 | 10.68 | 13.03 | |
| KIT DI SERVIZIO 115V | ||||
| 810 | 2604321905 | 9.47 | 11.55 | |
| Casa del cambio VERDE | ||||
| 825 | 2605806987 | 15.71 | 19.17 | |
| Flangia Intermedia | ||||
| 843 | 2605700936 | 49.56 | 60.46 | |
| Non più disponibile, nessuna sostituzione | ||||
| 859 | 2606100914 | |||
| Adesivo TRAPANO/TRAPANO A PERCUSSIONE | ||||
| 865 | 2601110076 | 1.18 | 1.44 | |
| Anello di bloccaggio | ||||
| 867 | 2916080007 | 2.18 | 2.66 | |
| Set di pezzi | ||||
| 870 | 2607010226 | 1.18 | 1.44 | |
| Targhetta | ||||
| 888 | 160111A3H3 | 2.18 | 2.66 | |