Qui troverai tutte le parti e i disegni disponibili di “Bosch 0600823036 ( ART30 )”. Da qui puoi ordinare direttamente tutte le parti desiderate. Molte parti devono essere ordinate dal produttore, a seconda della marca, ciò richiede da una a quattro settimane. Tutte le informazioni che abbiamo sono sul nostro sito web, non possiamo consigliarti su ciò di cui hai bisogno, per questo dovrai restituire la macchina per la riparazione. Nota quanto segue al momento dell’ordinazione:
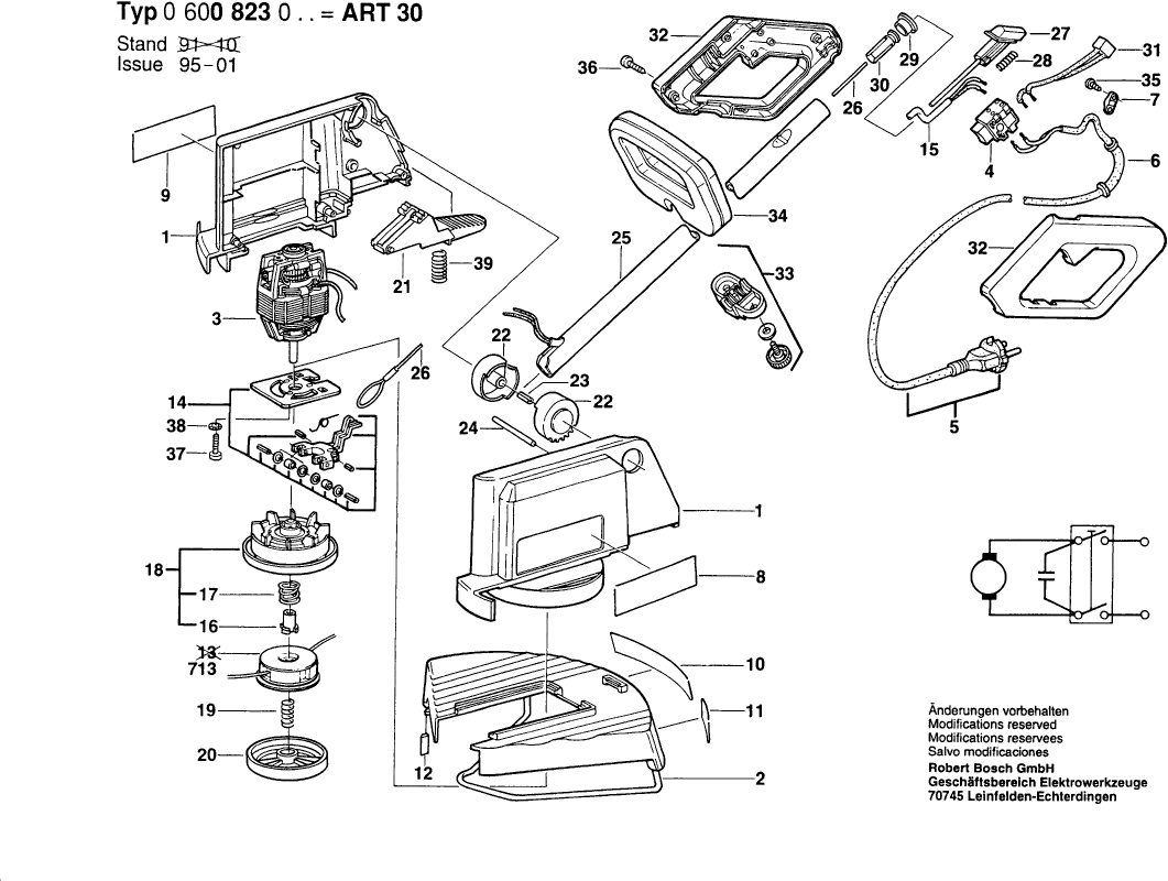
Disegni tecnici di Bosch 0600823036 ( ART30 )
Elenco parti di Bosch 0600823036 ( ART30 )
| Pos. | Descrizione | Prezzo IVA escl | Prezzo IVA incl | |
| I prezzi indicati sono comprensivi di IVA | ||||
| Casa del Motore VERDE | ||||
| 1 | 1609202547 | 29.75 | 36.30 | |
| Scudo Protettivo NERO | ||||
| 2 | 1609202384 | 26.84 | 32.74 | |
| Motore a Corrente Alternata | ||||
| 3 | 1609202385 | 67.25 | 82.04 | |
| Interruttore on-off | ||||
| 4 | 1609201315 | 6.53 | 7.97 | |
| Non più disponibile, nessuna sostituzione | ||||
| 5 | 1609202380 | |||
| OCCHIELLO | ||||
| 6 | 1600703016 | 1.00 | 1.22 | |
| Morsetto del cavo | ||||
| 7 | 2601035001 | 1.32 | 1.61 | |
| Targhetta | ||||
| 8 | 1601110953 | 0.83 | 1.01 | |
| Targhetta del produttore GBH 2000 | ||||
| 9 | 1601110949 | 0.83 | 1.01 | |
| Piastra di Riferimento | ||||
| 10 | 1601110536 | 1.18 | 1.44 | |
| Piastra di Riferimento | ||||
| 11 | 1601110654 | 1.94 | 2.37 | |
| Piastra della lama 38x10x1 MM | ||||
| 12 | 1609201464 | 1.70 | 2.07 | |
| Piastra Del Motore | ||||
| 14 | 1609202386 | 4.10 | 5.00 | |
| Cavo di connessione | ||||
| 15 | 1609202387 | 6.54 | 7.98 | |
| Portatore Ø12x18 MM | ||||
| 16 | 1609202389 | 1.70 | 2.07 | |
| Molla compressione | ||||
| 17 | 1609202390 | 1.18 | 1.44 | |
| Ventola Sunon PMD2412PMB1-A | ||||
| 18 | 1609202388 | 13.93 | 16.99 | |
| Non più disponibile, nessuna sostituzione | ||||
| 19 | 1609202445 | |||
| Non più disponibile, nessuna sostituzione | ||||
| 20 | 1609202391 | |||
| Leva di Rilascio | ||||
| 21 | 1609202392 | 6.54 | 7.98 | |
| Disco Di Serraggio | ||||
| 22 | 1609202393 | 8.45 | 10.31 | |
| Spina Cilindrica | ||||
| 23 | 2917610086 | 1.32 | 1.61 | |
| Spina Cilindrica | ||||
| 24 | 1609202394 | 1.18 | 1.44 | |
| Tubo di guida | ||||
| 25 | 1609202395 | 18.19 | 22.19 | |
| Corda di nylon | ||||
| 26 | 1609202396 | 1.94 | 2.37 | |
| Pulsante | ||||
| 27 | 1609201329 | 2.71 | 3.31 | |
| Molla compressione | ||||
| 28 | 1609201328 | 1.18 | 1.44 | |
| Pezzo guida | ||||
| 29 | 1609202397 | 2.24 | 2.73 | |
| Scorrere * | ||||
| 30 | 1609202398 | 2.24 | 2.73 | |
| Filtro di interferenza TURBO II R1 ET-BG | ||||
| 31 | 1609201313 | 4.70 | 5.73 | |
| Maniglia VERDE | ||||
| 32 | 1609202548 | 15.71 | 19.17 | |
| Set Pezzi di Tensionatore VERDE | ||||
| 33 | 1609202549 | 13.93 | 16.99 | |
| Maniglia extra VERDE | ||||
| 34 | 1609202550 | 18.19 | 22.19 | |
| Vite a testa a croce DIN 7981-ST 3,9x13-F-H | ||||
| 35 | 2910611418 | 0.83 | 1.01 | |
| Vite della piastra | ||||
| 36 | 2912401022 | 1.00 | 1.22 | |
| Vite a testa cilindrica | ||||
| 37 | 2910021118 | 1.00 | 1.22 | |
| Rondella Dentata A4,3-FST DIN6798 | ||||
| 38 | 2916079031 | 0.83 | 1.01 | |
| Molla compressione | ||||
| 39 | 1609202400 | 1.18 | 1.44 | |
| Blocco di guida | ||||
| 705 | 1609201304 | 12.41 | 15.14 | |
| Non più disponibile, nessuna sostituzione | ||||
| 713 | 1609202382 | |||