Qui troverai tutte le parti e i disegni disponibili di “Bosch 0600897003 ( ARM32 )”. Da qui puoi ordinare direttamente tutte le parti desiderate. Molte parti devono essere ordinate dal produttore, a seconda della marca, ciò richiede da una a quattro settimane. Tutte le informazioni che abbiamo sono sul nostro sito web, non possiamo consigliarti su ciò di cui hai bisogno, per questo dovrai restituire la macchina per la riparazione. Nota quanto segue al momento dell’ordinazione:
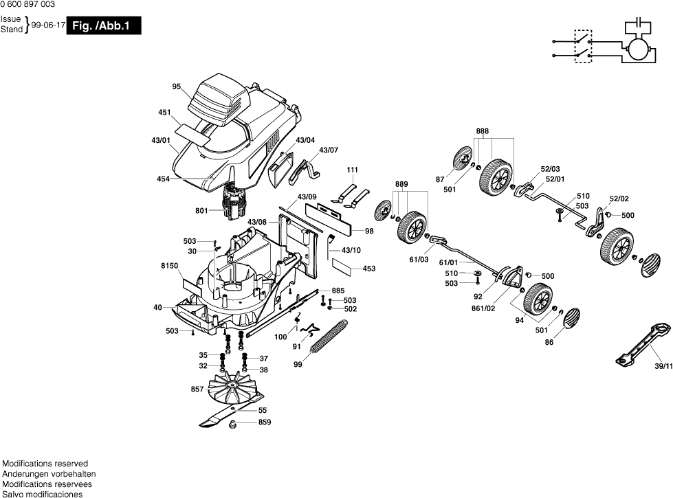
Disegni tecnici di Bosch 0600897003 ( ARM32 )
Elenco parti di Bosch 0600897003 ( ARM32 )
| Pos. | Descrizione | Prezzo IVA escl | Prezzo IVA incl | |
| I prezzi indicati sono comprensivi di IVA | ||||
| Portacavo TSC 55 | ||||
| 30 | F016T46305 | 1.32 | 1.61 | |
| Bullone filettato M4 x 20 DIN 915 | ||||
| 32 | F016L11301 | 1.00 | 1.22 | |
| Rondella piana | ||||
| 35 | F016L35411 | 1.00 | 1.22 | |
| Rondella elastica Ø27,5x38,4 MM | ||||
| 37 | F016L35307 | 1.00 | 1.22 | |
| Coperchio | ||||
| 38 | F016L61530 | 1.70 | 2.07 | |
| Rondella piana | ||||
| 39/11 | F016L35411 | 1.00 | 1.22 | |
| MORSETTO DEL CAVO | ||||
| 39/16 | F016L59236 | 0.83 | 1.01 | |
| Perno Di Pivot | ||||
| 39/17 | F016L62095 | 1.00 | 1.22 | |
| Non più disponibile, nessuna sostituzione | ||||
| 39/20 | F016L59277 | |||
| Cassetta del rivestimento DUO 110 - Set | ||||
| 40 | F016L59301 | 29.75 | 36.30 | |
| Custodia VERDE | ||||
| 43/01 | F016L62162 | 40.61 | 49.54 | |
| Cappuccio di sigillatura | ||||
| 43/04 | F016L59186 | 1.32 | 1.61 | |
| Leva di serraggio | ||||
| 43/07 | F016L59334 | 1.00 | 1.22 | |
| Piastra di protezione | ||||
| 43/08 | F016L59311 | 4.58 | 5.59 | |
| Perno della cerniera | ||||
| 43/09 | F016L59353 | 1.00 | 1.22 | |
| Molla a spirale | ||||
| 43/10 | F016L59352 | 1.00 | 1.22 | |
| BARRA TOMMY | ||||
| 52/01 | F016L59315 | 4.70 | 5.73 | |
| Non più disponibile, nessuna sostituzione | ||||
| 52/02 | F016L59324 | |||
| Anello di distanza AU 43 FF | ||||
| 52/03 | F016L59373 | 1.18 | 1.44 | |
| Non più disponibile, nessuna sostituzione | ||||
| 55 | F016L59314 | |||
| BARRA TOMMY | ||||
| 61/01 | F016L59315 | 4.70 | 5.73 | |
| Anello di distanza AU 43 FF | ||||
| 61/03 | F016L59325 | 1.00 | 1.22 | |
| Maniglia TSC 55 | ||||
| 75/01 | F016L59351 | 29.75 | 36.30 | |
| Coperchio dell'interruttore | ||||
| 75/04 | F016L36449 | 2.24 | 2.73 | |
| Cassa dell'interruttore | ||||
| 75/05 | F016T49637 | 5.33 | 6.50 | |
| Non più disponibile, nessuna sostituzione | ||||
| 75/06 | F016T49630 | |||
| Interruttore on-off | ||||
| 75/07 | F016F05717 | 12.21 | 14.90 | |
| Molla a spirale AGC 18 | ||||
| 75/09 | F016T49633 | 1.70 | 2.07 | |
| PULSANTE | ||||
| 75/10 | F016T49223 | 1.94 | 2.37 | |
| Non più disponibile, nessuna sostituzione | ||||
| 75/11 | F016T49226 | |||
| Portacavo TSC 55 | ||||
| 75/12 | F016T49636 | 1.18 | 1.44 | |
| Nessuna informazione disponibile, non ordinabile | ||||
| 75/14 | F016T49429 | |||
| Etichetta adesiva | ||||
| 75/15 | F016L59243 | 2.24 | 2.73 | |
| Morsetto di Sollievo dallo Sforzo | ||||
| 75/16 | F016L65387 | 7.32 | 8.93 | |
| Nessuna informazione disponibile, non ordinabile | ||||
| 75/18/02 | F016T49627 | |||
| Supporto | ||||
| 75/18/03 | F016T49634 | 1.70 | 2.07 | |
| Nessuna informazione disponibile, non ordinabile | ||||
| 75/18/04 | F016T56145 | |||
| Non più disponibile, nessuna sostituzione | ||||
| 75/21 | F016T49629 | |||
| Non più disponibile, nessuna sostituzione | ||||
| 75/22 | F016T49628 | |||
| Non più disponibile, nessuna sostituzione | ||||
| 80/01 | F016L62806 | |||
| Non più disponibile, nessuna sostituzione | ||||
| 83 | F016L61774 | |||
| Coperchio | ||||
| 86 | F016L59159 | 1.00 | 1.22 | |
| Cappuccio di sigillatura | ||||
| 87 | F016L59360 | 2.24 | 2.73 | |
| Parte di collegamento | ||||
| 91 | F016L61882 | 4.70 | 5.73 | |
| Adesivo | ||||
| 92 | F016L59346 | 2.71 | 3.31 | |
| Tappo H03 Kiba DF700 | ||||
| 94 | F016L59372 | 1.00 | 1.22 | |
| Copertura TURBO II | ||||
| 95 | F016L59318 | 5.96 | 7.27 | |
| Piastra di Protezione | ||||
| 98 | F016L61602 | 5.83 | 7.11 | |
| Molla | ||||
| 99 | F016L59327 | 2.52 | 3.07 | |
| Molla a spirale | ||||
| 100 | F016L61597 | 1.00 | 1.22 | |
| Molla a Balia | ||||
| 111 | F016L61609 | 2.52 | 3.07 | |
| Non più disponibile, nessuna sostituzione | ||||
| 120 | F016L61752 | |||
| Non più disponibile, nessuna sostituzione | ||||
| 121 | F016L61751 | |||
| Adesivo | ||||
| 450 | F016L59346 | 2.71 | 3.31 | |
| Piastra di Riferimento | ||||
| 451 | F016L59364 | 0.83 | 1.01 | |
| Piastra di Riferimento | ||||
| 453 | F016L61441 | 2.71 | 3.31 | |
| Adesivo | ||||
| 454 | F016L61268 | 2.71 | 3.31 | |
| Morsetto di fissaggio | ||||
| 500 | F016L61747 | 1.00 | 1.22 | |
| Anello di bloccaggio | ||||
| 501 | F016T46941 | 1.32 | 1.61 | |
| Rondella M5 | ||||
| 502 | F016T48428 | 0.83 | 1.01 | |
| Nessuna informazione disponibile, non ordinabile | ||||
| 503 | F016T49429 | |||
| Nessuna informazione disponibile, non ordinabile | ||||
| 505 | F016L61750 | |||
| Rondella piana | ||||
| 510 | F016L57338 | 2.24 | 2.73 | |
| Motore | ||||
| 801 | F016L59335 | 91.56 | 111.70 | |
| Dado ad ali | ||||
| 839/18 | F016L66136 | 3.71 | 4.53 | |
| Ventola Sunon PMD2412PMB1-A | ||||
| 857 | F016102328 | 15.71 | 19.17 | |
| Non più disponibile, nessuna sostituzione | ||||
| 859 | F016102096 | |||
| Leva KA 65 | ||||
| 861/02 | F016102101 | 2.71 | 3.31 | |
| Cavo di giunzione MX 1200/2 E EF | ||||
| 875/02 | F016102164 | 2.71 | 3.31 | |
| Arco ISC 240 Wire | ||||
| 875/18 | F016102166 | 10.73 | 13.09 | |
| Arco ISC 240 Wire | ||||
| 875/30 | F016102163 | 0.83 | 1.01 | |
| Maniglia TSC 55 | ||||
| 878 | F016102211 | 11.88 | 14.49 | |
| Non più disponibile, nessuna sostituzione | ||||
| 883/01 | F016L59370 | |||
| Non più disponibile, nessuna sostituzione | ||||
| 883/02 | F016L59150 | |||
| Parte di collegamento | ||||
| 885 | F016102106 | 3.31 | 4.04 | |
| PIEZO POLARE | ||||
| 888 | F016102145 | 8.45 | 10.31 | |
| Non più disponibile, nessuna sostituzione | ||||
| 889 | F016102146 | |||
| Pesi di bilanciamento | ||||
| 8150 | F016102207 | 6.54 | 7.98 | |